GM Service Manual Online
For 1990-2009 cars only
Makes
🢒
HUMMER
🢒
2008
🢒
H2
🢒
Diagnostic Navigation
🢒
Vehicle Diagnostic Information
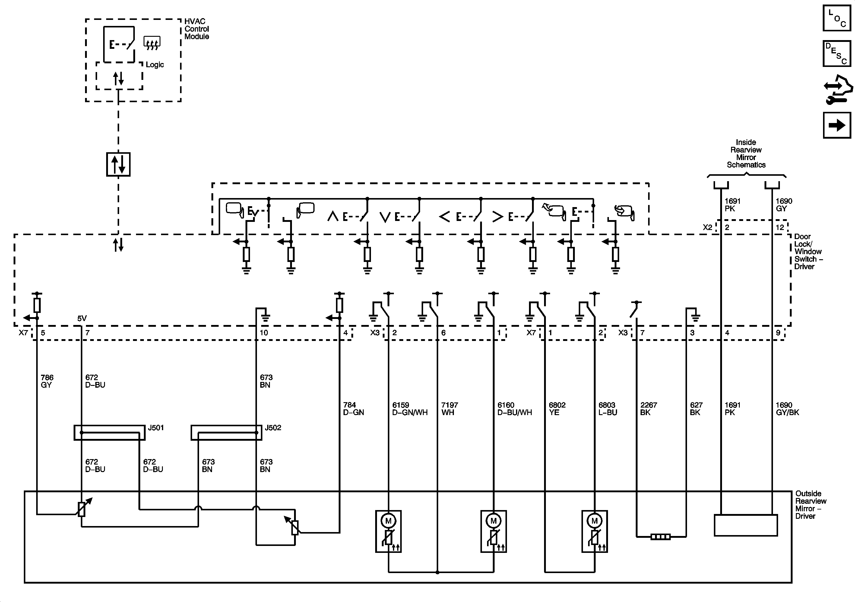
🢒 Outside Rearview Mirror Schematics
Figure
1:
Driver
Master Electrical Component List
Outside Mirror Description and Operation (Power Mirrors)
Control Module References
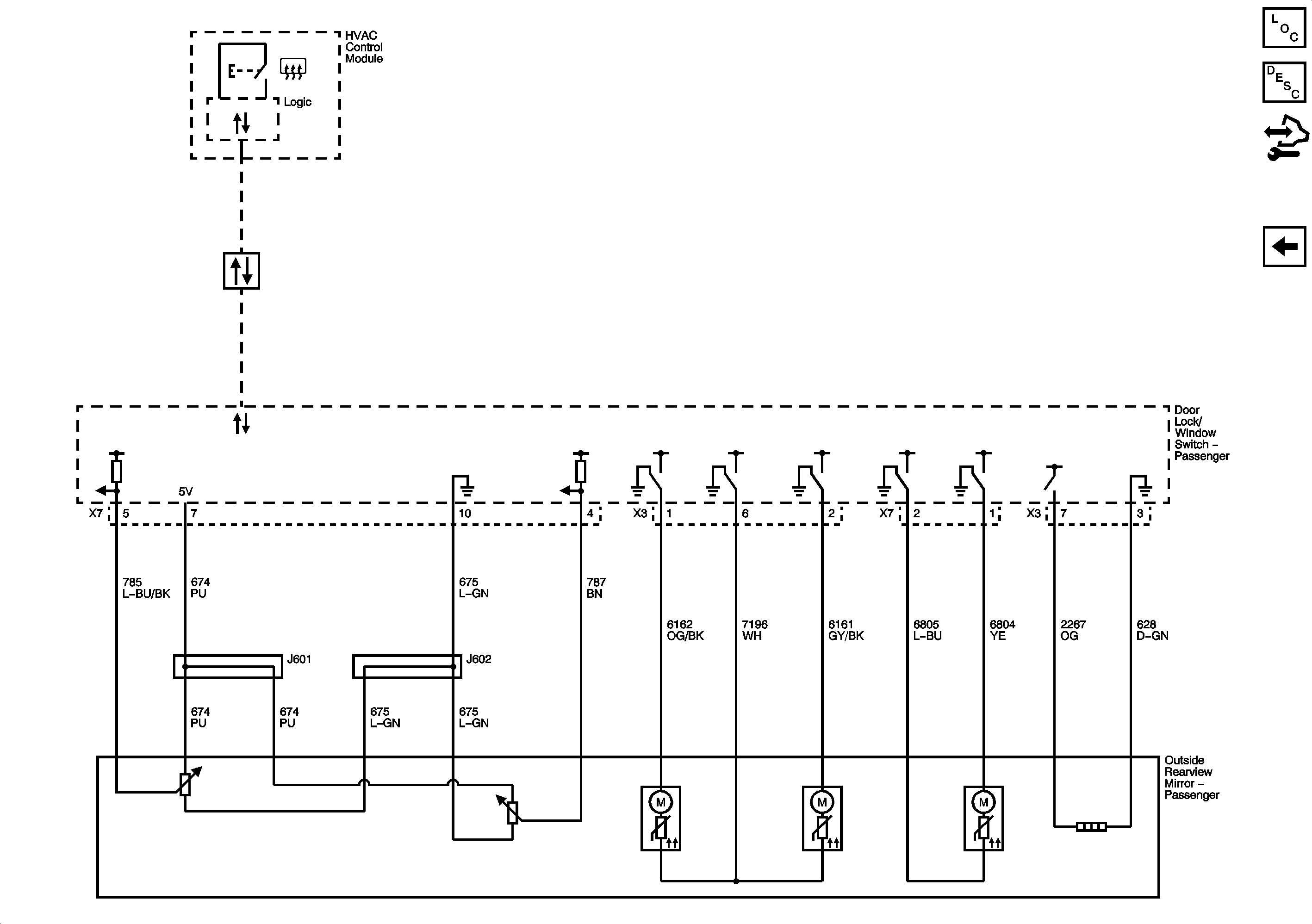
Passenger
Figure
2:
Passenger
Master Electrical Component List
Outside Mirror Description and Operation (Power Mirrors)
Control Module References
Driver