GM Service Manual Online
For 1990-2009 cars only
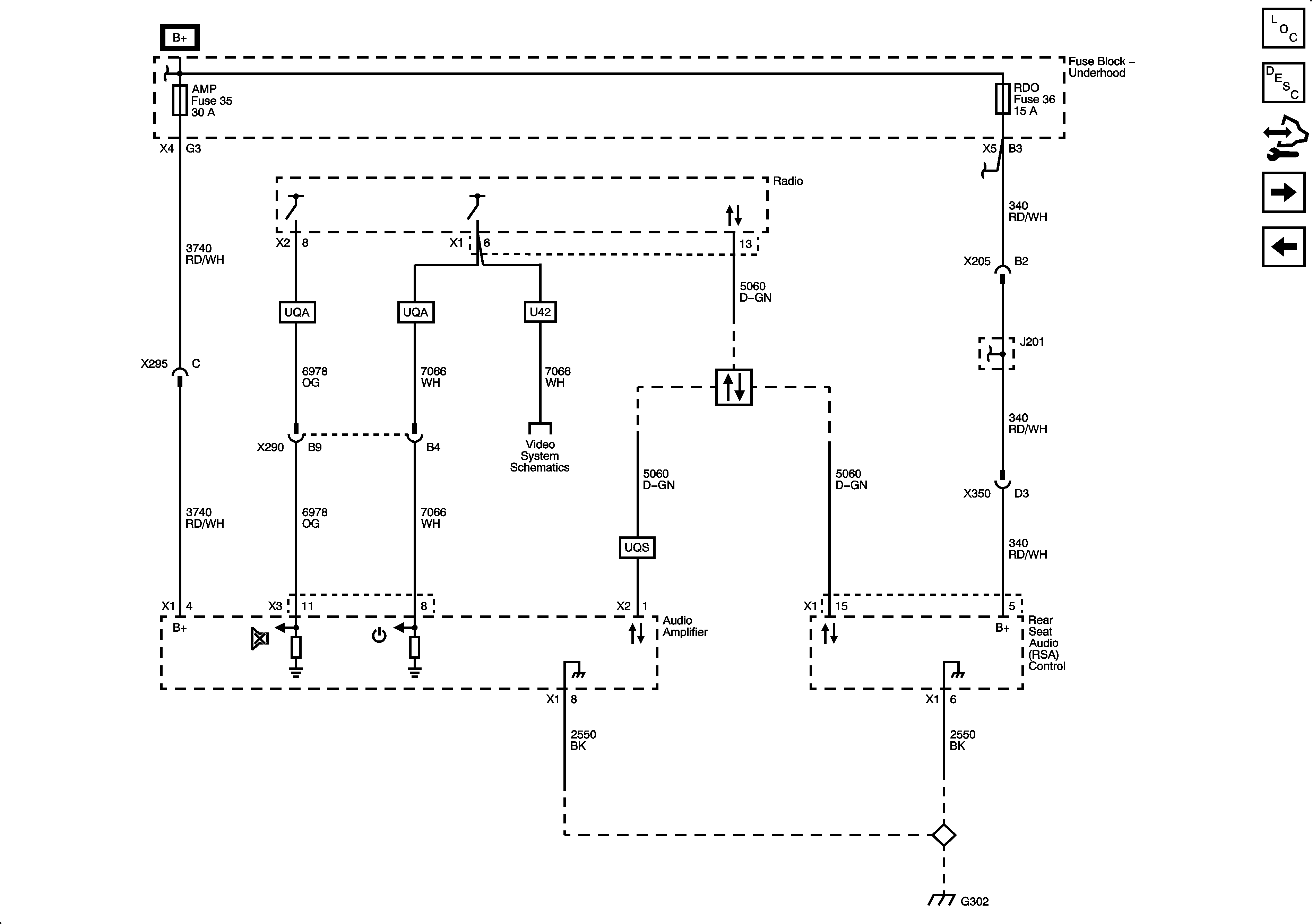
Figure 1:

Radio Power, Ground and Serial Data


Object Number: 1960923  Size: FS
Master Electrical Component List
Radio/Audio System Description and Operation
Control Module References
Amplifier and Rear Seat Audio
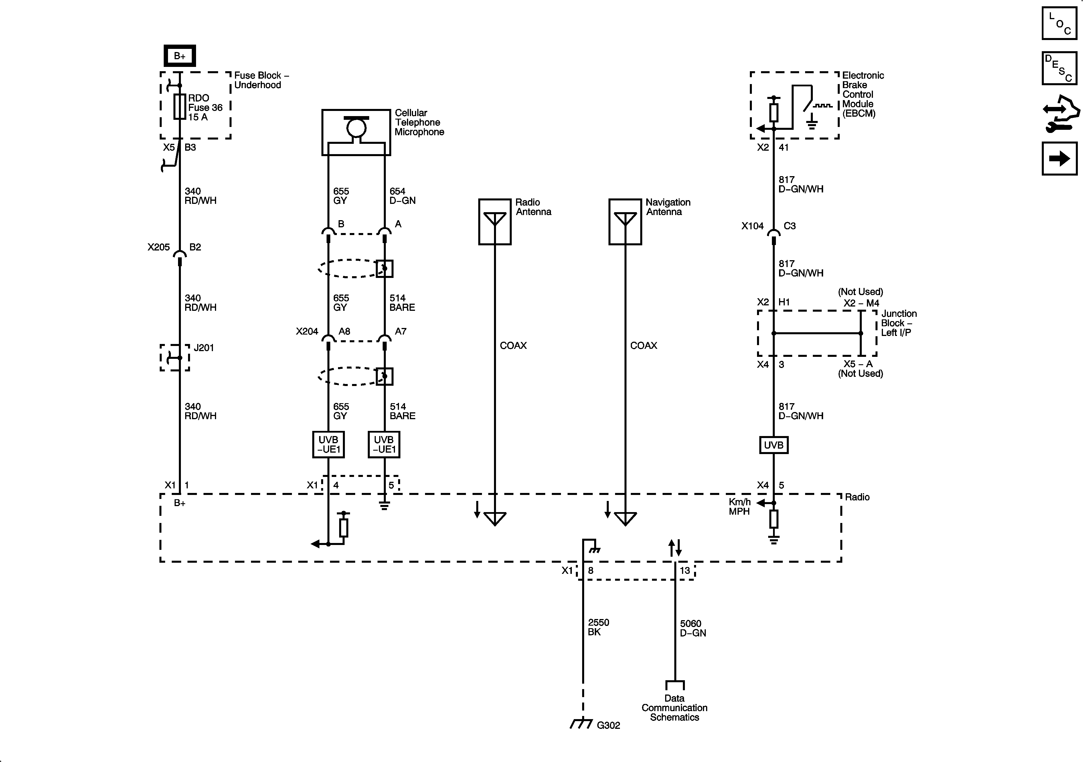
Figure 2:

Amplifier and Rear Seat Audio


Object Number: 1960927  Size: FS
Master Electrical Component List
Radio/Audio System Description and Operation
Control Module References
Amplifier Inputs
Radio Power, Ground and Serial Data
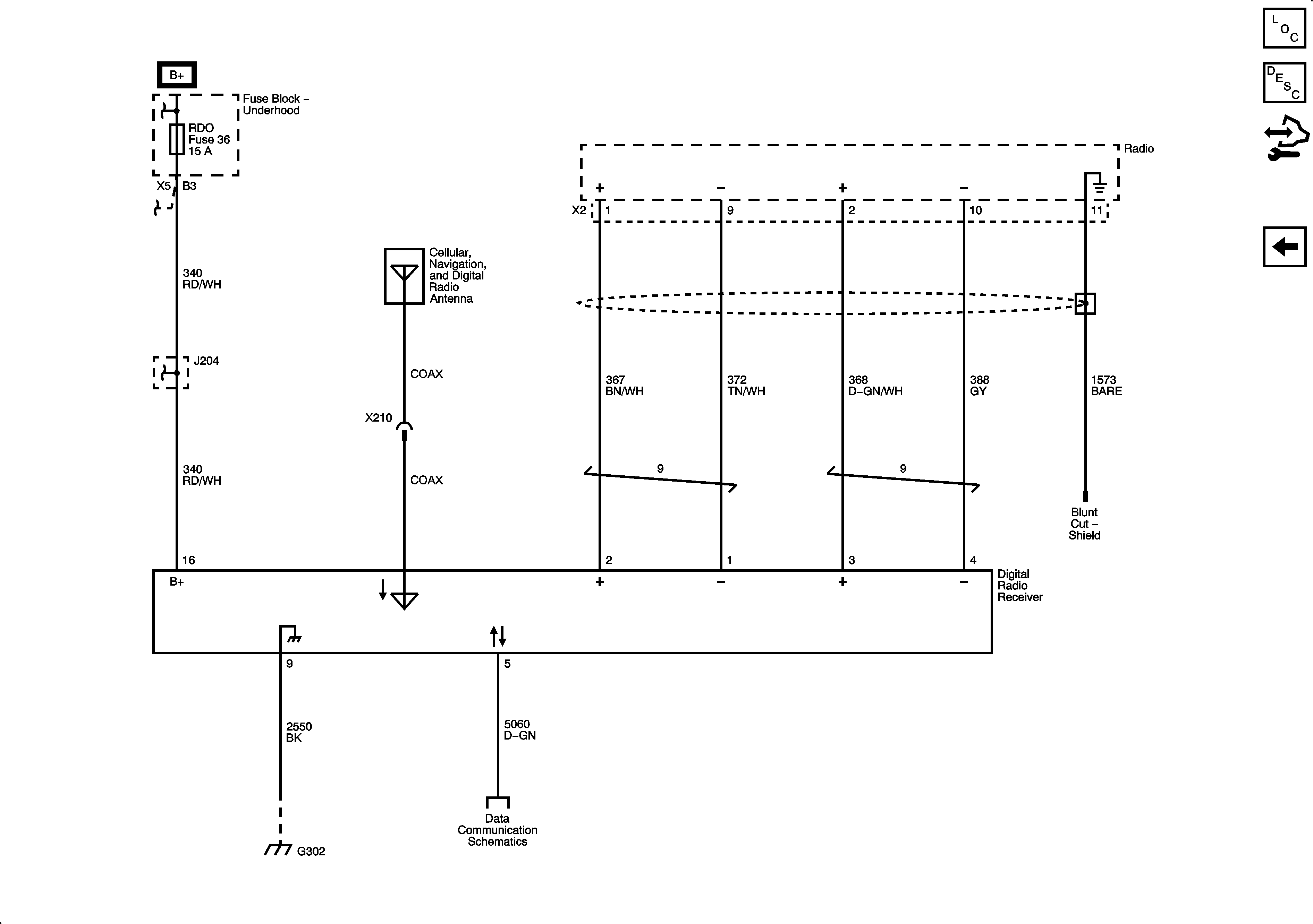
Figure 3:

Amplifier Inputs


Object Number: 1960929  Size: FS
Master Electrical Component List
Radio/Audio System Description and Operation
Control Module References
Front Speakers UQS
Amplifier and Rear Seat Audio
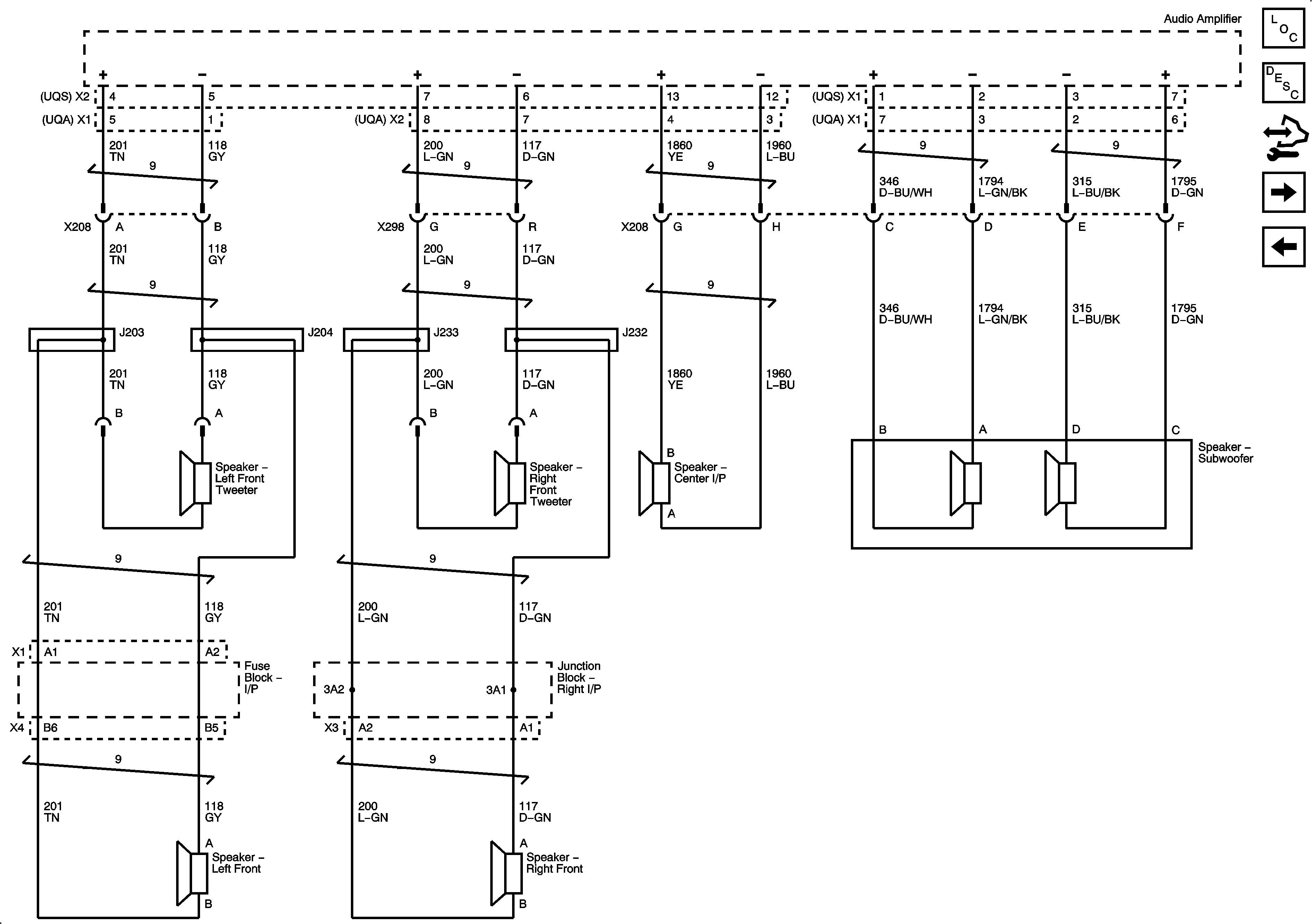
Figure 4:

Amplifier Inputs UQS


Object Number: 2061965  Size: FS
Master Electrical Component List
Radio/Audio System Description and Operation
Control Module References
Front Speakers UQS
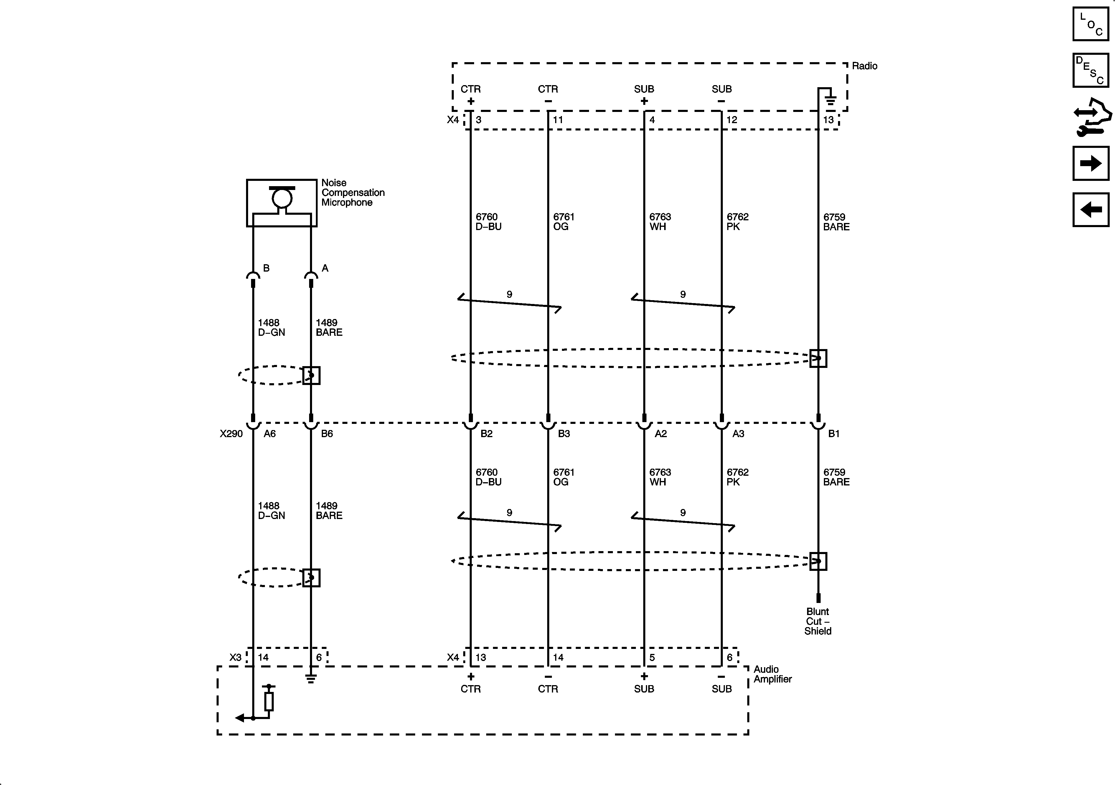
Amplifier Inputs
Figure 5:

Front Speakers UQS


Object Number: 1960930  Size: FS
Master Electrical Component List
Radio/Audio System Description and Operation
Control Module References
Rear Speakers UQS
Amplifier Inputs
Figure 6:

Right Speakers UQS


Object Number: 1960931  Size: FS
Master Electrical Component List
Radio/Audio System Description and Operation
Control Module References
Rear Speakers UQA
Front Speakers UQS
Figure 7:

Right Speakers UQA


Object Number: 1960933  Size: FS
Master Electrical Component List
Radio/Audio System Description and Operation
Control Module References
Digital Radio Receiver U2K
Rear Speakers UQS
Figure 8:

Digital Radio Receiver U2K


Object Number: 1960936  Size: FS
Master Electrical Component List
Radio/Audio System Description and Operation
Control Module References
Rear Speakers UQA