GM Service Manual Online
For 1990-2009 cars only
Figure 1:

Low Speed Bus - 1 of 3


Object Number: 1962227  Size: FS
Master Electrical Component List
Data Link Communications Description and Operation
Control Module References
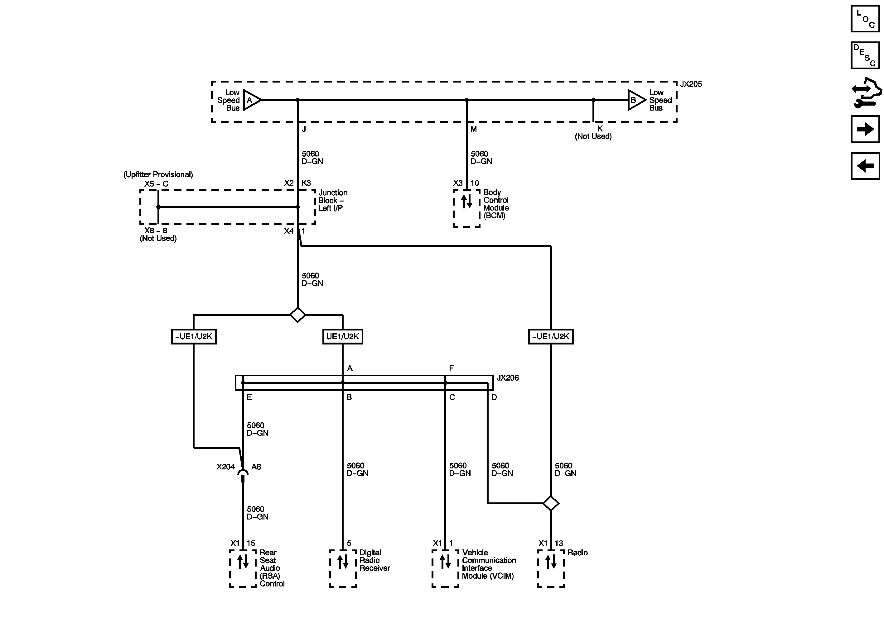
Low Speed Bus - 2 of 3
Figure 2:

Low Speed Bus - 2 of 3


Object Number: 1962228  Size: FS
Master Electrical Component List
Data Link Communications Description and Operation
Control Module References
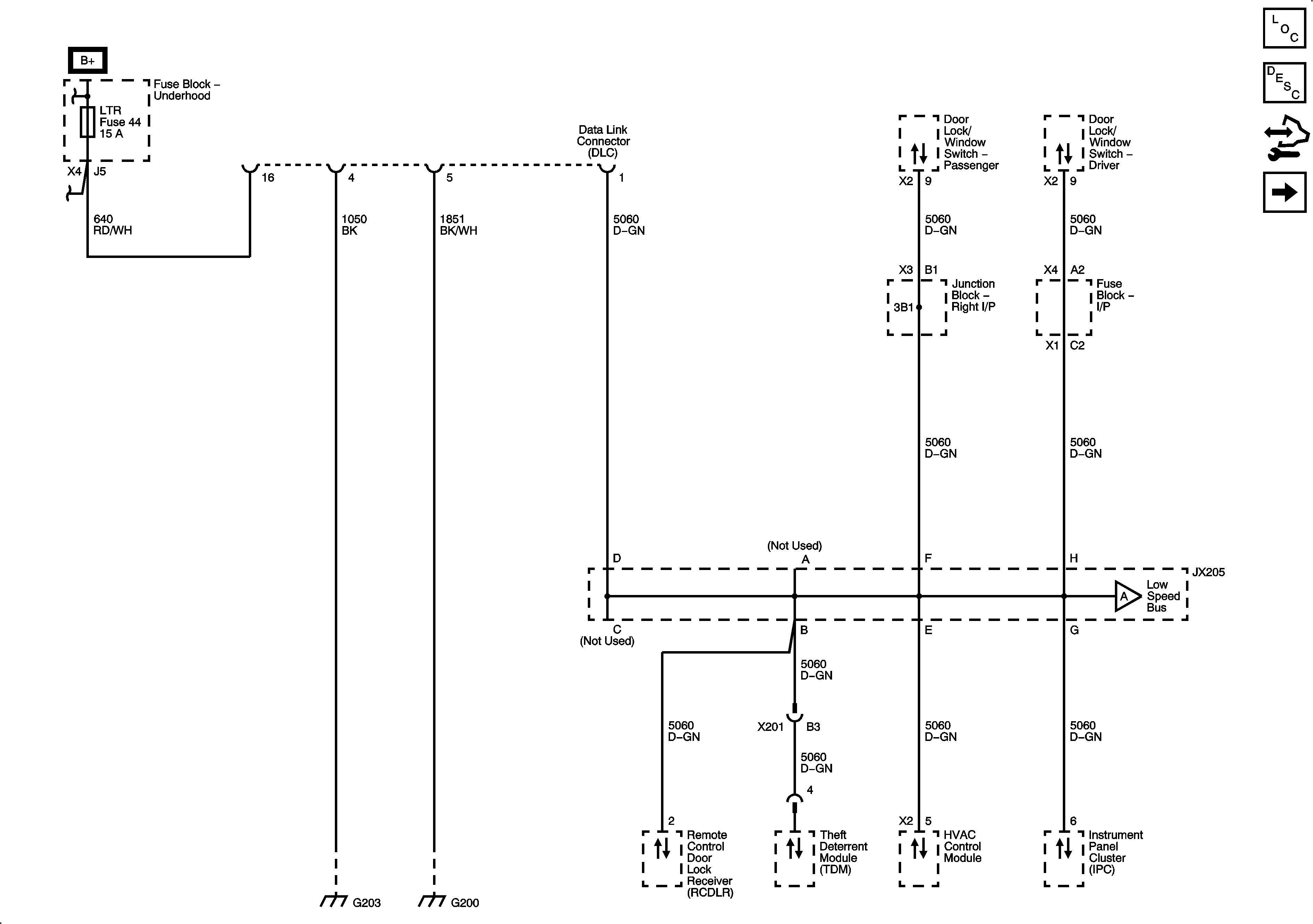
Low Speed Bus - 3 of 3
Low Speed Bus - 1 of 3
Figure 3:

Low Speed Bus - 3 of 3


Object Number: 1962229  Size: FS
Master Electrical Component List
Data Link Communications Description and Operation
Control Module References
High Speed Bus - 1 of 2
Low Speed Bus - 2 of 3
Figure 4:

High Speed Bus - 1 of 2


Object Number: 1962230  Size: FS
Master Electrical Component List
Data Link Communications Description and Operation
Control Module References
High Speed Bus - 2 of 2
Low Speed Bus - 3 of 3
Figure 5:

High Speed Bus - 2 of 2


Object Number: 1962232  Size: FS
Master Electrical Component List
Data Link Communications Description and Operation
Control Module References
High Speed Bus - 1 of 2