GM Service Manual Online
For 1990-2009 cars only
Makes
🢒
HUMMER
🢒
2008
🢒
H2
🢒
Diagnostic Navigation
🢒
Vehicle Diagnostic Information
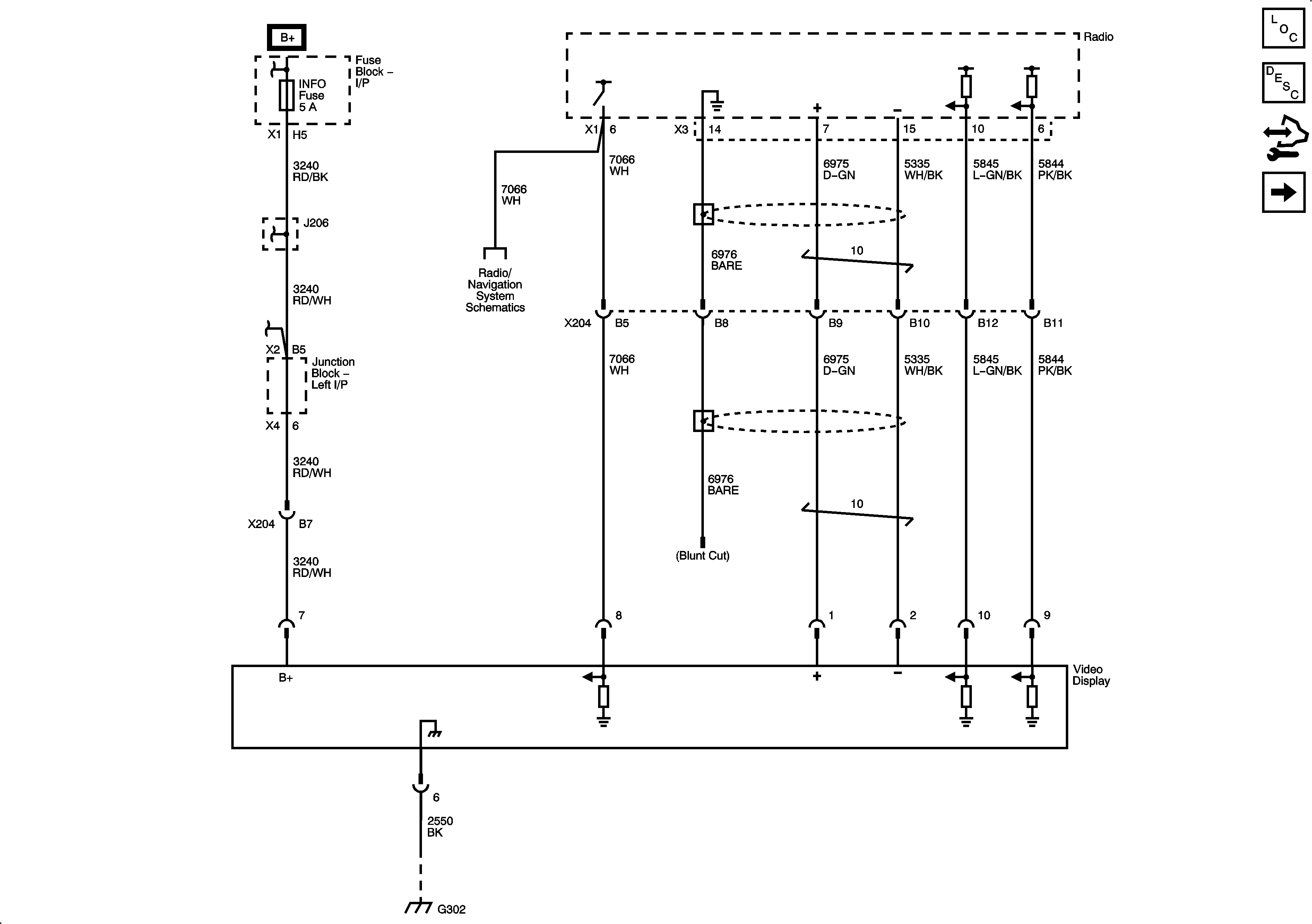
🢒 Video System Schematics
Figure
1:
Display Power, Ground and Video Signals
Master Electrical Component List
Navigation System Description and Operation
Control Module References
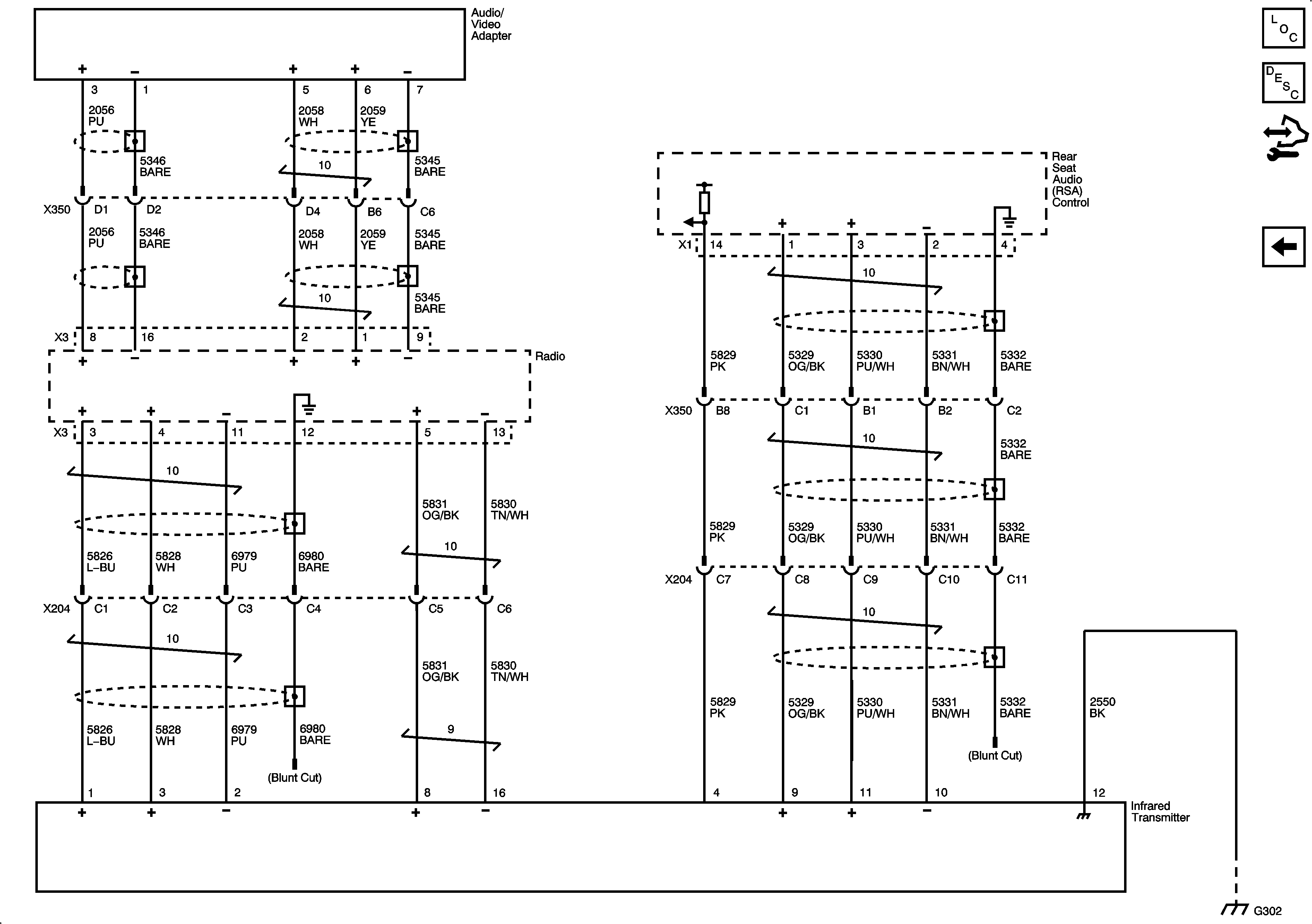
Audio Signals
Figure
2:
Audio Signals