GM Service Manual Online
For 1990-2009 cars only
Makes
🢒
HUMMER
🢒
2008
🢒
H2
🢒
Diagnostic Navigation
🢒
Vehicle Diagnostic Information
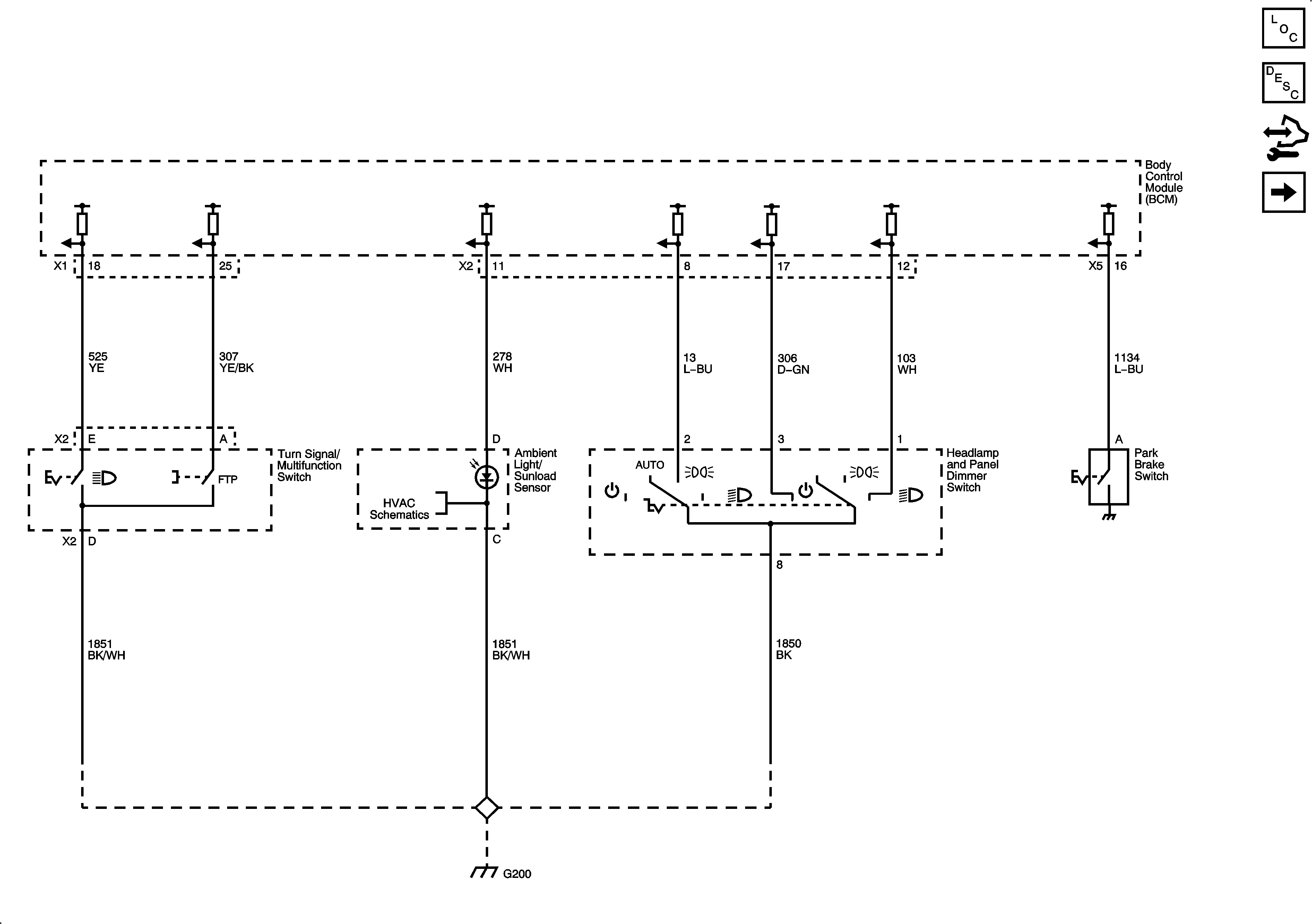
🢒 Headlights/Daytime Running Lights (DRL) Schematics
Figure
1:
Headlight and Daytime Running Light Controls
Master Electrical Component List
Exterior Lighting Systems Description and Operation
Control Module References
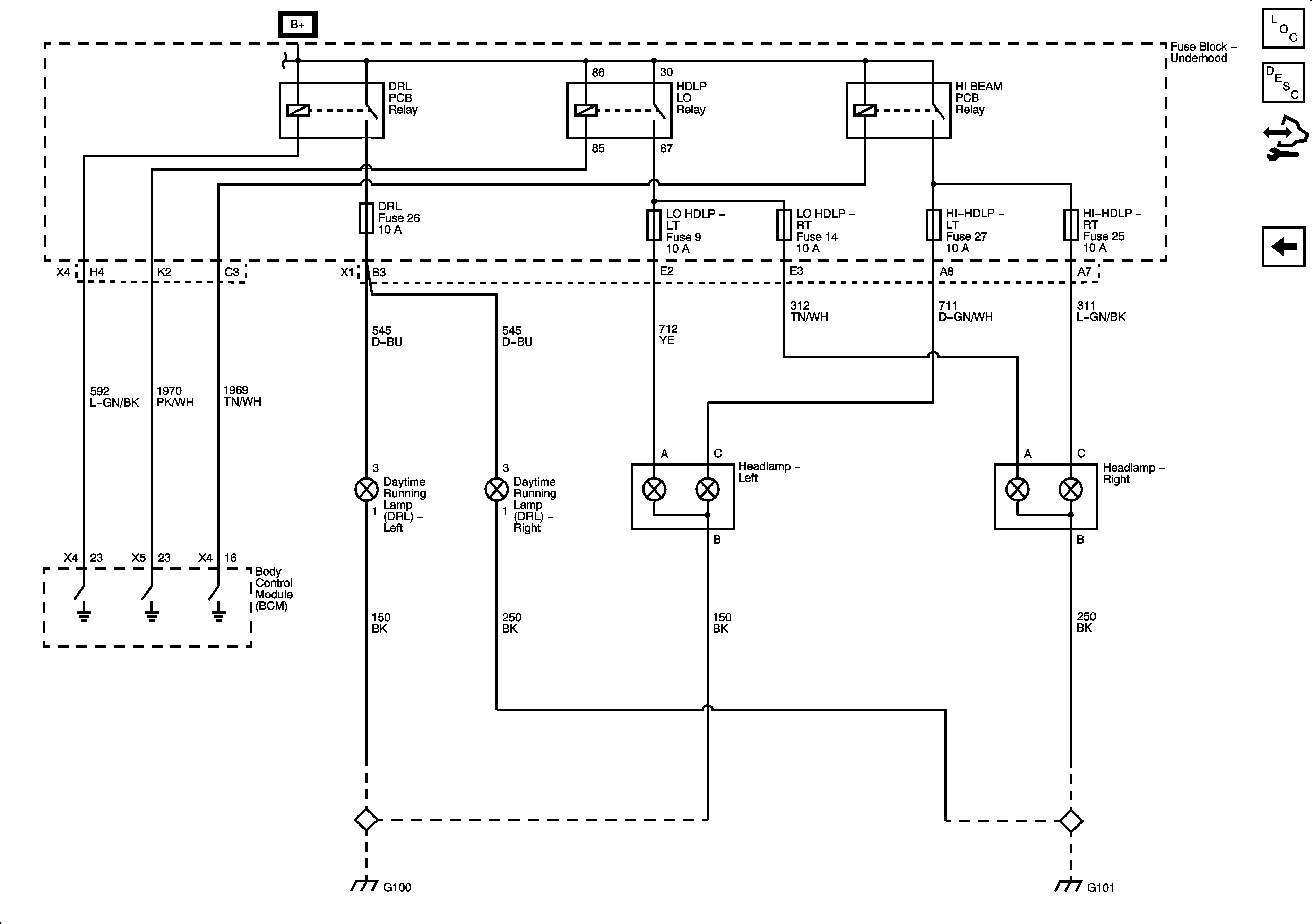
Headlight and Daytime Running Light
Figure
2:
Headlight and Daytime Running Light
Master Electrical Component List
Exterior Lighting Systems Description and Operation
Control Module References
Headlight and Daytime Running Light Controls