GM Service Manual Online
For 1990-2009 cars only
Figure 1:

Front Marker and Clearance Lamps


Object Number: 1961297  Size: FS
Master Electrical Component List
Exterior Lighting Systems Description and Operation
Control Module References
Left Rear Park Lamps and Marker Lamps
Figure 2:

Left Rear Park Lamps and Marker Lamps


Object Number: 1961300  Size: FS
Master Electrical Component List
Exterior Lighting Systems Description and Operation
Control Module References
Right Rear Park Lamps and Marker Lamps
Front Marker and Clearance Lamps
Figure 3:

Right Rear Park Lamps and Marker Lamps


Object Number: 1961303  Size: FS
Master Electrical Component List
Exterior Lighting Systems Description and Operation
Control Module References
Turn Signal Controls and Front Turn Signal Lamps
Left Rear Park Lamps and Marker Lamps
Figure 4:

Turn Signal Controls and Front Turn Signal Lamps


Object Number: 1961305  Size: FS
Master Electrical Component List
Exterior Lighting Systems Description and Operation
Control Module References
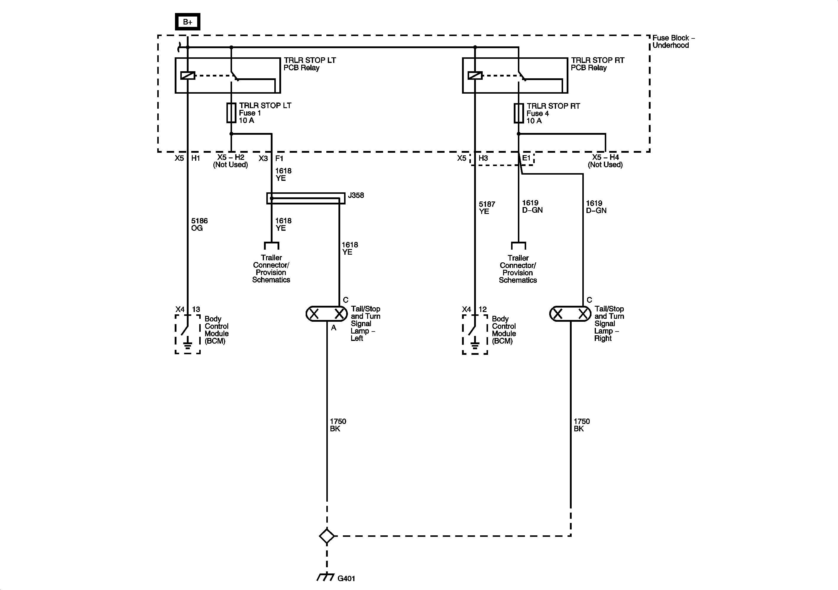
Rear Stop and Turn Signal Lamps
Right Rear Park Lamps and Marker Lamps
Figure 5:

Rear Stop and Turn Signal Lamps


Object Number: 1961307  Size: FS
Master Electrical Component List
Exterior Lighting Systems Description and Operation
Control Module References
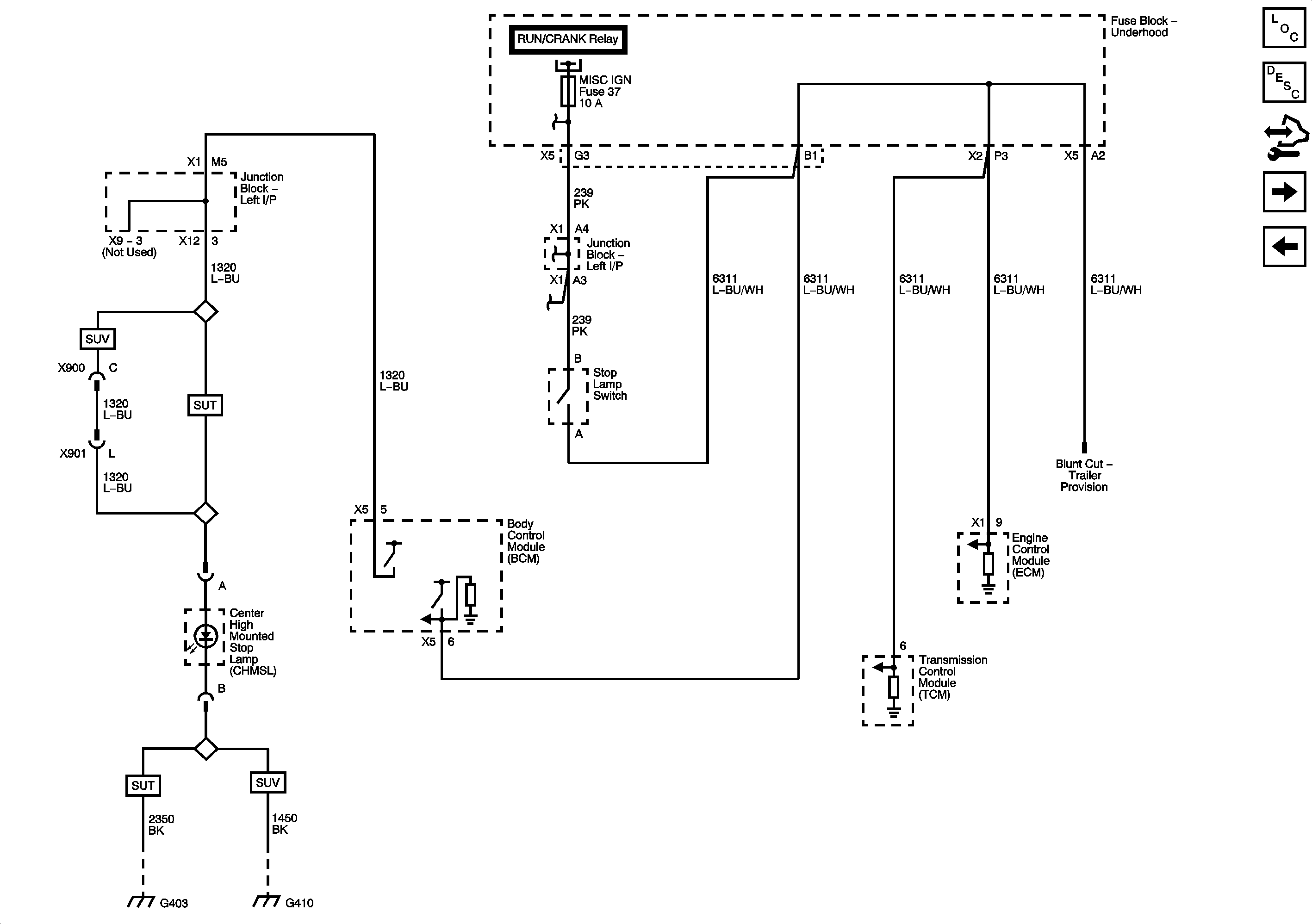
Stop Lamp Controls and CHMSL
Turn Signal Controls and Front Turn Signal Lamps
Figure 6:

Stop Lamp Controls and CHMSL


Object Number: 1961310  Size: FS
Master Electrical Component List
Exterior Lighting Systems Description and Operation
Control Module References
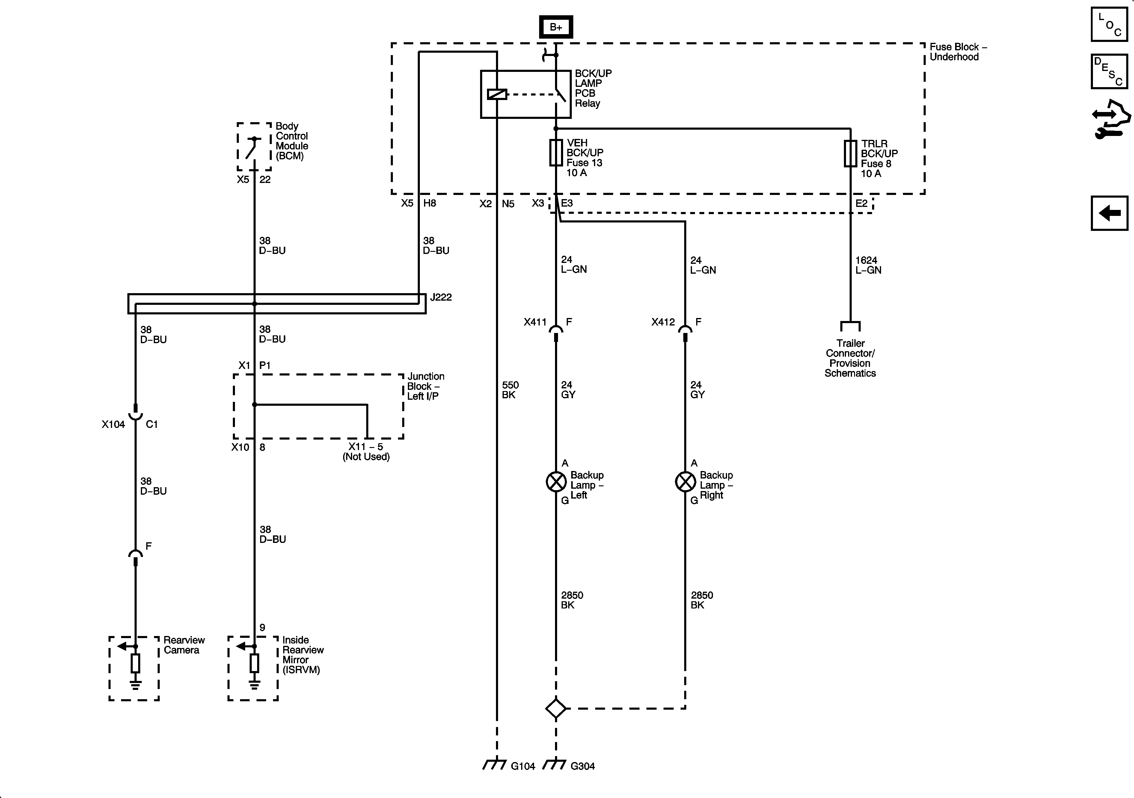
Backup Lamps
Rear Stop and Turn Signal Lamps
Figure 7:

Backup Lamps


Object Number: 1961311  Size: FS
Master Electrical Component List
Exterior Lighting Systems Description and Operation
Control Module References
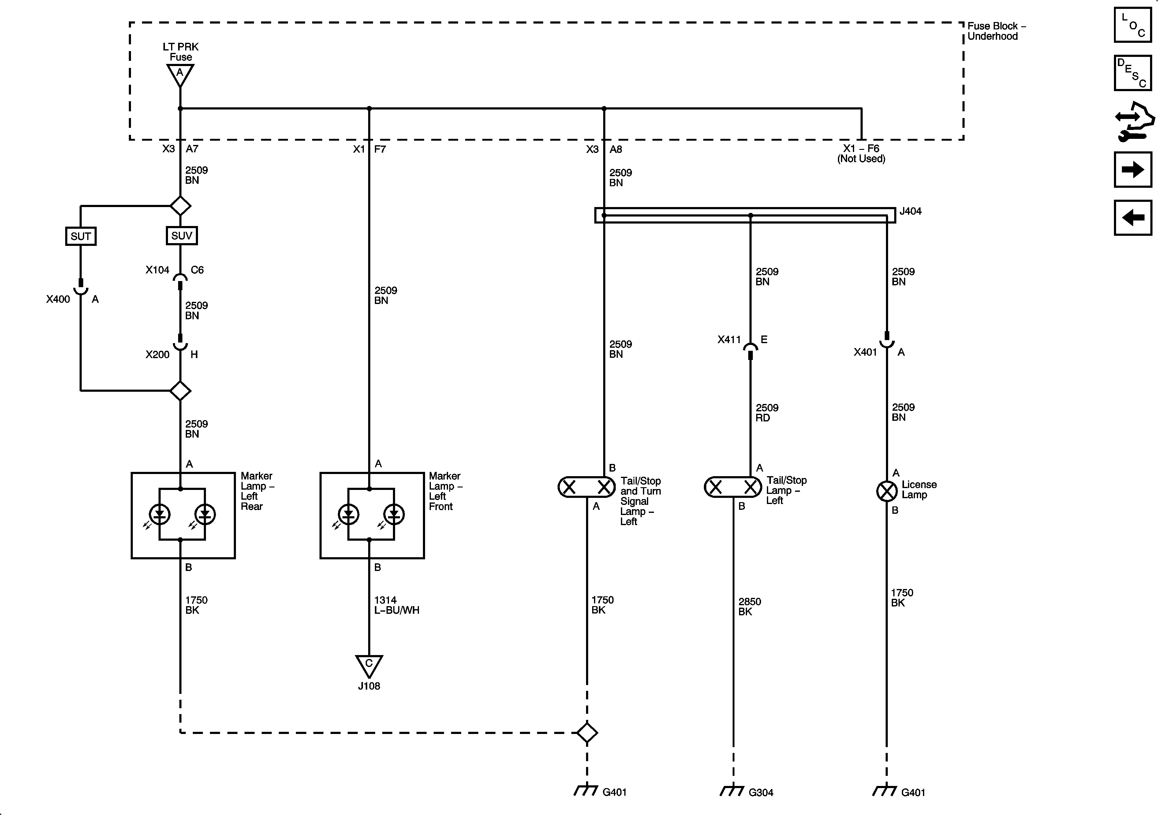
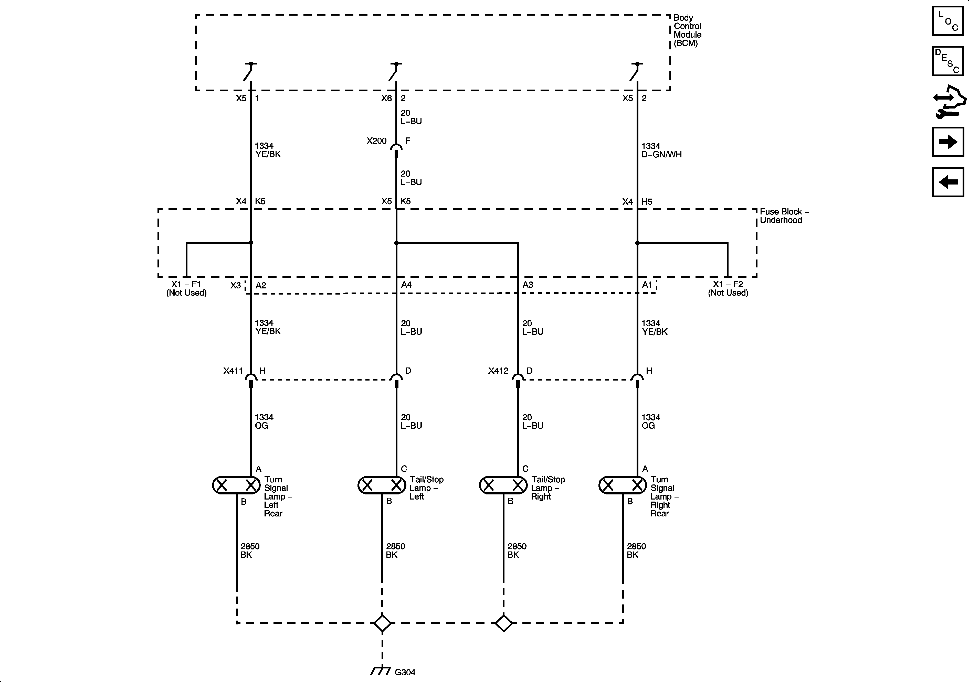
Tail/Stop and Turn Signal Lamps
Stop Lamp Controls and CHMSL
Figure 8:

Tail/Stop and Turn Signal Lamps


Object Number: 1961313  Size: FS
Master Electrical Component List
Exterior Lighting Systems Description and Operation
Control Module References
Backup Lamps