GM Service Manual Online
For 1990-2009 cars only
Makes
🢒
HUMMER
🢒
2008
🢒
H2
🢒
Diagnostic Navigation
🢒
Vehicle Diagnostic Information
🢒 Interior Lights Schematics
Figure
1:
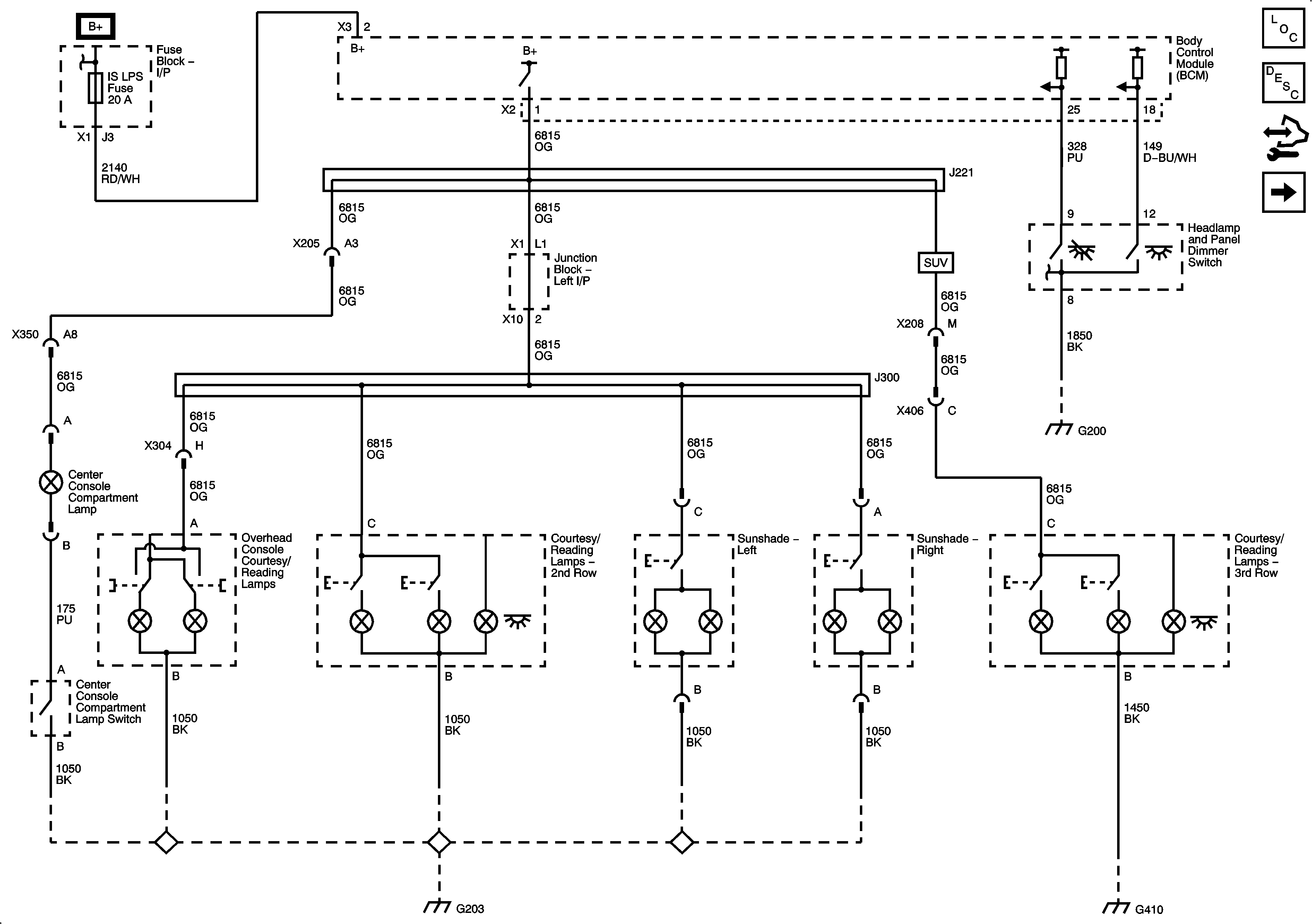
Inadvertent Lamp Control
Master Electrical Component List
Interior Lighting Systems Description and Operation
Control Module References
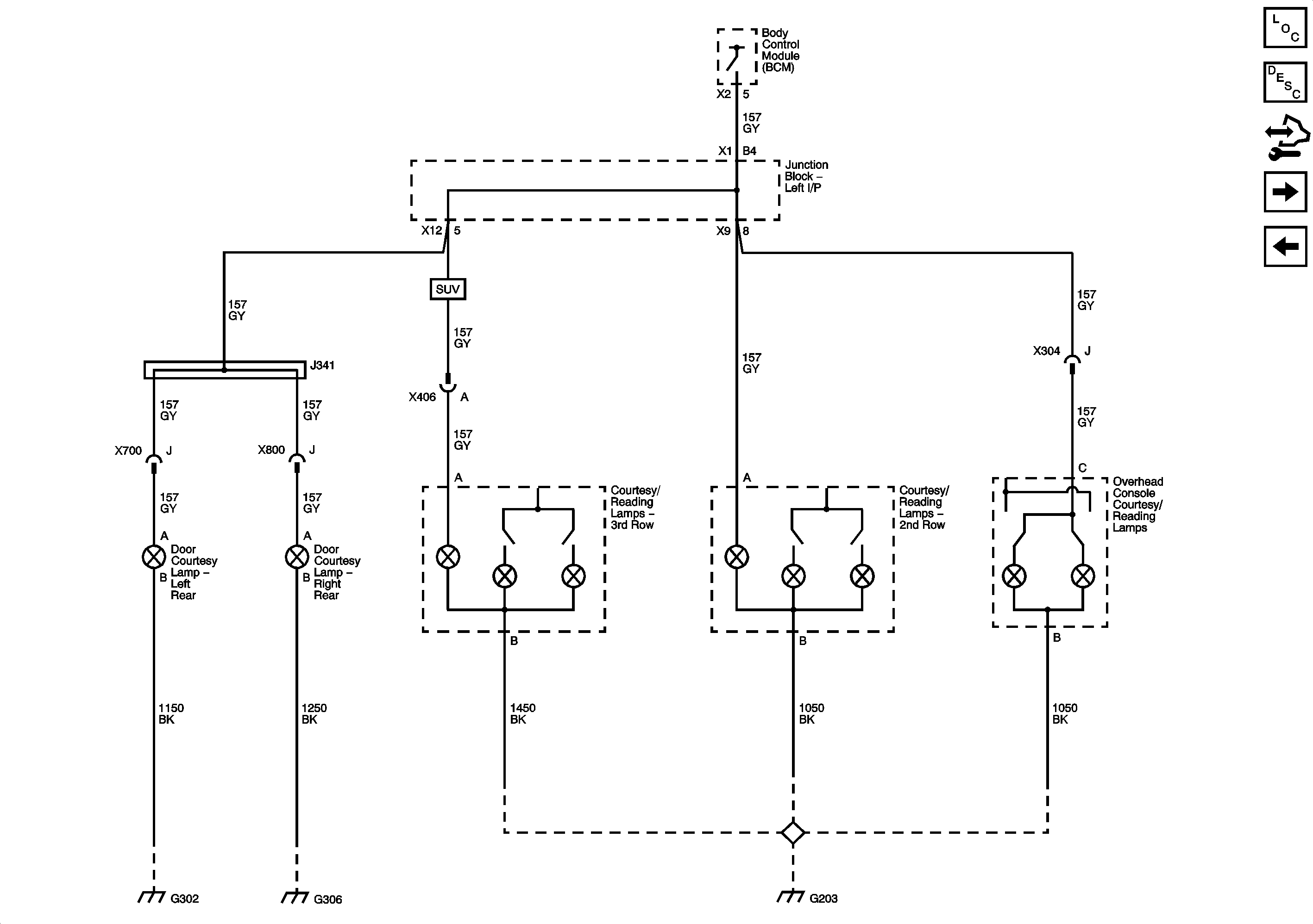
Courtesy Lamp Control
Figure
2:
Courtesy Lamp Control
Master Electrical Component List
Interior Lighting Systems Description and Operation
Control Module References
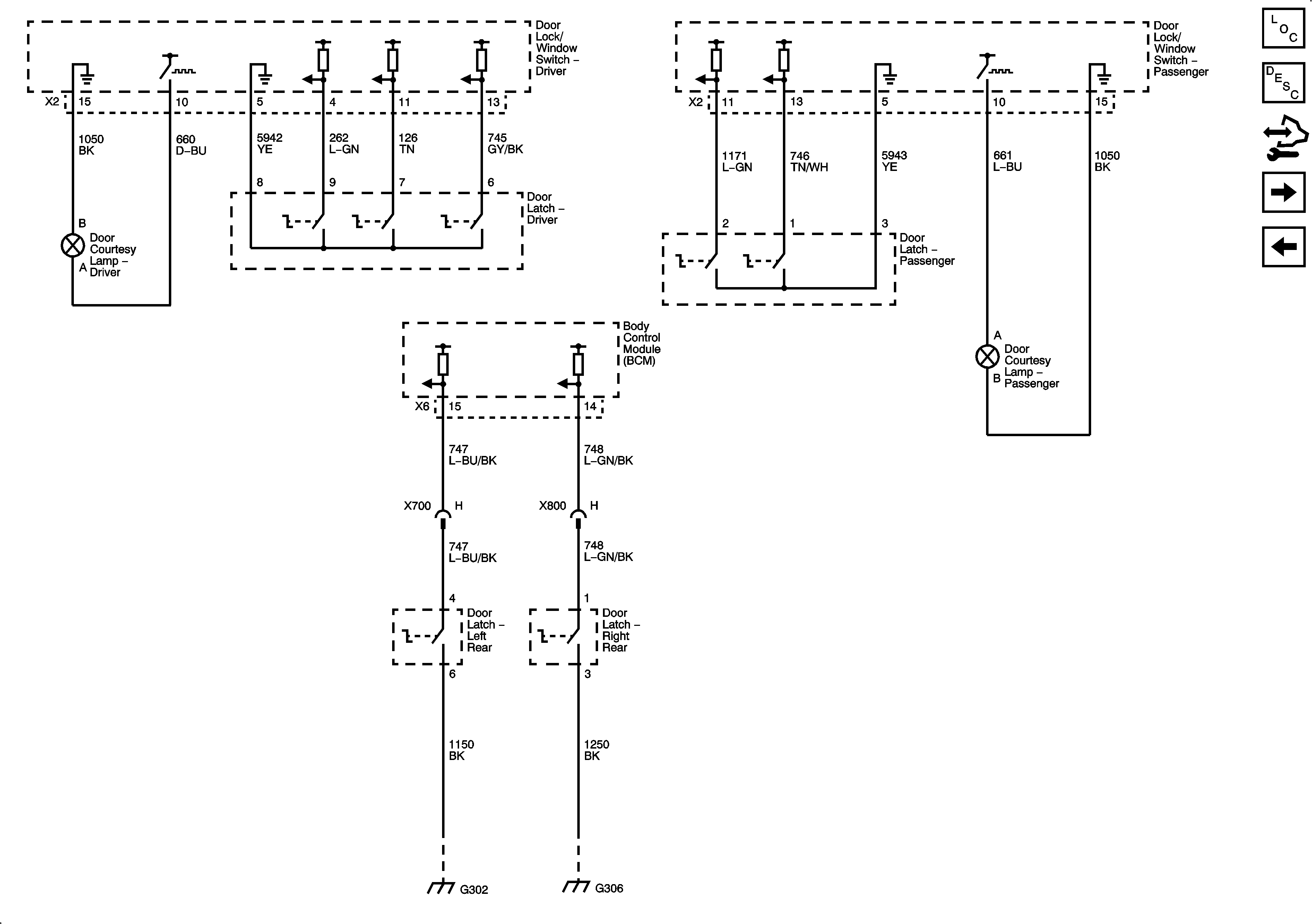
Door Jamb Switches
Inadvertent Lamp Control
Figure
3:
Door Jamb Switches
Master Electrical Component List
Interior Lighting Systems Description and Operation
Control Module References
Courtesy Lamp Control