GM Service Manual Online
For 1990-2009 cars only

Object Number: 1930017  Size: LF

Callout

Component Name

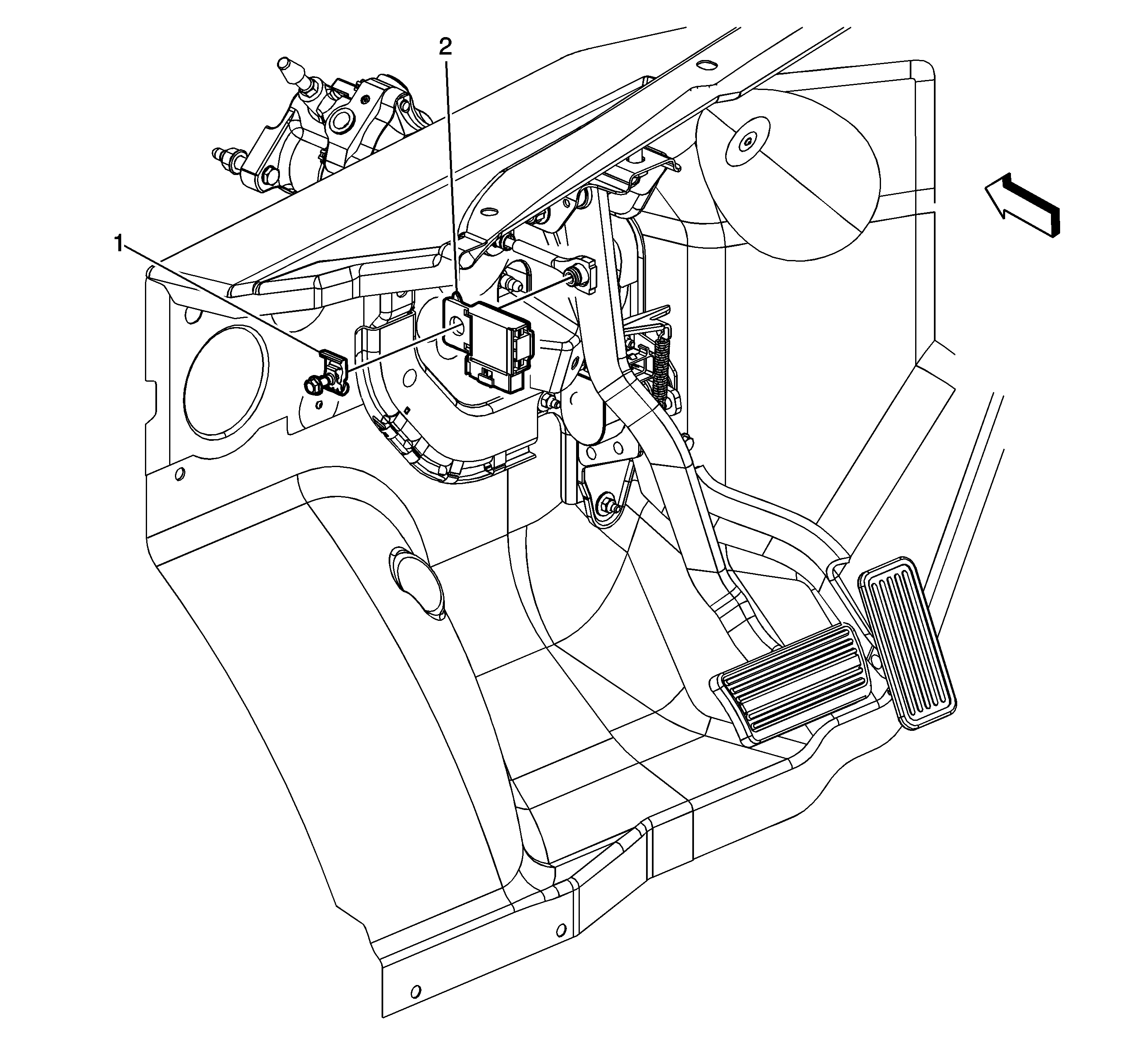
1

Brake Pedal Push Rod Retainer

Notice: Refer to Fastener Notice in the Preface section.

Tighten
10 N·m (89 lb in)

2

Stop Lamp Switch Assembly

Procedure

Disconnect the electrical connector.