GM Service Manual Online
For 1990-2009 cars only
Makes
🢒
HUMMER
🢒
2008
🢒
H2
🢒
Diagnostic Navigation
🢒
Vehicle Diagnostic Information
🢒 Transfer Case Control Schematics
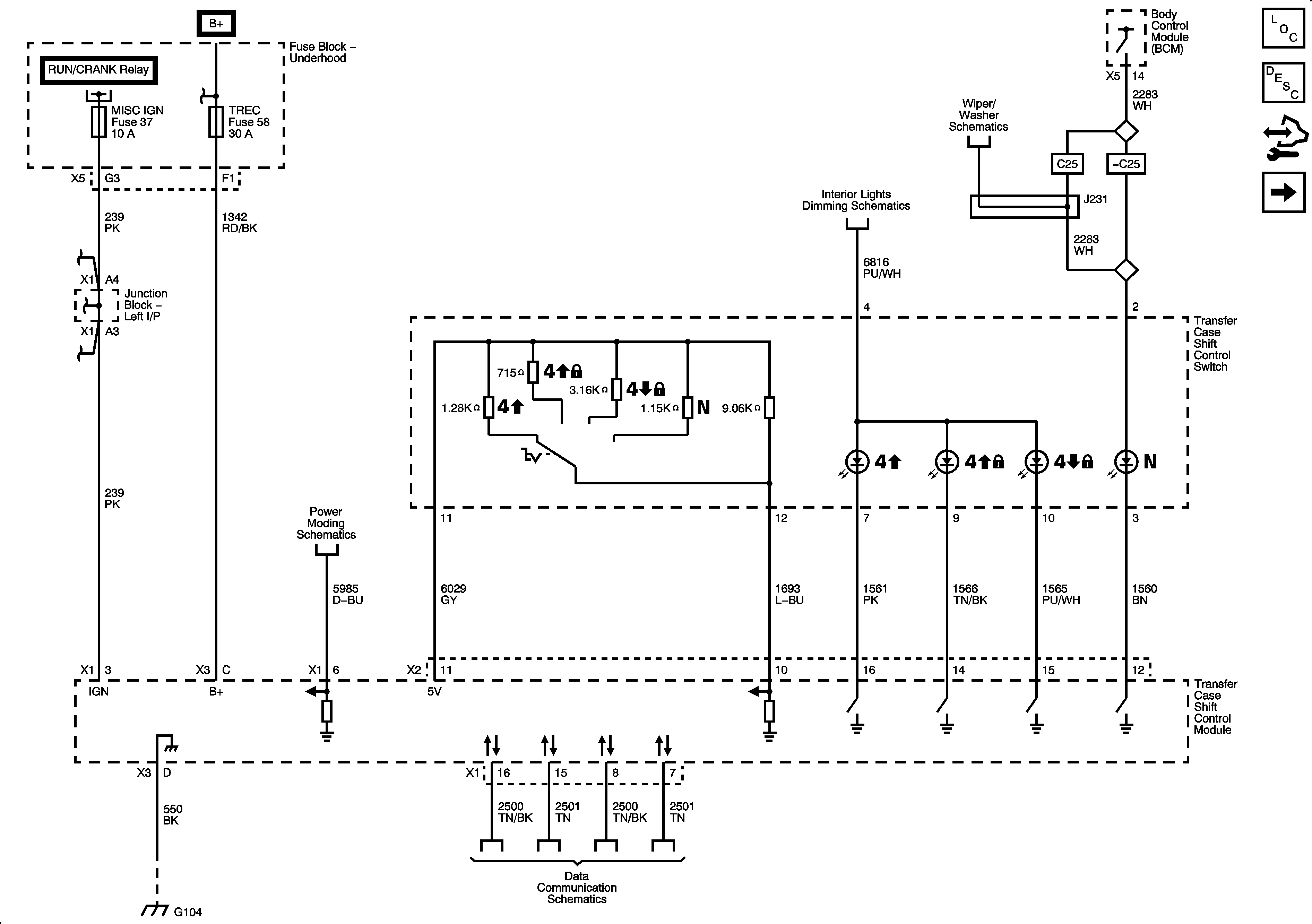
Figure
1:
Power Ground and Shift Controls
Master Electrical Component List
Transfer Case Description and Operation
Control Module References
Transfer Case Controls
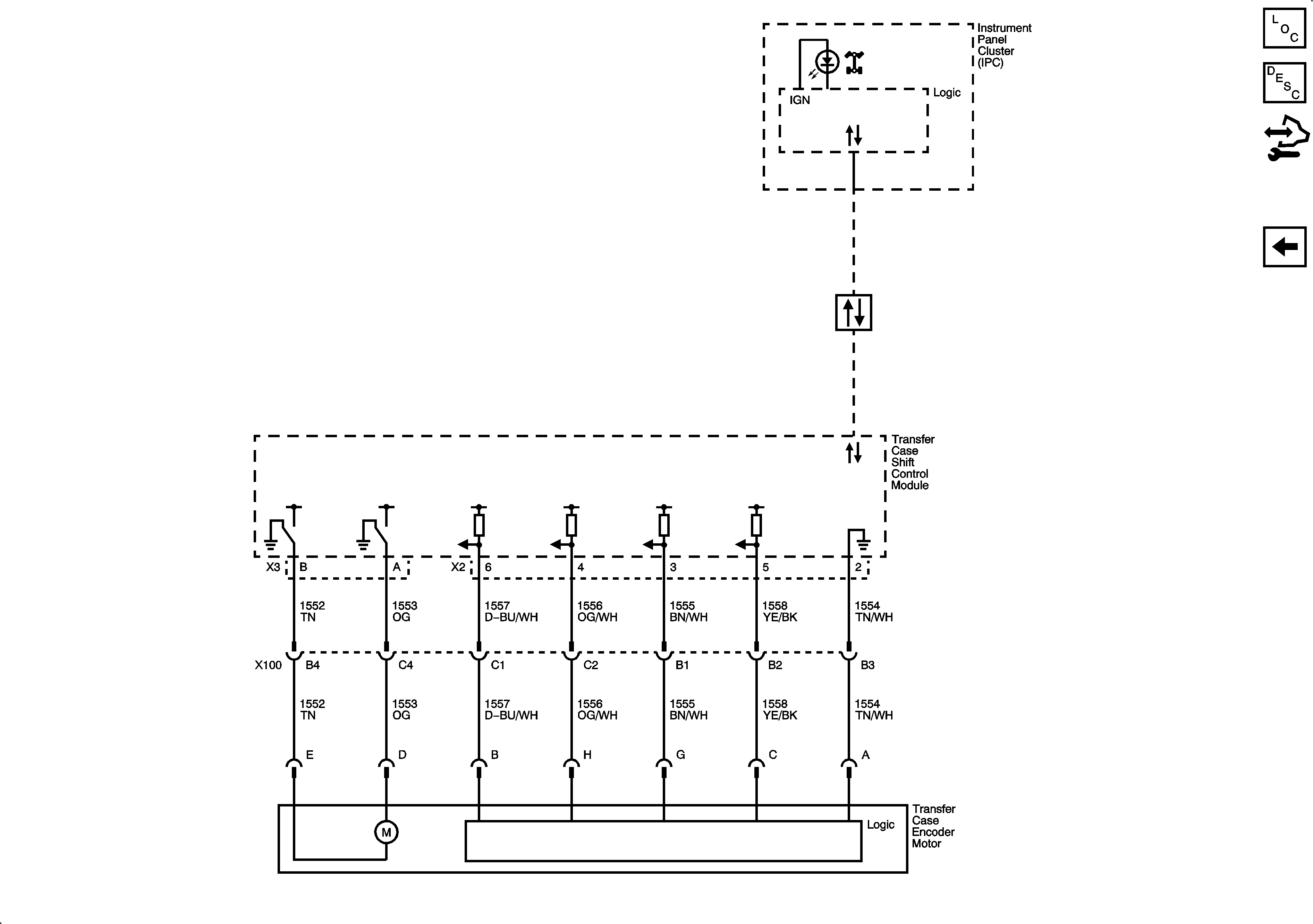
Figure
2:
Transfer Case Controls
Master Electrical Component List
Transfer Case Description and Operation
Control Module References
Power Ground and Shift Controls