GM Service Manual Online
For 1990-2009 cars only
Figure 1:

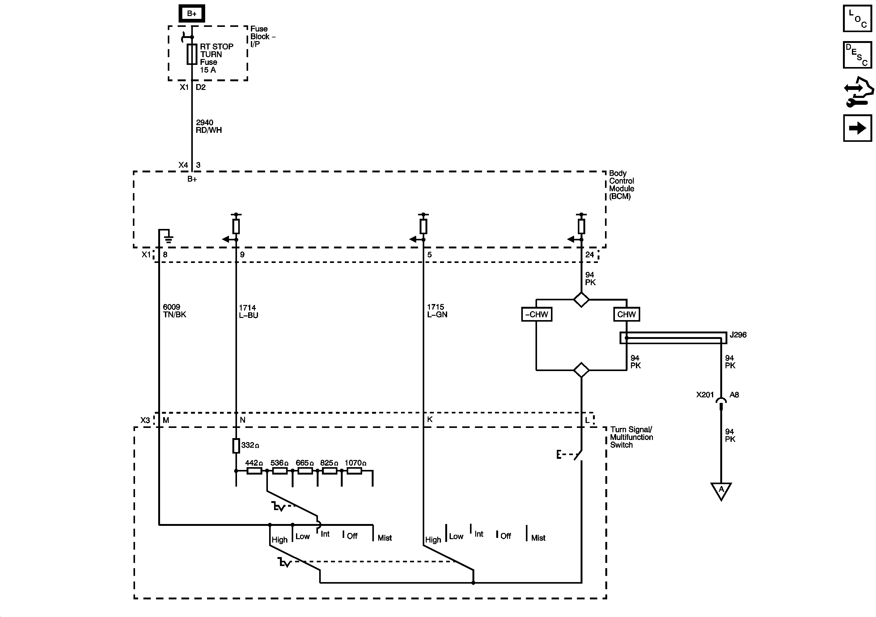
Wiper Controls


Object Number: 1961671  Size: FS
Master Electrical Component List
Wiper/Washer System Description and Operation
Control Module References
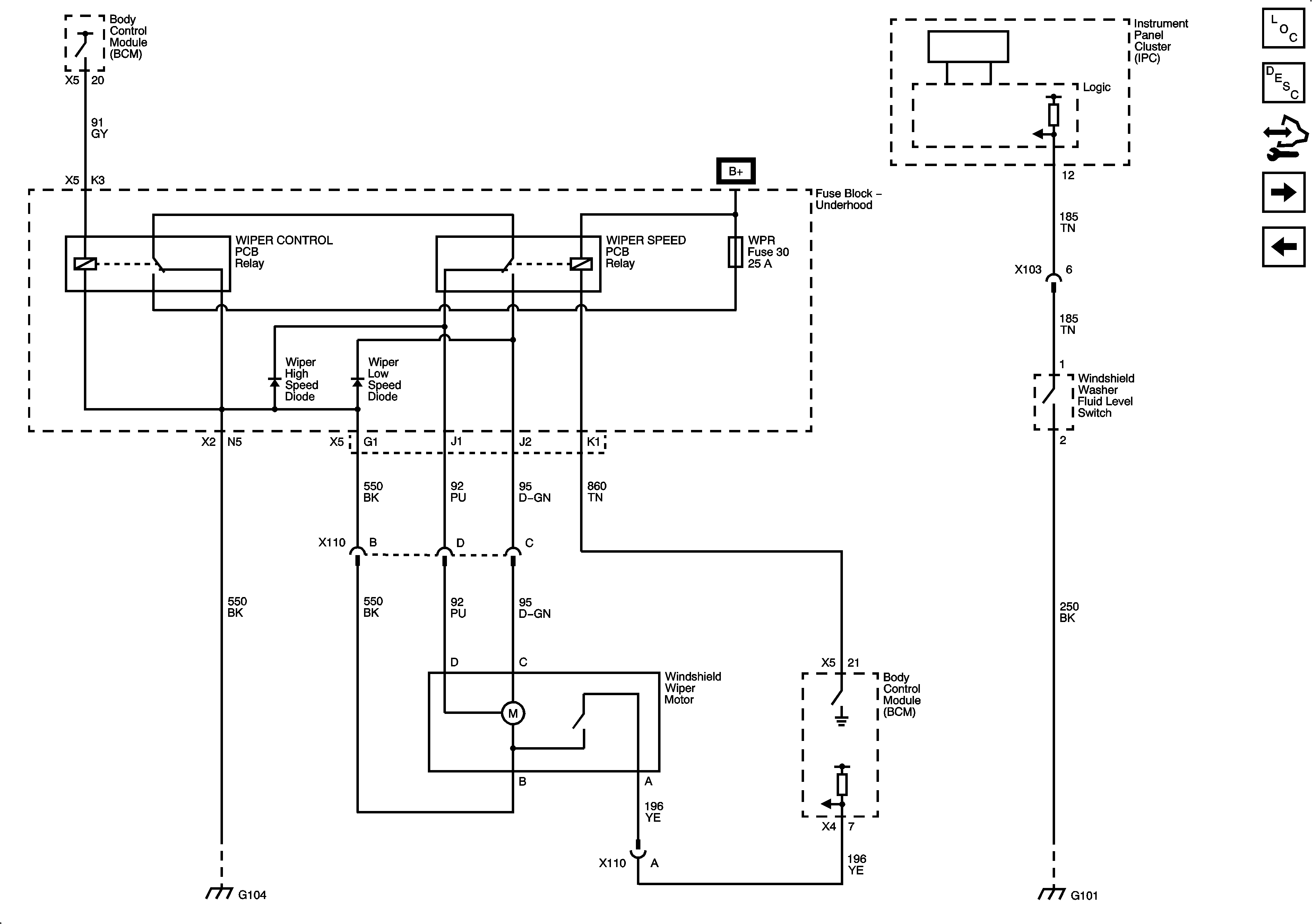
Wiper and Washer Motor Control
Figure 2:

Wiper and Washer Motor Control


Object Number: 1961675  Size: FS
Master Electrical Component List
Wiper/Washer System Description and Operation
Control Module References
Rear Wiper and Washer
Wiper Controls
Figure 3:

Rear Wiper and Washer


Object Number: 1961678  Size: FS
Master Electrical Component List
Rear Wiper/Washer System Description and Operation
Control Module References
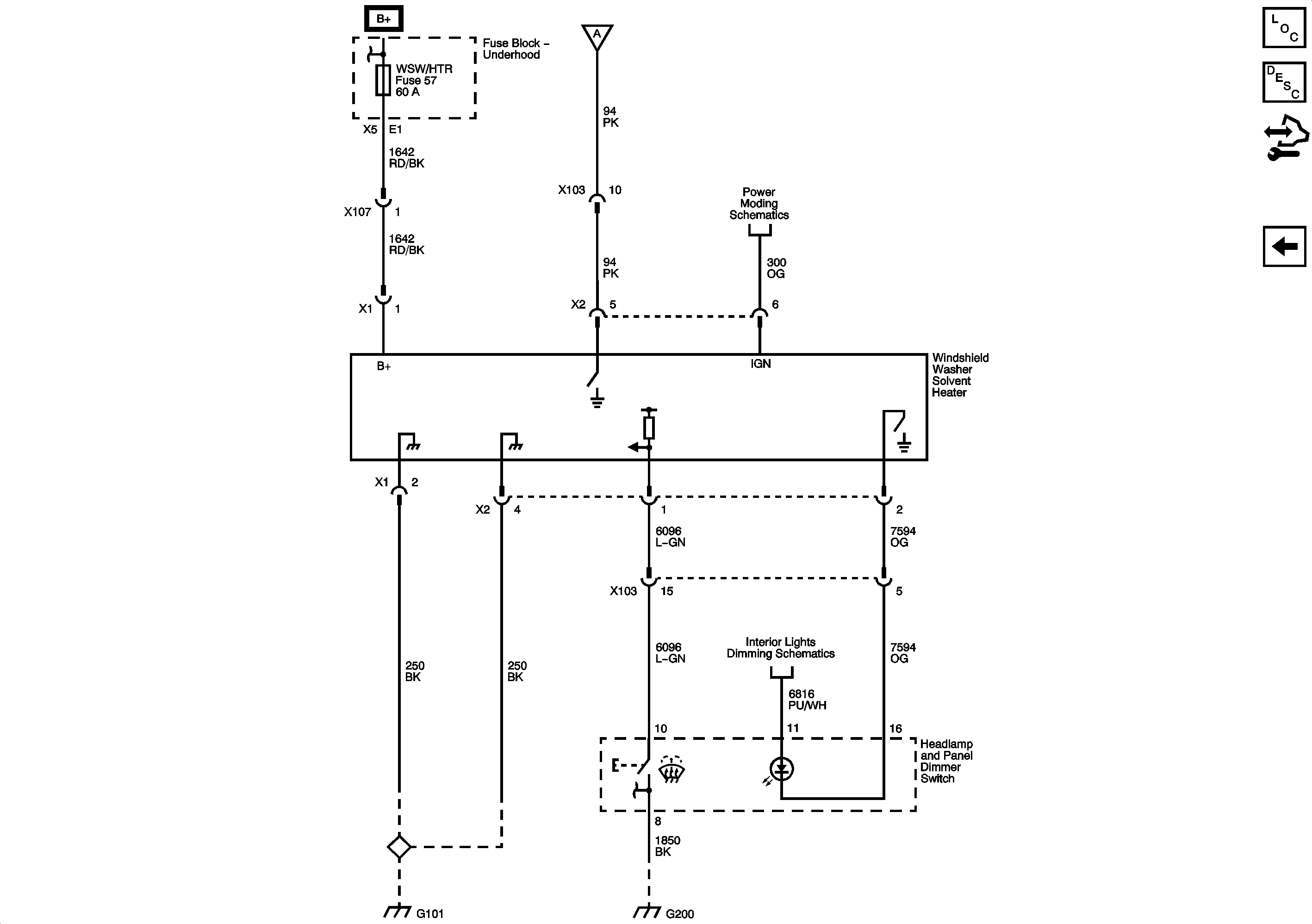
Heated Washer
Wiper and Washer Motor Control
Figure 4:

Heated Washer


Object Number: 1961682  Size: FS
Master Electrical Component List
Wiper/Washer System Description and Operation
Control Module References
Rear Wiper and Washer