GM Service Manual Online
For 1990-2009 cars only

Object Number: 1949976  Size: MF

Callout

Component Name

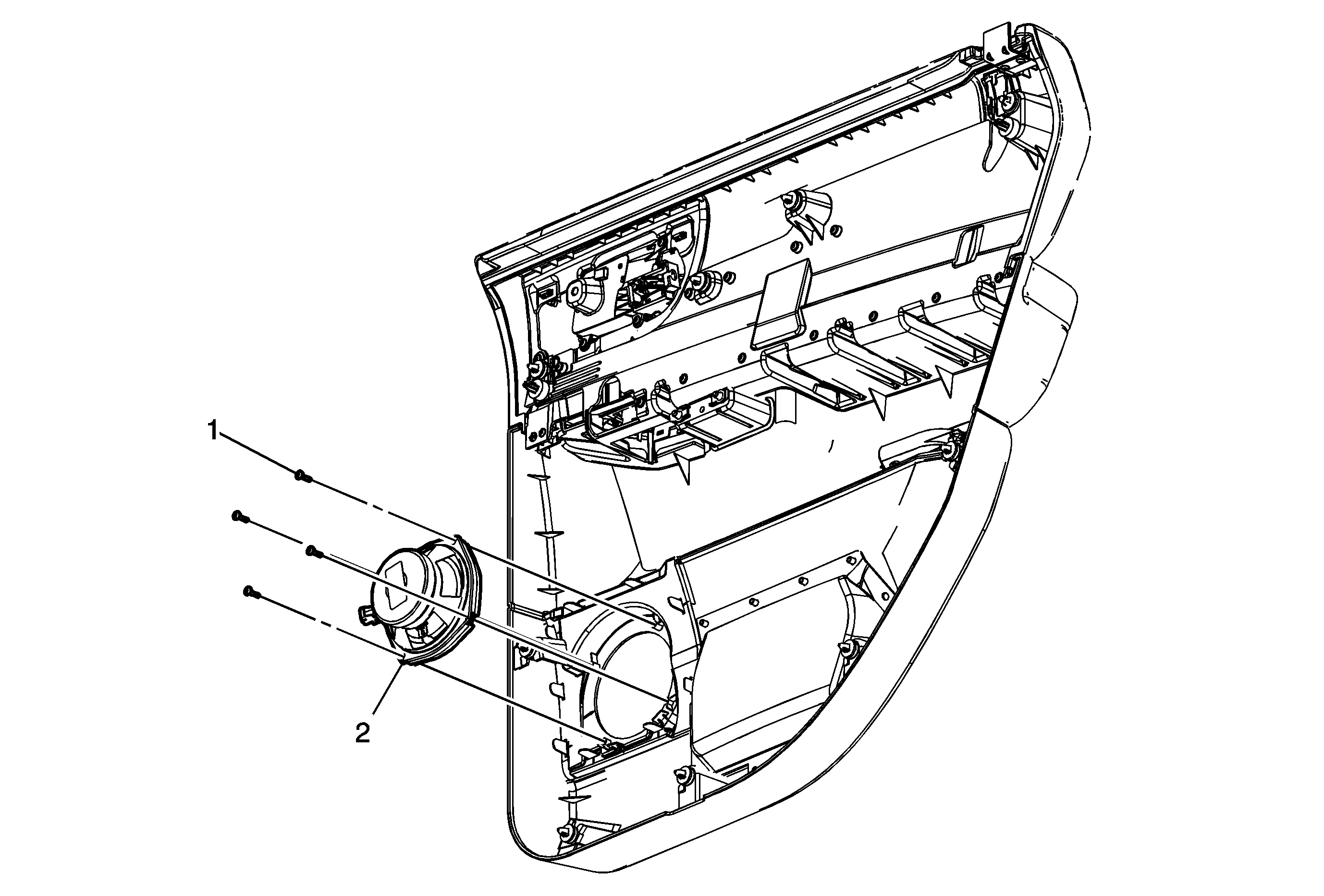
Preliminary Procedure

Remove the rear door inner trim panel. Refer to Rear Side Door Trim Panel Replacement.

1

Rear Side Door Speaker Screw (Qty: 4)

Notice: Refer to Fastener Notice in the Preface section.

Tighten
2.5 N·m (22 lb in)

2

Rear Side Door Speaker

Procedure

Disconnect the electrical connector.