GM Service Manual Online
For 1990-2009 cars only

Removal Procedure

  1. Remove the knee bolster. Refer to Driver Knee Bolster Replacement .

  2. Object Number: 1971092  Size: SH
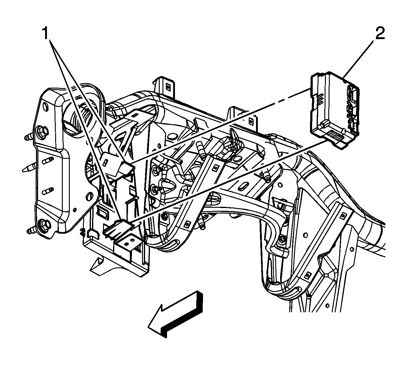
  3. Remove the electrical connectors (1) from the transfer case control module (2).

  4. Object Number: 1971095  Size: SH
  5. Release the transfer case control module from the bracket (1).
  6. Remove the transfer case control module (2).

Installation Procedure


    Object Number: 1971095  Size: SH
  1. Install the transfer case control module (2) to the bracket.
  2. Ensure the transfer case control module bracket clips (1) are securely retaining the module.

  3. Object Number: 1971092  Size: SH
  4. Install the electrical connectors (1) to the transfer case control module (2).
  5. Install the knee bolster. Refer to Driver Knee Bolster Replacement .
  6. Program the module. Refer to Transfer Case Shift Control Module Reprogramming .
  7. Start the engine and test the automatic transfer case system for proper shift operation.