GM Service Manual Online
For 1990-2009 cars only
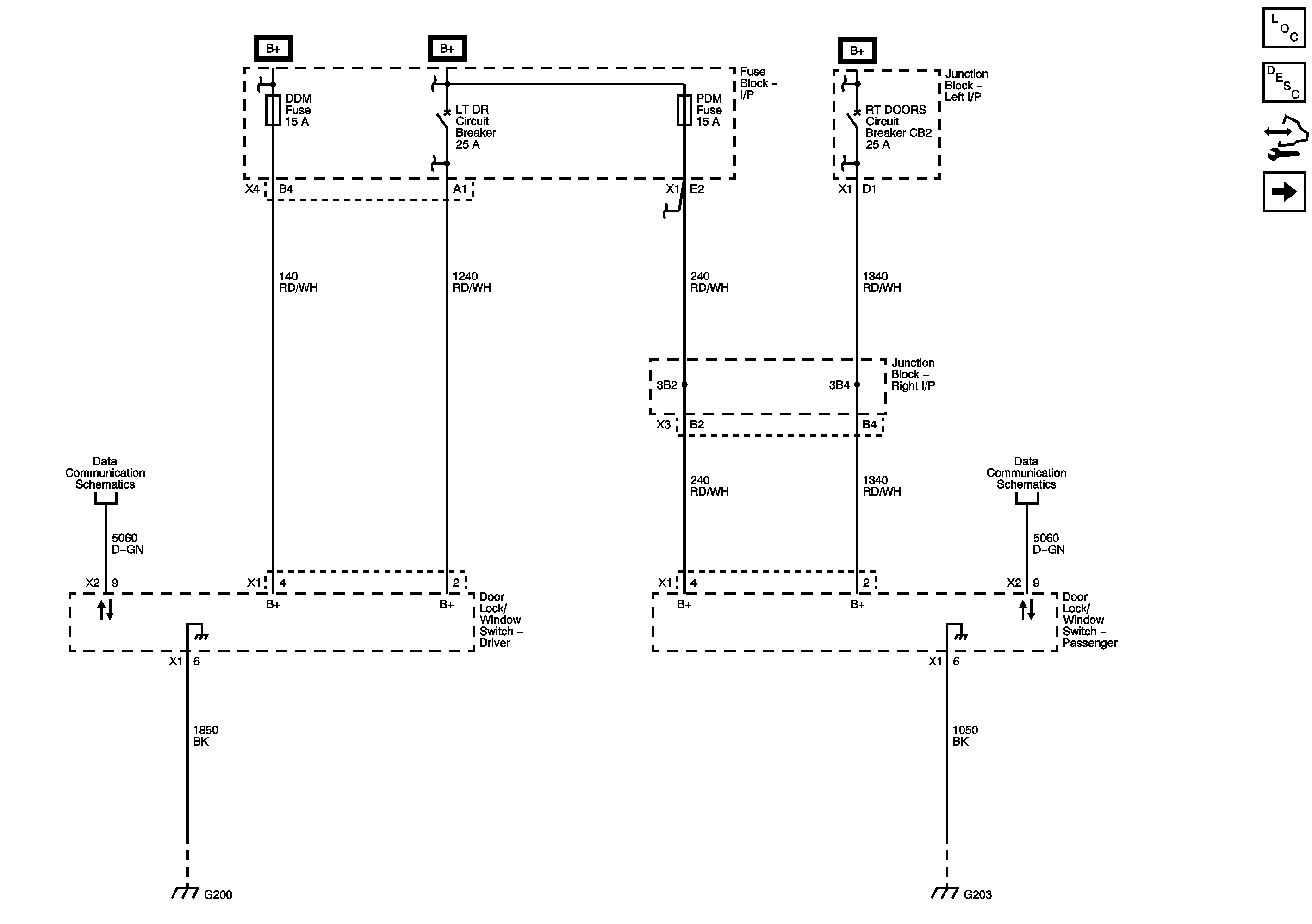
Figure 1:

Power, Ground and Serial Data


Object Number: 1961349  Size: FS
Master Electrical Component List
Power Windows Description and Operation
Control Module References
Exterior Lights, Interior Lights, Door Lock and Power Window References
Figure 2:

Exterior Lights, Interior Lights, Door Lock and Power Window References


Object Number: 1961352  Size: FS
Master Electrical Component List
Power Windows Description and Operation
Control Module References
Inside and Outside Rearview Mirror References
Power, Ground and Serial Data
Figure 3:

Inside and Outside Rearview Mirror References


Object Number: 1961356  Size: FS
Master Electrical Component List
Power Windows Description and Operation
Control Module References
Seat References
Exterior Lights, Interior Lights, Door Lock and Power Window References
Figure 4:

Seat References


Object Number: 1961358  Size: FS
Master Electrical Component List
Power Windows Description and Operation
Control Module References
Inside and Outside Rearview Mirror References