GM Service Manual Online
For 1990-2009 cars only
Figure 1:

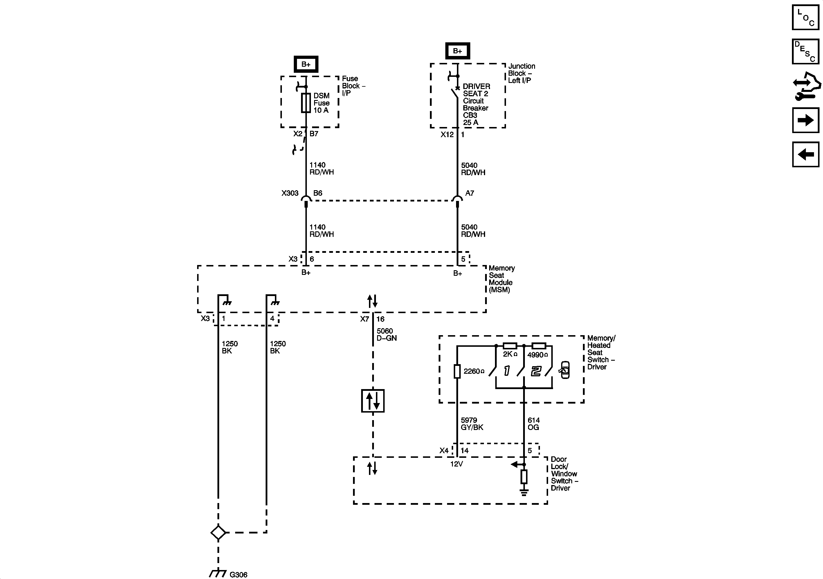
Module Power, Ground, Serial Data Memory Switch


Object Number: 1955300  Size: FS
Master Electrical Component List
Memory Seats Description and Operation
Control Module References
Seat Adjuster Switches
Figure 2:

Seat Adjuster Switches


Object Number: 1955304  Size: FS
Master Electrical Component List
Power Seats System Description and Operation
Control Module References
Motors and Position Sensors
Module Power, Ground, Serial Data Memory Switch
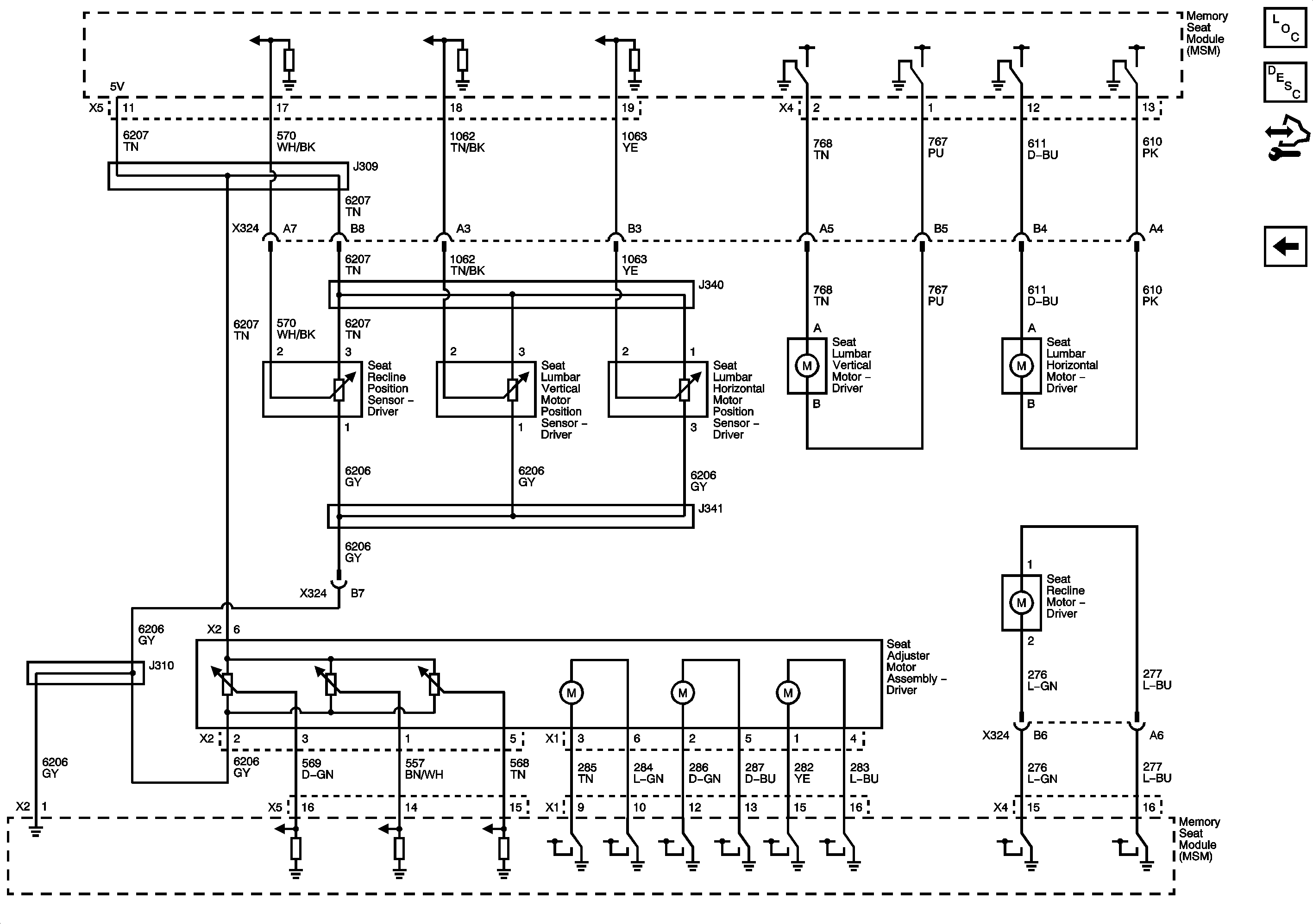
Figure 3:

Motors and Position Sensors


Object Number: 1955306  Size: FS
Master Electrical Component List
Power Seats System Description and Operation
Control Module References
Seat Adjuster Switches