GM Service Manual Online
For 1990-2009 cars only
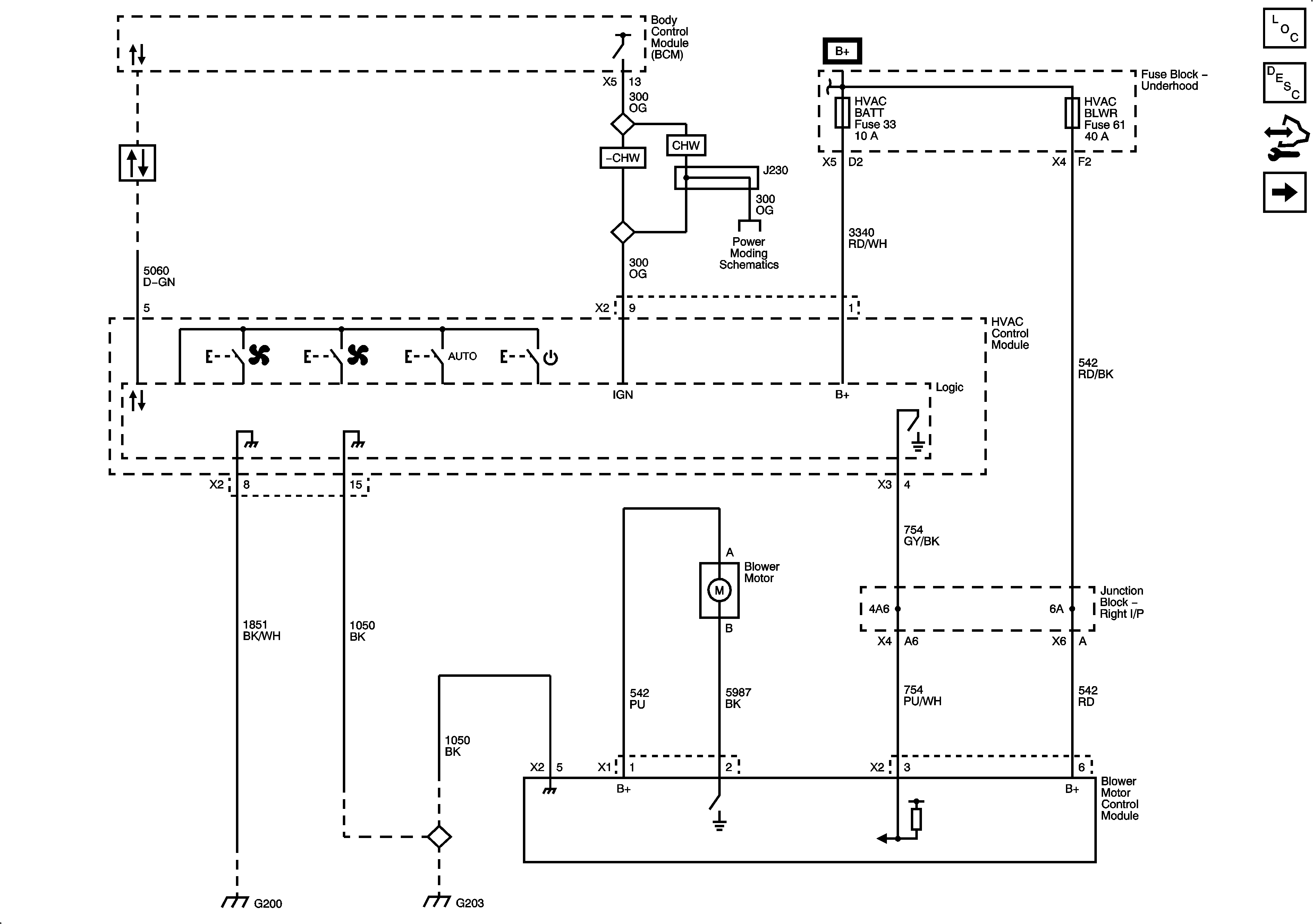
Figure 1:

Module Power, Ground, Serial Data and Blower Controls


Object Number: 1960980  Size: FS
Master Electrical Component List
Air Delivery Description and Operation
Control Module References
Mode Controls
Figure 2:

Mode Controls


Object Number: 1960984  Size: FS
Master Electrical Component List
Air Delivery Description and Operation
Control Module References
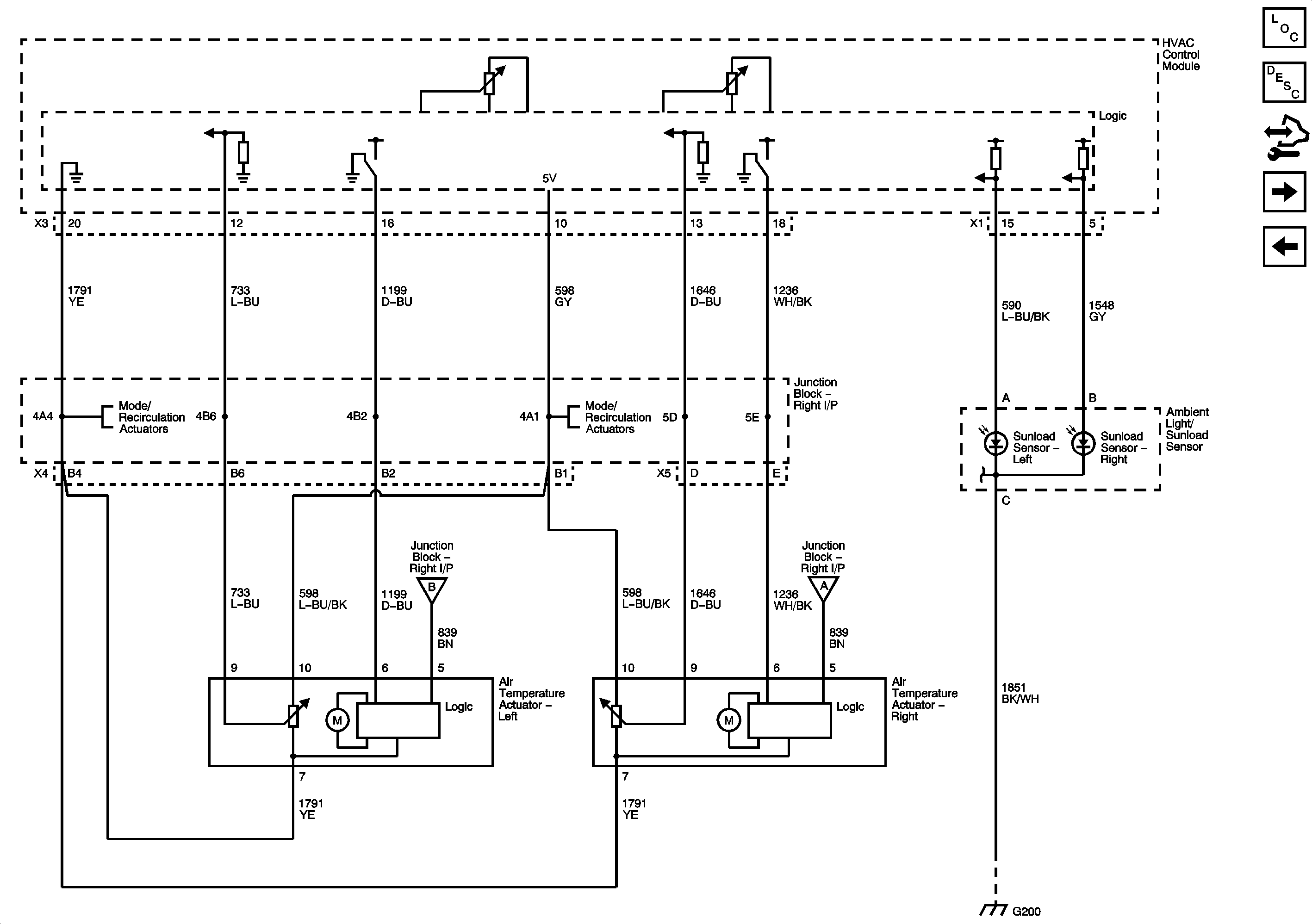
Temperature Controls
Module Power, Ground, Serial Data and Blower Controls
Figure 3:

Temperature Controls


Object Number: 1960985  Size: FS
Master Electrical Component List
Air Temperature Description and Operation
Control Module References
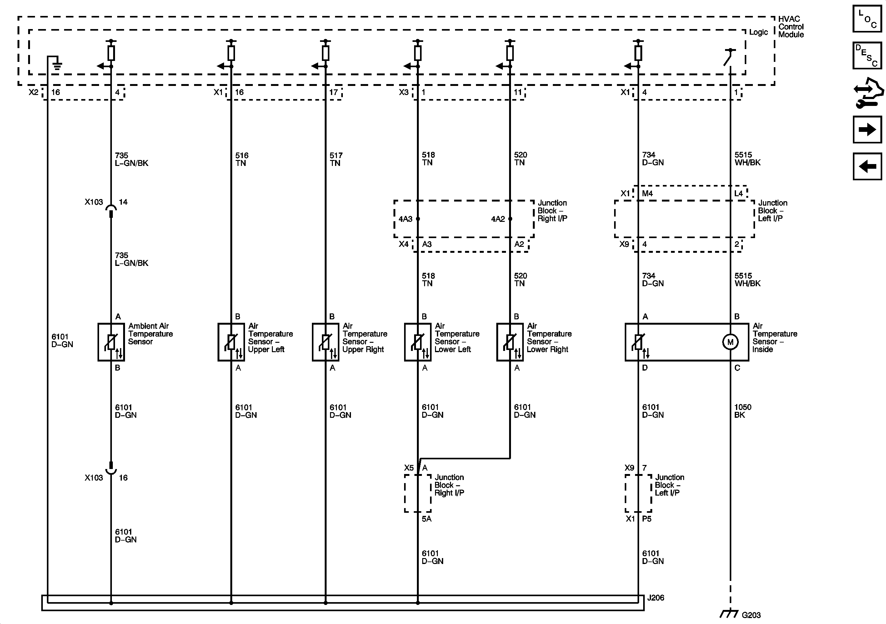
Temperature Sensors
Mode Controls
Figure 4:

Temperature Sensors


Object Number: 1960990  Size: FS
Master Electrical Component List
Air Temperature Description and Operation
Control Module References
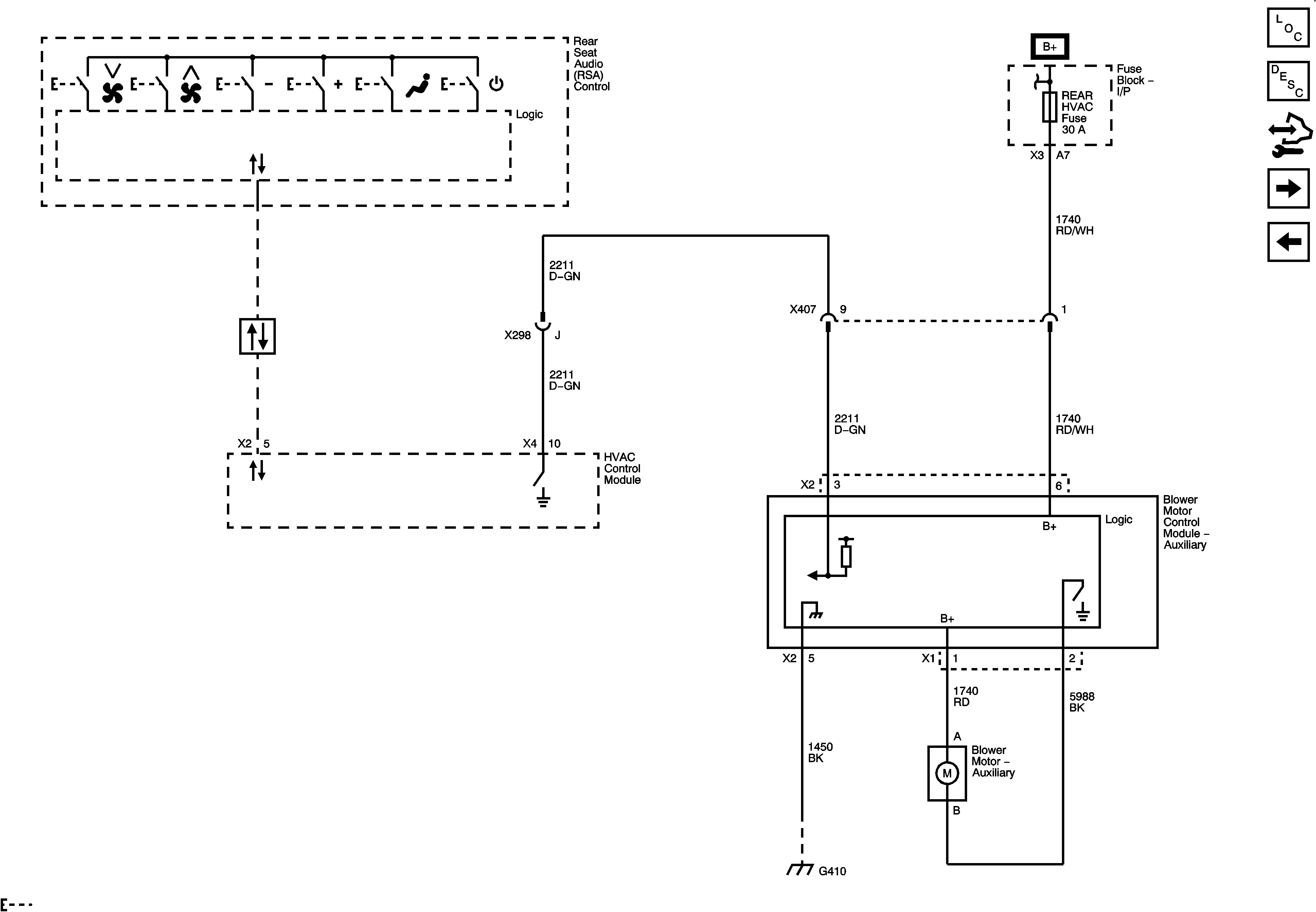
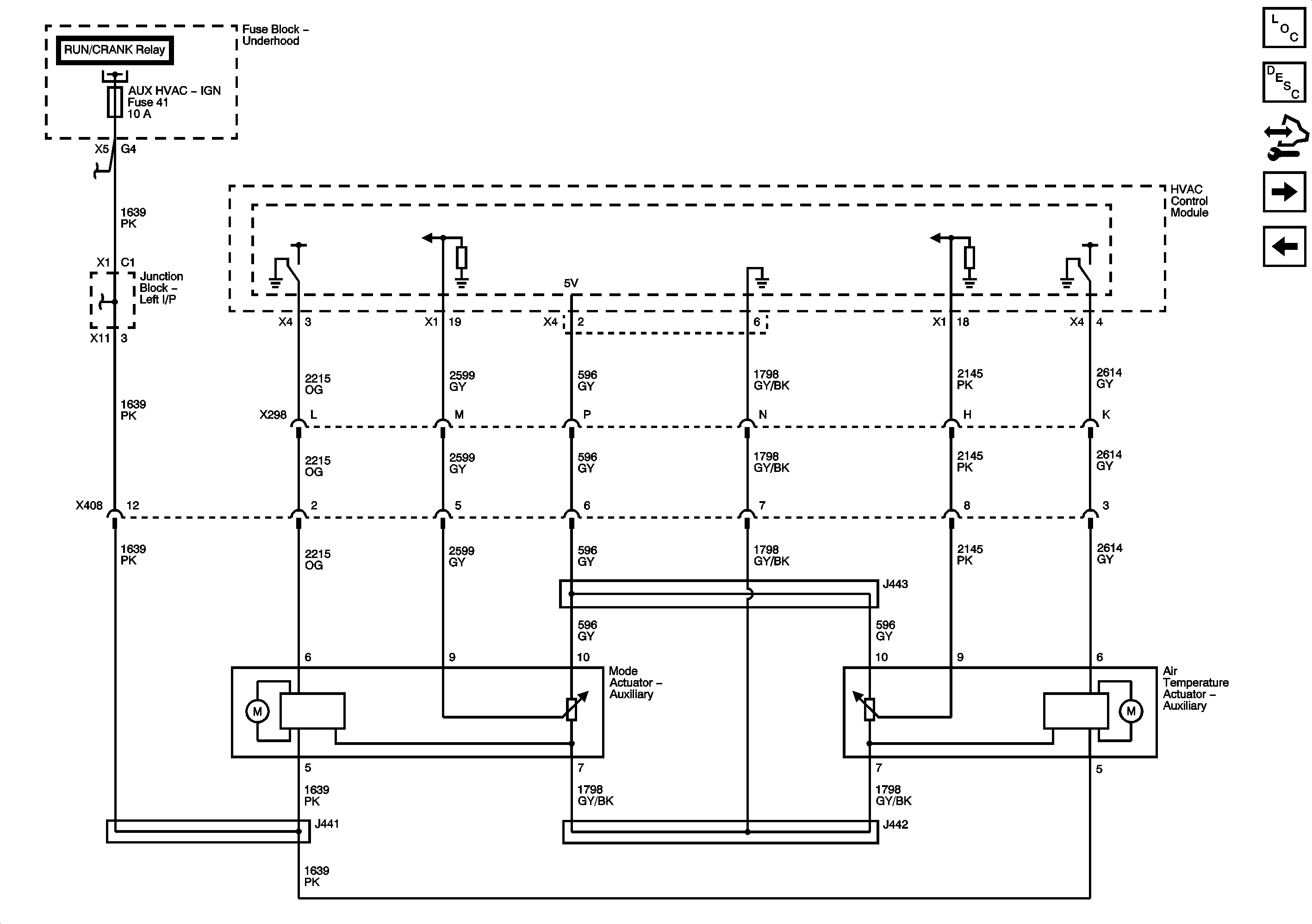
Auxiliary Blower Controls
Temperature Controls
Figure 5:

Auxiliary Blower Controls


Object Number: 2010786  Size: FS
Master Electrical Component List
Air Temperature Description and Operation
Control Module References
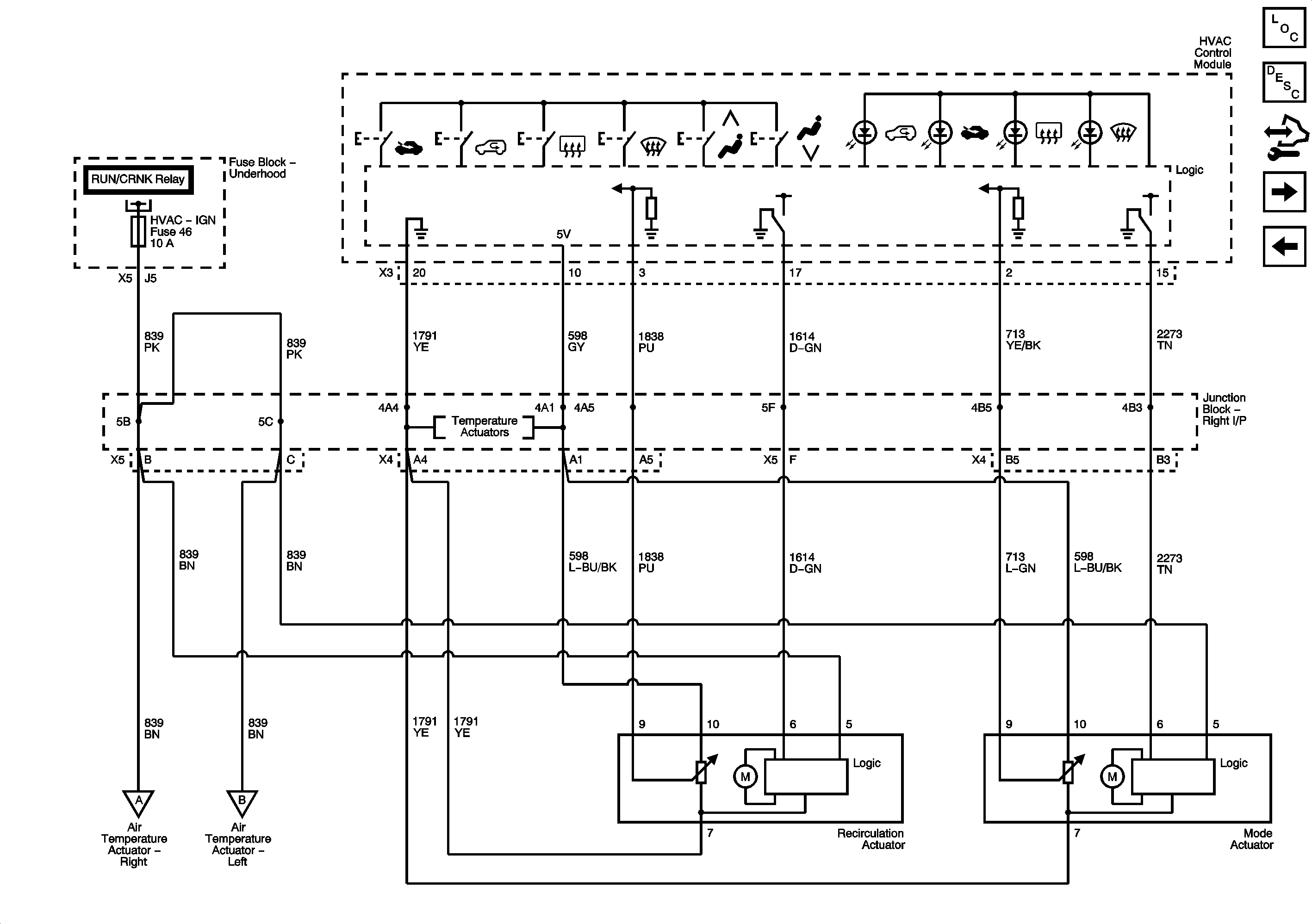
Auxiliary Mode and Temperature Controls
Temperature Sensors
Figure 6:

Auxiliary Mode and Temperature Controls


Object Number: 2010792  Size: FS
Master Electrical Component List
Air Temperature Description and Operation
Control Module References
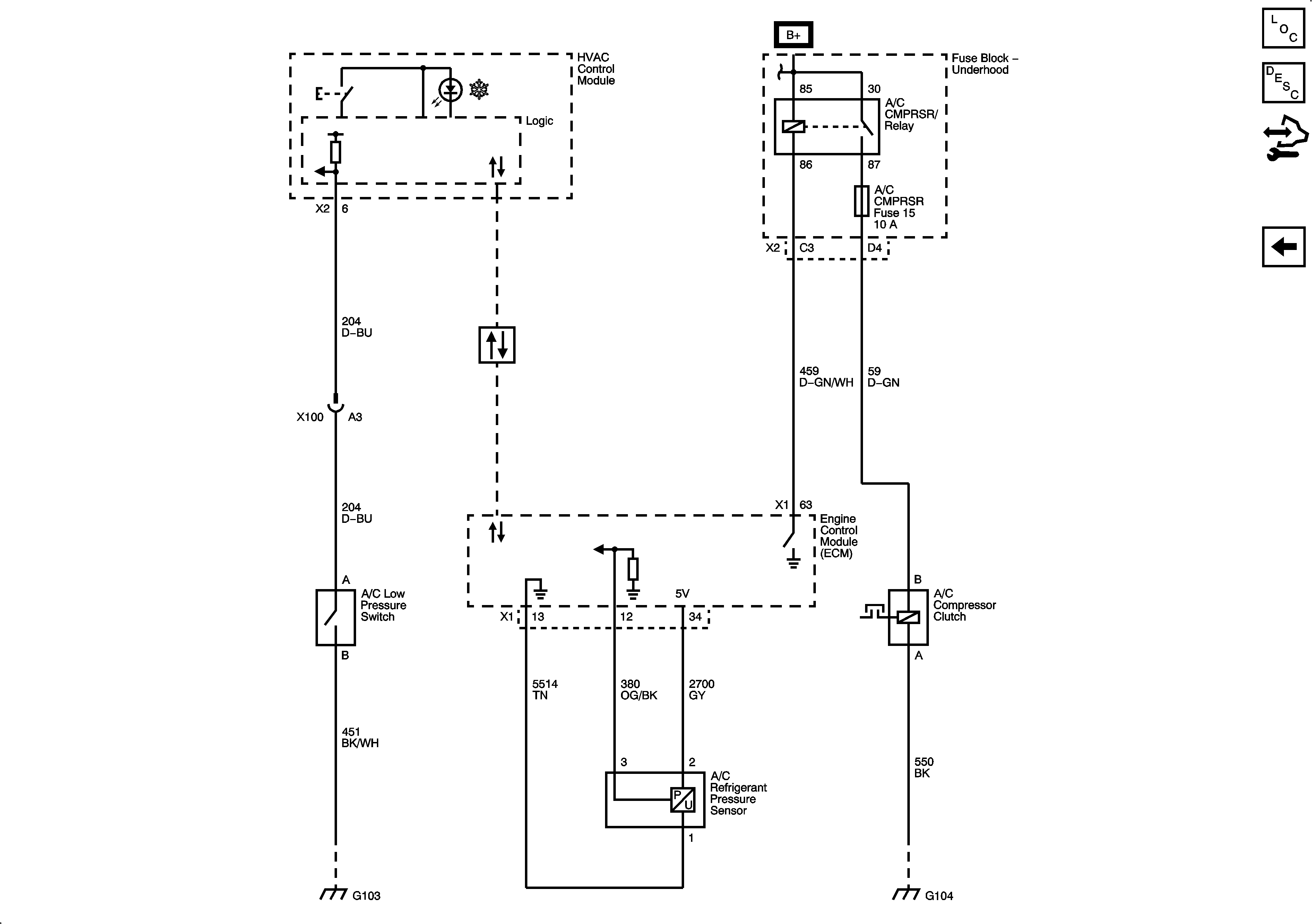
A/C Compressor Controls
Auxiliary Blower Controls
Figure 7:

A/C Compressor Controls


Object Number: 1960992  Size: FS
Master Electrical Component List
Air Temperature Description and Operation
Control Module References
Auxiliary Mode and Temperature Controls