GM Service Manual Online
For 1990-2009 cars only

Product Safety - ABS Operation

Subject:07221 - ABS Operation

Models:2008 HUMMER H2



Condition

General Motors has decided that a defect, which relates to motor vehicle safety, exists in certain 2008 HUMMER H2 vehicles. Certain wires in the ABS wheel speed sensor wiring harness may be reversed. This condition could result in increased stopping distance under certain circumstances. If vehicle stopping distance is increased, a crash could occur.

Correction

Depending on the VIN, dealers are to correct the ABS wheel speed sensor wiring if required, reprogram the brake control module, or both.

Vehicles Involved

Involved vehicles, and their required repairs, are listed below.

VIN

Required Service

8H100108

Reprogram Only

8H100111

Both Procedures

8H100112

Both Procedures

8H100113

Both Procedures

8H100114

Both Procedures

8H100115

Both Procedures

8H100116

Both Procedures

8H100118

Both Procedures

8H100121

Both Procedures

8H100122

Both Procedures

8H100123

Both Procedures

8H100126

Both Procedures

8H100127

Both Procedures

8H100128

Both Procedures

8H100130

Both Procedures

8H100131

Both Procedures

8H100132

Both Procedures

8H100133

Wire Repair Only

8H100134

Both Procedures

8H100135

Both Procedures

8H100136

Both Procedures

8H100137

Wire Repair Only

8H100138

Both Procedures

8H100139

Both Procedures

8H100140

Both Procedures

8H100141

Both Procedures

8H100142

Both Procedures

8H100145

Both Procedures

8H100146

Both Procedures

8H100147

Both Procedures

8H100149

Both Procedures

8H100150

Both Procedures

8H100151

Both Procedures

8H100154

Both Procedures

8H100155

Both Procedures

8H100156

Both Procedures

8H100159

Wire Repair Only

8H100160

Both Procedures

8H100162

Both Procedures

8H100163

Wire Repair Only

8H100164

Both Procedures

8H100165

Both Procedures

8H100166

Both Procedures

8H100167

Both Procedures

8H100170

Both Procedures

8H100171

Both Procedures

8H100172

Both Procedures

8H100173

Both Procedures

8H100174

Both Procedures

8H100175

Both Procedures

8H100177

Both Procedures

8H100179

Both Procedures

8H100180

Wire Repair Only

8H100181

Both Procedures

8H100182

Both Procedures

8H100183

Both Procedures

8H100184

Both Procedures

8H100185

Wire Repair Only

8H100186

Both Procedures

8H100188

Both Procedures

8H100189

Both Procedures

8H100190

Both Procedures

8H100191

Both Procedures

8H100192

Both Procedures

8H100193

Both Procedures

8H100194

Both Procedures

8H100195

Both Procedures

8H100197

Wire Repair Only

8H100198

Both Procedures

8H100199

Wire Repair Only

8H100200

Both Procedures

8H100201

Both Procedures

8H100202

Both Procedures

8H100203

Both Procedures

8H100204

Both Procedures

8H100205

Both Procedures

8H100208

Both Procedures

8H100210

Both Procedures

8H100211

Both Procedures

8H100212

Both Procedures

8H100213

Both Procedures

8H100214

Both Procedures

8H100217

Both Procedures

8H100218

Both Procedures

8H100219

Wire Repair Only

8H100220

Both Procedures

8H100221

Both Procedures

8H100223

Both Procedures

8H100224

Both Procedures

8H100226

Both Procedures

8H100227

Both Procedures

8H100232

Both Procedures

8H100233

Both Procedures

8H100234

Both Procedures

8H100235

Both Procedures

8H100237

Both Procedures

8H100238

Both Procedures

8H100239

Both Procedures

8H100240

Both Procedures

8H100241

Both Procedures

8H100242

Both Procedures

8H100243

Both Procedures

8H100245

Both Procedures

8H100246

Both Procedures

8H100247

Both Procedures

8H100248

Both Procedures

8H100250

Both Procedures

8H100252

Both Procedures

8H100253

Both Procedures

8H100254

Both Procedures

8H100255

Both Procedures

8H100257

Both Procedures

8H100258

Both Procedures

8H100259

Both Procedures

8H100260

Both Procedures

8H100261

Both Procedures

8H100262

Both Procedures

8H100264

Both Procedures

8H100265

Both Procedures

8H100267

Both Procedures

8H100269

Both Procedures

8H100270

Both Procedures

8H100271

Wire Repair Only

8H100272

Both Procedures

8H100273

Both Procedures

8H100274

Both Procedures

8H100275

Both Procedures

8H100276

Both Procedures

8H100278

Both Procedures

8H100279

Both Procedures

8H100280

Both Procedures

8H100281

Both Procedures

8H100282

Both Procedures

8H100284

Both Procedures

8H100285

Both Procedures

8H100286

Both Procedures

8H100287

Both Procedures

8H100288

Both Procedures

8H100289

Wire Repair Only

8H100292

Wire Repair Only

8H100293

Both Procedures

8H100294

Both Procedures

8H100295

Wire Repair Only

8H100297

Both Procedures

8H100298

Both Procedures

8H100299

Both Procedures

8H100300

Both Procedures

8H100302

Both Procedures

8H100303

Wire Repair Only

8H100304

Both Procedures

8H100305

Both Procedures

8H100306

Both Procedures

8H100307

Both Procedures

8H100308

Both Procedures

8H100310

Both Procedures

8H100312

Both Procedures

8H100313

Both Procedures

8H100314

Both Procedures

8H100315

Both Procedures

8H100316

Both Procedures

8H100317

Both Procedures

8H100318

Both Procedures

8H100319

Both Procedures

8H100321

Both Procedures

8H100324

Both Procedures

8H100325

Both Procedures

8H100327

Both Procedures

8H100328

Both Procedures

8H100329

Both Procedures

8H100330

Both Procedures

8H100332

Both Procedures

8H100333

Both Procedures

8H100334

Both Procedures

8H100336

Both Procedures

8H100337

Both Procedures

8H100338

Both Procedures

8H100339

Both Procedures

8H100340

Both Procedures

8H100341

Both Procedures

8H100342

Both Procedures

8H100343

Both Procedures

8H100344

Wire Repair Only

8H100347

Wire Repair Only

8H100349

Both Procedures

8H100351

Both Procedures

8H100353

Both Procedures

8H100355

Both Procedures

8H100356

Both Procedures

8H100357

Both Procedures

8H100361

Both Procedures

8H100364

Wire Repair Only

8H100366

Both Procedures

8H100367

Both Procedures

8H100368

Both Procedures

8H100369

Both Procedures

8H100370

Both Procedures

8H100371

Both Procedures

8H100372

Both Procedures

8H100374

Both Procedures

8H100375

Both Procedures

8H100376

Both Procedures

8H100377

Both Procedures

8H100378

Both Procedures

8H100380

Both Procedures

8H100383

Both Procedures

8H100385

Both Procedures

8H100386

Both Procedures

8H100388

Both Procedures

8H100392

Both Procedures

8H100393

Both Procedures

8H100394

Wire Repair Only

8H100395

Both Procedures

8H100397

Both Procedures

8H100398

Both Procedures

8H100400

Wire Repair Only

8H100405

Both Procedures

8H100406

Both Procedures

8H100408

Wire Repair Only

8H100410

Both Procedures

8H100412

Both Procedures

8H100414

Both Procedures

8H100415

Both Procedures

8H100417

Both Procedures

8H100418

Both Procedures

8H100424

Both Procedures

8H100425

Both Procedures

8H100426

Both Procedures

8H100427

Both Procedures

8H100431

Both Procedures

8H100432

Both Procedures

8H100436

Both Procedures

8H100439

Both Procedures

8H100440

Both Procedures

8H100444

Both Procedures

8H100445

Both Procedures

8H100448

Both Procedures

8H100449

Both Procedures

8H100451

Wire Repair Only

8H100454

Both Procedures

8H100455

Both Procedures

8H100456

Both Procedures

8H100457

Wire Repair Only

8H100458

Both Procedures

8H100462

Both Procedures

8H100463

Both Procedures

8H100465

Both Procedures

8H100466

Both Procedures

8H100468

Both Procedures

8H100469

Wire Repair Only

8H100472

Both Procedures

8H100473

Both Procedures

8H100475

Wire Repair Only

8H100478

Both Procedures

8H100479

Both Procedures

8H100480

Both Procedures

8H100481

Both Procedures

8H100483

Both Procedures

8H100486

Reprogram Only

8H100487

Both Procedures

8H100488

Both Procedures

8H100491

Both Procedures

8H100496

Both Procedures

8H100497

Both Procedures

8H100499

Wire Repair Only

8H100501

Both Procedures

8H100502

Both Procedures

8H100503

Both Procedures

8H100505

Wire Repair Only

8H100506

Both Procedures

8H100508

Both Procedures

8H100509

Both Procedures

8H100510

Both Procedures

8H100511

Both Procedures

8H100512

Both Procedures

8H100513

Both Procedures

8H100515

Both Procedures

8H100519

Reprogram Only

8H100520

Both Procedures

8H100526

Both Procedures

8H100528

Both Procedures

8H100530

Both Procedures

8H100537

Both Procedures

8H100538

Both Procedures

8H100542

Both Procedures

8H100543

Both Procedures

8H100544

Wire Repair Only

8H100547

Both Procedures

8H100549

Both Procedures

8H100551

Both Procedures

8H100553

Both Procedures

8H100555

Both Procedures

8H100556

Both Procedures

8H100557

Both Procedures

8H100560

Both Procedures

8H100562

Wire Repair Only

8H100563

Both Procedures

8H100565

Both Procedures

8H100566

Wire Repair Only

8H100568

Both Procedures

8H100569

Wire Repair Only

8H100571

Reprogram Only

8H100574

Both Procedures

8H100576

Both Procedures

8H100579

Wire Repair Only

8H100581

Wire Repair Only

8H100583

Both Procedures

8H100584

Both Procedures

8H100585

Both Procedures

8H100590

Both Procedures

8H100591

Both Procedures

8H100593

Both Procedures

8H100594

Both Procedures

8H100595

Both Procedures

8H100596

Both Procedures

8H100597

Both Procedures

8H100603

Reprogram Only

8H100607

Both Procedures

8H100613

Both Procedures

8H100617

Both Procedures

8H100619

Wire Repair Only

8H100623

Both Procedures

8H100629

Both Procedures

8H100633

Both Procedures

8H100637

Both Procedures

8H100638

Both Procedures

8H100639

Both Procedures

8H100641

Both Procedures

8H100642

Both Procedures

8H100644

Both Procedures

8H100647

Both Procedures

8H100661

Both Procedures

8H100664

Both Procedures

8H100667

Both Procedures

8H100668

Both Procedures

8H100674

Both Procedures

8H100678

Both Procedures

8H100681

Wire Repair Only

8H100682

Both Procedures

8H100689

Both Procedures

8H100690

Both Procedures

8H100694

Wire Repair Only

8H100696

Both Procedures

8H100698

Wire Repair Only

8H100707

Both Procedures

8H100708

Both Procedures

8H100714

Wire Repair Only

8H100721

Both Procedures

8H100727

Both Procedures

8H100733

Reprogram Only

8H100739

Both Procedures

8H100748

Both Procedures

8H100752

Wire Repair Only

8H100757

Both Procedures

8H100777

Both Procedures

8H100788

Both Procedures

8H100793

Reprogram Only

8H100798

Wire Repair Only

8H100801

Both Procedures

8H100811

Both Procedures

8H100823

Both Procedures

8H100824

Both Procedures

8H100876

Both Procedures

8H100926

Reprogram Only

8H100939

Reprogram Only

8H100955

Reprogram Only

8H100967

Wire Repair Only

8H101133

Wire Repair Only

8H101143

Wire Repair Only

Important: Dealers are to confirm vehicle eligibility prior to beginning repairs by using the GM Vehicle Inquiry System (GMVIS).

For dealers/ with involved vehicles, a listing with involved vehicles containing the complete vehicle identification number, customer name, and address information has been prepared and will be provided through the applicable system listed below. Dealers will not have a report available if they have no involved vehicles currently assigned.

-- US dealers - GM DealerWorld Recall Information

-- Canadian dealers - GMinfoNet Recall Reports

The listing may contain customer names and addresses obtained from Motor Vehicle Registration Records. The use of such motor vehicle registration data for any purpose other than follow-up necessary to complete this recall is a violation of law in several states/provinces/countries. Accordingly, you are urged to limit the use of this report to the follow-up necessary to complete this recall.

Parts Information

No parts are required for this recall.

Service Procedure

Important: See the Vehicles Involved section of this bulletin to determine the service required for each individual vehicle.

Wire Repair (use only if applicable - refer to the Vehicles Involved section of this bulletin)

  1. Hook up the Tech 2 to the vehicle.
  2. 1.1. Capture the DTCs, if required.
    1.2. Clear the DTCs, if required.
    1.3. Ensure that there are no DTCs present before proceeding to Step 2.
  3. Lift and support the vehicle. Refer to Lifting and Jacking the Vehicle in SI.

  4. Object Number: 2006005  Size: SH

    Object Number: 2006006  Size: SH
  5. Disconnect the left front and left rear wheel speed sensor wires. The front wheel speed sensor wire can be disconnected at the connection near the upper control arm pivot point on the frame (1). The left rear wheel speed sensor wire can be disconnected at the wheel speed sensor on the end of the axle housing near the wheel (2).
  6. Using the Tech 2, determine if the DTC set corresponds to the wheel speed sensor that was disconnected.
  7. • If the DTC set corresponds to the sensor disconnected, proceed to Step 11.
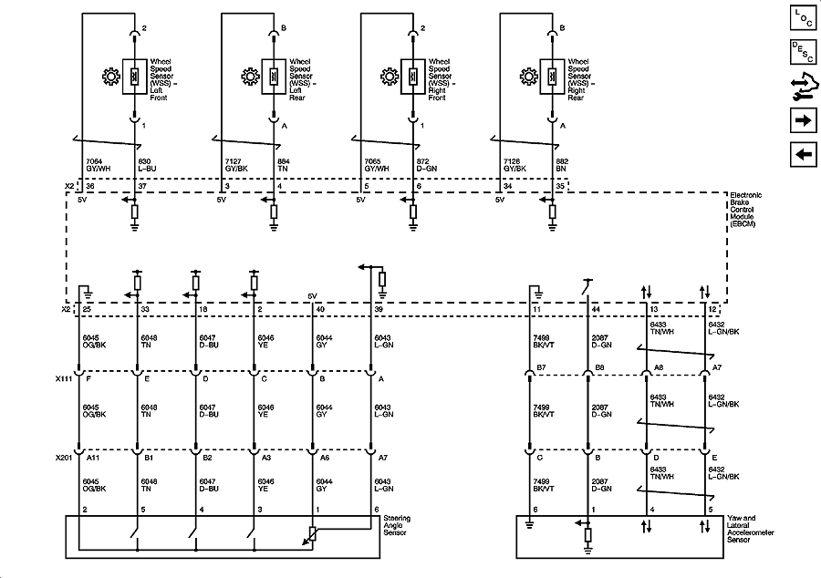
    • If the DTC set does NOT correspond to the sensor disconnected, then the left and right wheel speed sensor wires are cross-wired. Lower the vehicle. Refer to the EBCM Wiring Schematic and Step 5.

    Object Number: 2006007  Size: MF

    Object Number: 2013601  Size: SH

    Object Number: 2006008  Size: SH
  8. Locate the electronic brake control module connector (EBCM).

  9. Object Number: 2006010  Size: SH
  10. Press the release tab and remove the under hood fuse block cover.

  11. Object Number: 2006011  Size: SH
  12. Press and hold the release tab while lifting to remove the connector from the EBCM, and fully open the connector to access the wires.

  13. Object Number: 2006012  Size: SH
  14. Remove the white dress cover from the connector.
  15. Refer to the EBCM Wiring Schematic to locate the correct connector cavities and terminal wire colors for the cross-wired wheel speed sensors. Note: Wires into cavities 6 and 37 may be switched (front wheels) or wires into cavities 4 and 35 may be switched (rear wheels).

  16. Object Number: 2006015  Size: SH

    Object Number: 2006016  Size: SH
  17. Remove one of the cross-wired terminal wires from its connector cavity and install this terminal wire in the correct location of the connector. Do likewise with the other cross-wired terminal wire. The two wires should now be located in each other's original pin locations in the connector.
  18. Connect the wheel speed sensors and clear the DTCs. Ensure that there are no DTCs set.
  19. Lower the vehicle.

Reprogram Procedure - (use only if applicable - see the Vehicles Involved section of this bulletin)

Tech 2 Legacy or J2534 Pass-Thru Programming Method for the EBCM

Important: : If Tech 2 Legacy or J2534 Pass-Thru programming fails, call Techline Customer Support Center (TCSC) at 1-800-828-6860 (English) or 1-800-503-3222 (French). A "Candi" module is necessary.

Calibration Information

Do not attempt to order the calibration number from GMSPO. The calibration numbers required for this service procedure are programmed into control modules via a Techline Tech 2® scan tool and TIS 2 Web with the calibration update. Use TIS 2 Web version 9.0 for 2007 (available on 09/03/07). If you cannot access the calibration, call the Techline Customer Support Center at 1-800-828-6860 (English) or 1-800-503-3222 (French) and it will be provided.

Notice: Before reprogramming, please check the battery condition to prevent a reprogramming error of any of the modules due to battery discharge. Battery voltage must be between 12 and 16 volts during reprogramming. If the vehicle battery is not fully charged, use jumper cables from an additional battery. Be sure to turn off or disable any system that may put a load on the battery, such as automatic headlamps, daytime running lights, interior lights, heating, ventilation, and air conditioning (HVAC) system, radio, engine cooling fan, etc. A programming failure or control module damage may occur if battery voltage guidelines are not observed.

The ignition switch must be in the proper position. The Service Programming System (SPS) application prompts you to turn ON the ignition, with the engine OFF. DO NOT change the position of the ignition switch during the programming procedure, unless instructed to do so.

Make certain all tool connections are secure, including the following components and circuits:

    • The RS-232 communication cable port
    • The connection at the data link connector (DLC)
    • The voltage supply circuits

DO NOT disturb the tool harnesses while programming. If an interruption occurs during the programming procedure, programming failure or control module damage may occur.

DO NOT turn OFF the ignition if the programming procedure is interrupted or unsuccessful. Ensure that all control module and DLC connections are secure and the TIS terminal operating software is up to date.

  1. Verify that there is a battery charge of 12 to 16 volts. The battery must be able to maintain a charge during programming. Use an additional jump battery if necessary. Only use approved Midtronics charger or Jumper Packs, etc. to maintain proper battery voltage during programming.
  2. Reprogram the electronic brake control module (EBCM). Refer to SI and Service Programming System (SPS) documentation for EBCM programming instructions, if required.

Courtesy Transportation

The General Motors Courtesy Transportation Program is intended to minimize customer inconvenience when a vehicle requires a repair that is covered by the New Vehicle Limited Warranty. The availability of courtesy transportation to customers whose vehicles are within the warranty coverage period and involved in a product recall is very important in maintaining customer satisfaction. Dealers are to ensure that these customers understand that shuttle service or some other form of courtesy transportation is available and will be provided at no charge. Dealers should refer to the General Motors Service Policies and Procedures Manual for courtesy transportation guidelines.

Claim Information

Submit a Product Recall Claim with the information indicated below:

Repair Performed

Part Count

Part No.

Parts Allow

CC-FC

Labor Op

Labor Hours

Wheel Speed Sensor Diagnostic Test Only - No Wire Repair

N/A

N/A

N/A

MA-96

V1699

0.4

Wheel Speed Sensor Diagnostic Test Only - Wire Repair Req'd.

N/A

N/A

N/A

MA-96

V1700

0.8

Wheel Speed Sensor Diagnostic Test & EBCM Reprogramming (No Wire Repair Req'd)

N/A

N/A

N/A

MA-96

V1701

0.8

Wheel Speed Sensor Diagnostic Test, Wire Repair, & EBCM Reprogramming

N/A

N/A

N/A

MA-96

V1702

1.2

EBCM Reprogramming Only (Wheel Speed Sensor Diagnostic Test Not Required)

N/A

N/A

N/A

MA-96

V1703

0.4

Courtesy Transportation for vehicles within the New Vehicle Limited Warranty (US & Canadian GM Dealers)

N/A

N/A

N/A

MA-96

*

N/A

* Submit courtesy transportation using normal labor operations for courtesy transportation as indicated in the GM Service Policies and Procedures Manual for vehicles within the New Vehicle Limited Warranty.

Refer to the General Motors WINS Claims Processing Manual for details on Product Recall Claim Submission.

Customer Notification

General Motors will notify customers of this recall on their vehicle (see copy of customer letter included with this bulletin).

Dealer Recall Responsibility - For US (US States, Territories and Possessions)

The US National Traffic and Motor Vehicle Safety Act provides that each vehicle that is subject to a recall of this type must be adequately repaired within a reasonable time after the customer has tendered it for repair. A failure to repair within sixty days after tender of a vehicle is prima facie evidence of failure to repair within a reasonable time. If the condition is not adequately repaired within a reasonable time, the customer may be entitled to an identical or reasonably equivalent vehicle at no charge or to a refund of the purchase price less a reasonable allowance for depreciation. To avoid having to provide these burdensome remedies, every effort must be made to promptly schedule an appointment with each customer and to repair their vehicle as soon as possible. In the recall notification letters, customers are told how to contact the US National Highway Traffic Safety Administration if the recall is not completed within a reasonable time.

Dealer Recall Responsibility - All

All unsold new vehicles in dealers' possession and subject to this recall must be held and inspected/repaired per the service procedure of this recall bulletin before customers take possession of these vehicles.

Dealers are to service all vehicles subject to this recall at no charge to customers, regardless of mileage, age of vehicle, or ownership, from this time forward.

Customers who have recently purchased vehicles sold from your vehicle inventory, and for which there is no customer information indicated on the dealer listing, are to be contacted by the dealer. Arrangements are to be made to make the required correction according to the instructions contained in this bulletin. A copy of the customer letter is provided in this bulletin for your use in contacting customers. Recall follow-up cards should not be used for this purpose, since the customer may not as yet have received the notification letter.

In summary, whenever a vehicle subject to this recall enters your vehicle inventory, or is in your dealership for service in the future, you must take the steps necessary to be sure the recall correction has been made before selling or releasing the vehicle.

September 2007

Dear General Motors Customer:

This notice is sent to you in accordance with the requirements of the National Traffic and Motor Vehicle Safety Act.

General Motors has decided that a defect that relates to motor vehicle safety exists in certain 2008 HUMMER H2 vehicles. As a result, GM is conducting a safety recall. We apologize for this inconvenience. However, we are concerned about your safety and continued satisfaction with our products.

Important: 

   • Your vehicle is involved in safety recall 07221.
   • Schedule an appointment with your GM dealer.
   • This service will be performed for you at no charge .

Why is your vehicle being recalled?

Certain wires in the ABS wheel speed sensor wiring harness may be reversed. This condition could result in increased stopping distance under certain circumstances. If vehicle stopping distance is increased, a crash could occur.

What will we do?

Your GM dealer will correct the ABS wheel speed sensor wiring, if required, and in some cases, reprogram the brake control module. This service will be performed for you at no charge. Because of service scheduling requirements, it is likely that your dealer will need your vehicle longer than the actual service correction time of approximately 20 minutes to 1 hour and 15 minutes, depending on the service required.

If your vehicle is within the New Vehicle Limited Warranty your dealer may provide you with shuttle service or some other form of courtesy transportation while your vehicle is at the dealership for this repair. Please refer to your Owner’s Manual and your dealer for details on courtesy transportation.

What should you do?

You should contact your GM dealer to arrange a service appointment as soon as possible. Bring the enclosed customer reply form with you when you visit your dealer. The form identifies the repairs required. If you no longer own this vehicle, please let us know by completing the form and mailing it back to us.

Do you have questions?

If you have questions or concerns that your dealer is unable to resolve, please contact the appropriate Customer Assistance Center at the number listed below. More information about this recall can be found at the Owner Center at MyGMLink, http://www.gm.com/recall

Division

Number

Text Telephones (TTY)

HUMMER

1-866-964-8663

 

Guam

1-671-648-8650

 

Puerto Rico - English

1-800-496-9992

 

Puerto Rico - EspaƱol

1-800-496-9993

 

Virgin Islands

1-800-496-9994

 

If after contacting your dealer and the Customer Assistance Center, you are still not satisfied we have done our best to remedy this condition without charge and within a reasonable time, you may wish to write the Administrator, National Highway Traffic Safety Administration, 1200 New Jersey Avenue, SE, Washington DC 20590, or call the toll-free Vehicle Safety Hotline at 1.888.327.4236 (TTY 1.800.424.9153), or go to http://www.safercar.gov.

Federal regulation requires that any vehicle lessor receiving this recall notice must forward a copy of this notice to the lessee within ten days.

Scott Lawson

General Director,

Customer and Relationship Services

Enclosure

07221