GM Service Manual Online
For 1990-2009 cars only
Makes
🢒
HUMMER
🢒
2008
🢒
H2
🢒 SPO Alarm
SPO Alarm
SPO Alarm
Master Electrical Component List
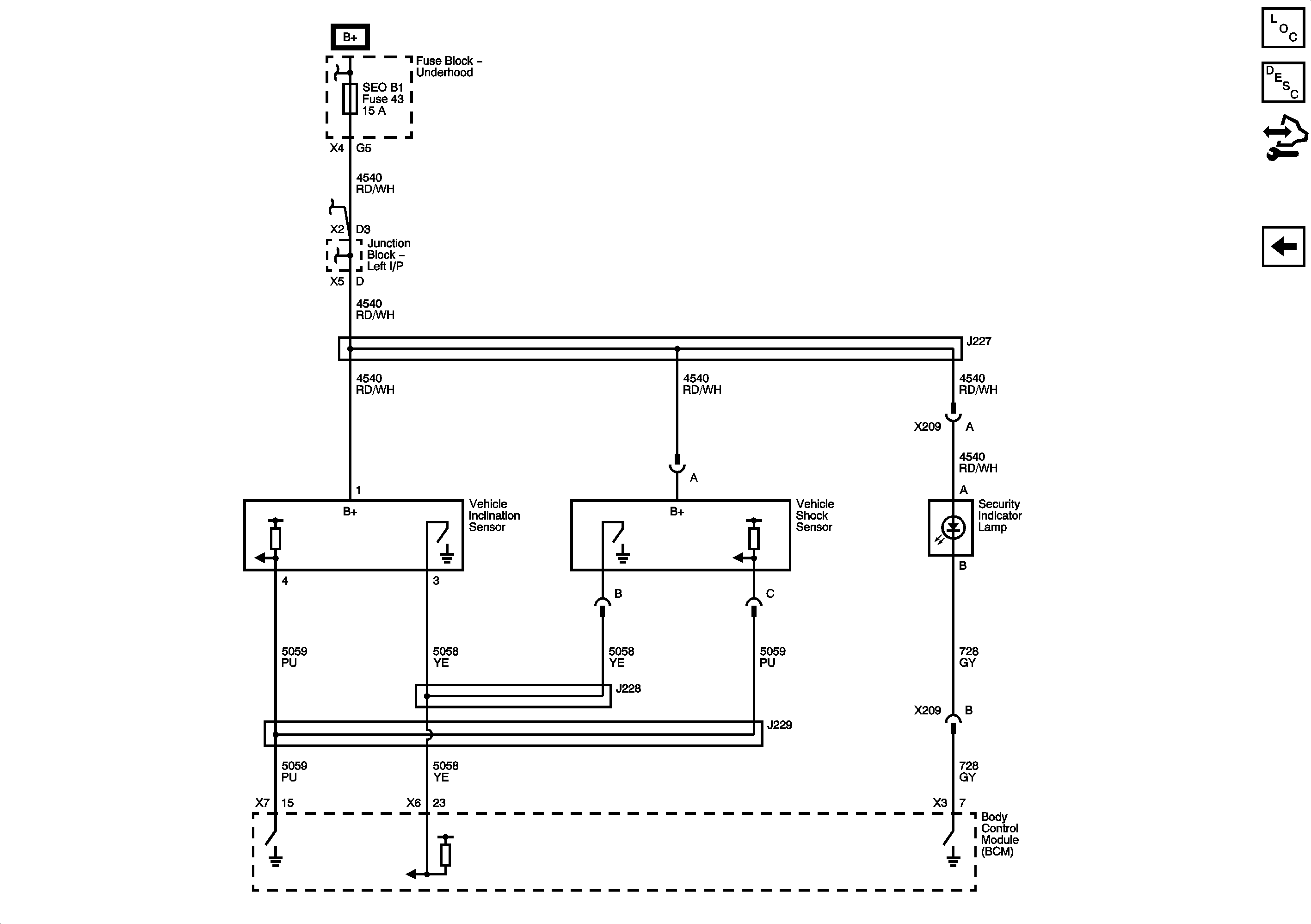
Content Theft Deterrent (CTD) Description and Operation
Control Module References
Theft Deterrent System Schematics