GM Service Manual Online
For 1990-2009 cars only
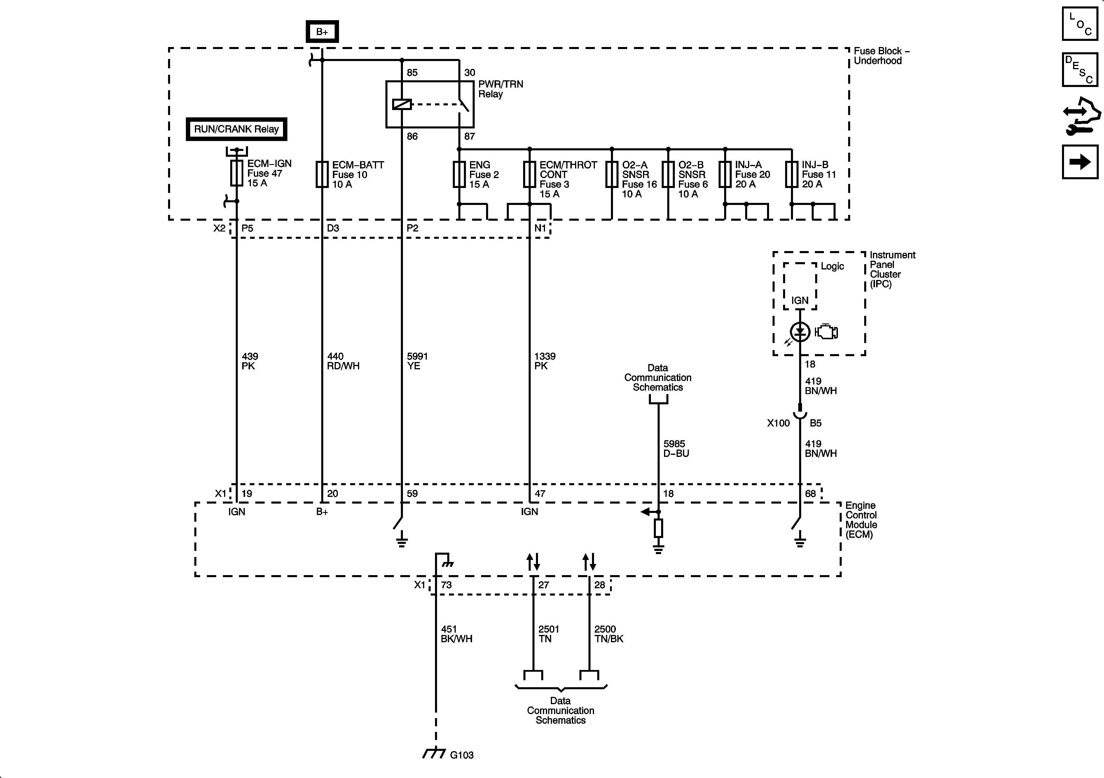
Figure 1:

Module Power, Ground and Serial Data References


Object Number: 2097180  Size: FS
Figure 2:

5-Volt and Low Reference


Object Number: 2097181  Size: FS
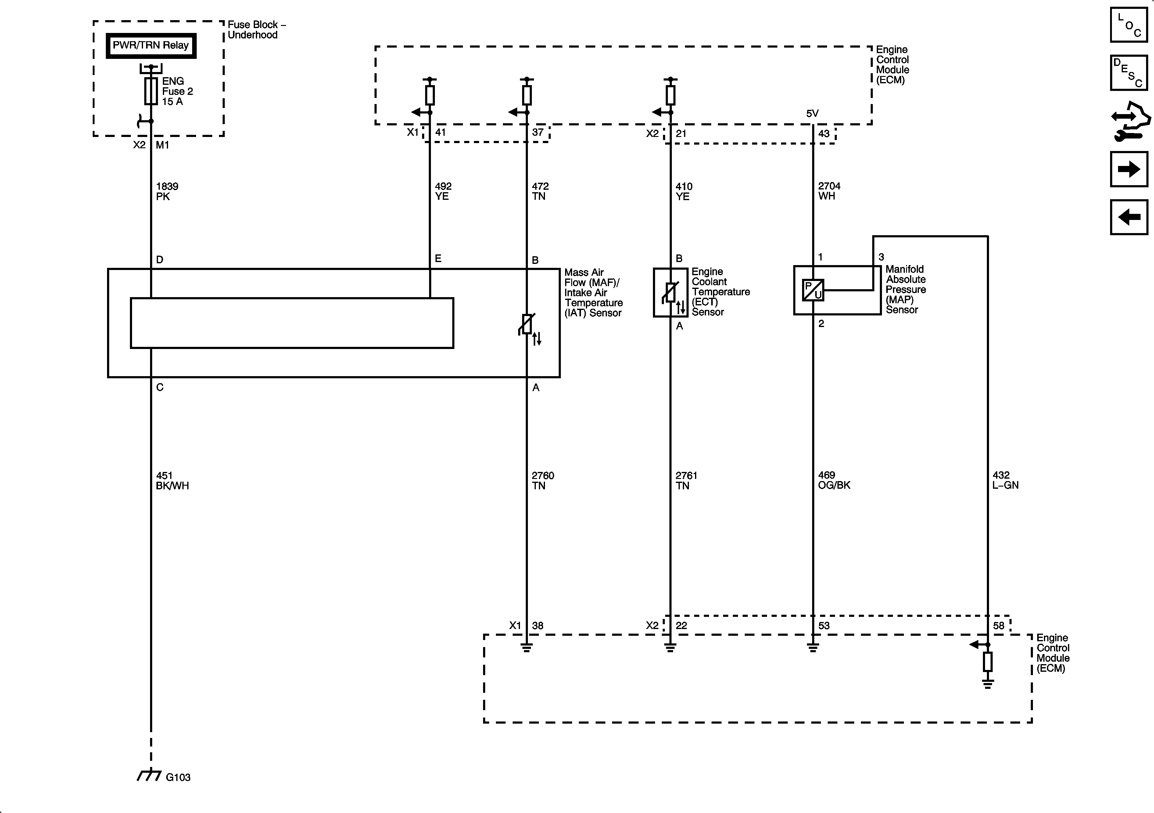
Figure 3:

Engine Data Sensors - Pressure and Temperature


Object Number: 2097182  Size: FS
Figure 4:

Engine Data Sensors - Heated Oxygen Sensors


Object Number: 2097183  Size: FS
Figure 5:

Engine Data Sensors - Throttle Controls


Object Number: 2097184  Size: FS
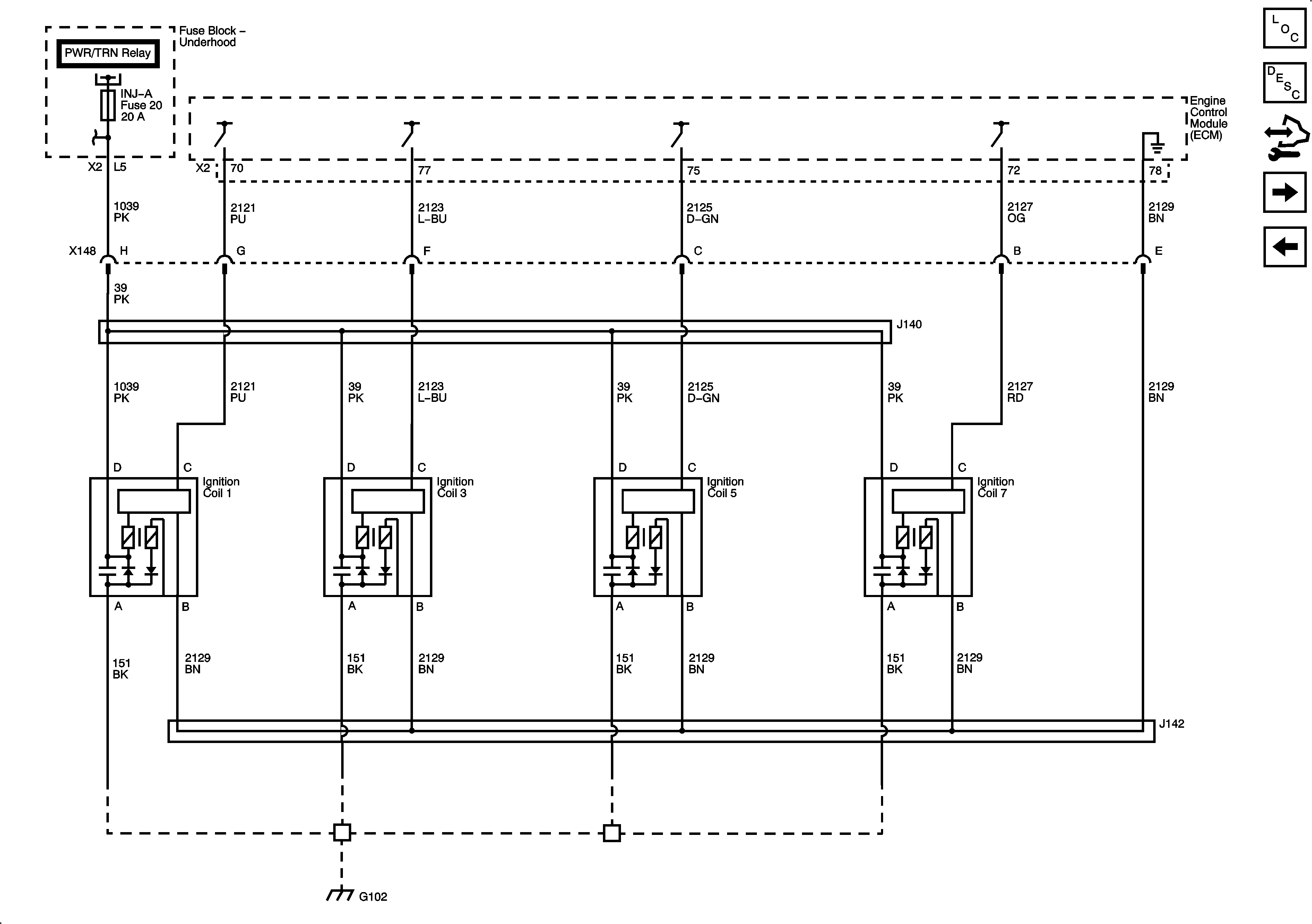
Figure 6:

Ignition Controls - Ignition System Coils 1, 3, 5 and 7


Object Number: 2097185  Size: FS
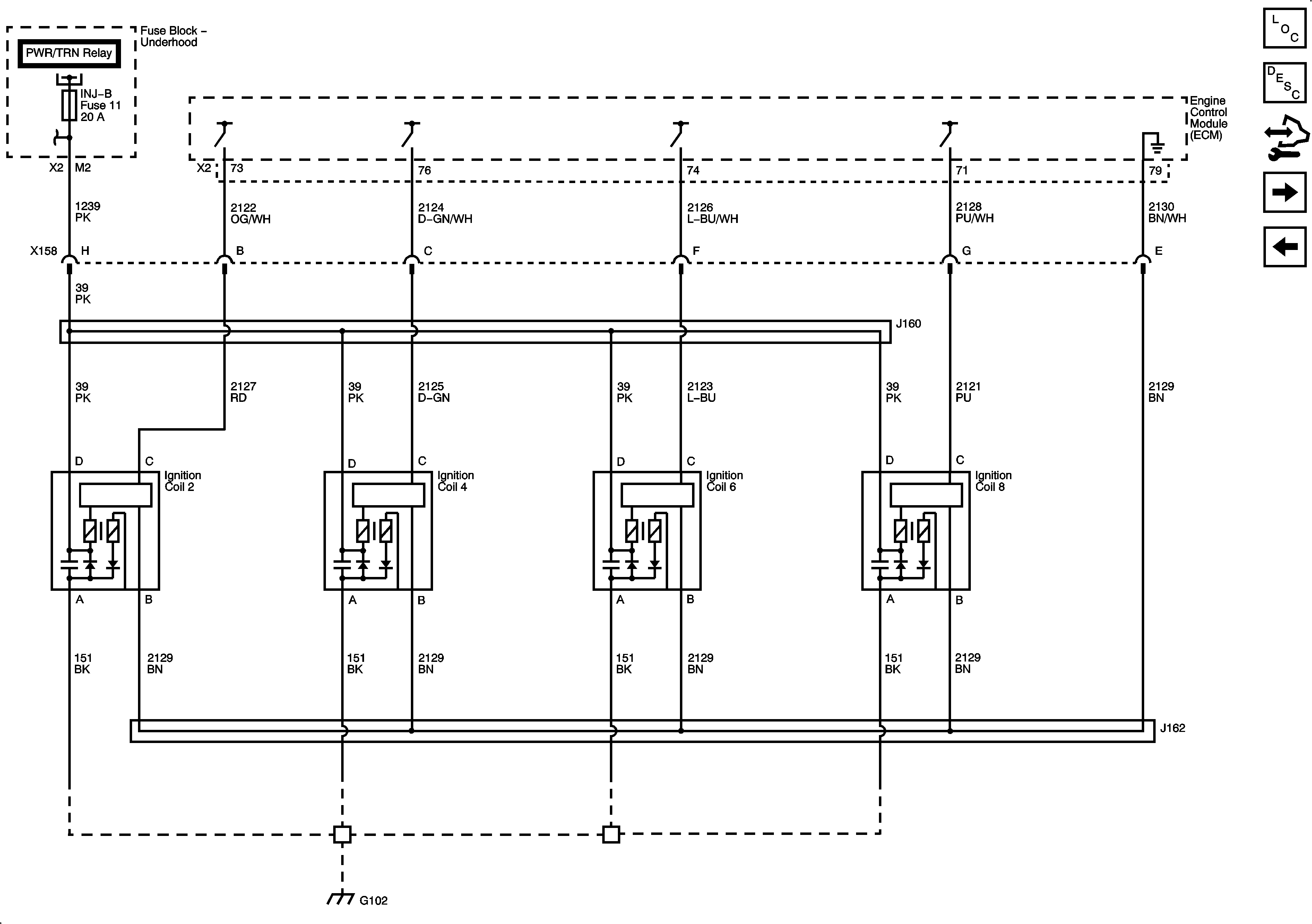
Figure 7:

Ignition Controls - Ignition System Coils 2, 4, 6 and 8


Object Number: 2097186  Size: FS
Figure 8:

Ignition Controls - Sensors


Object Number: 2097187  Size: FS
Figure 9:

Fuel Pump Controls


Object Number: 2097188  Size: FS
Figure 10:

Fuel Controls - Fuel Injectors


Object Number: 2097189  Size: FS
Figure 11:

Fuel Controls - EVAP Controls


Object Number: 2097190  Size: FS
Figure 12:

Controlled/Monitored Subsystem References


Object Number: 2097191  Size: FS