GM Service Manual Online
For 1990-2009 cars only
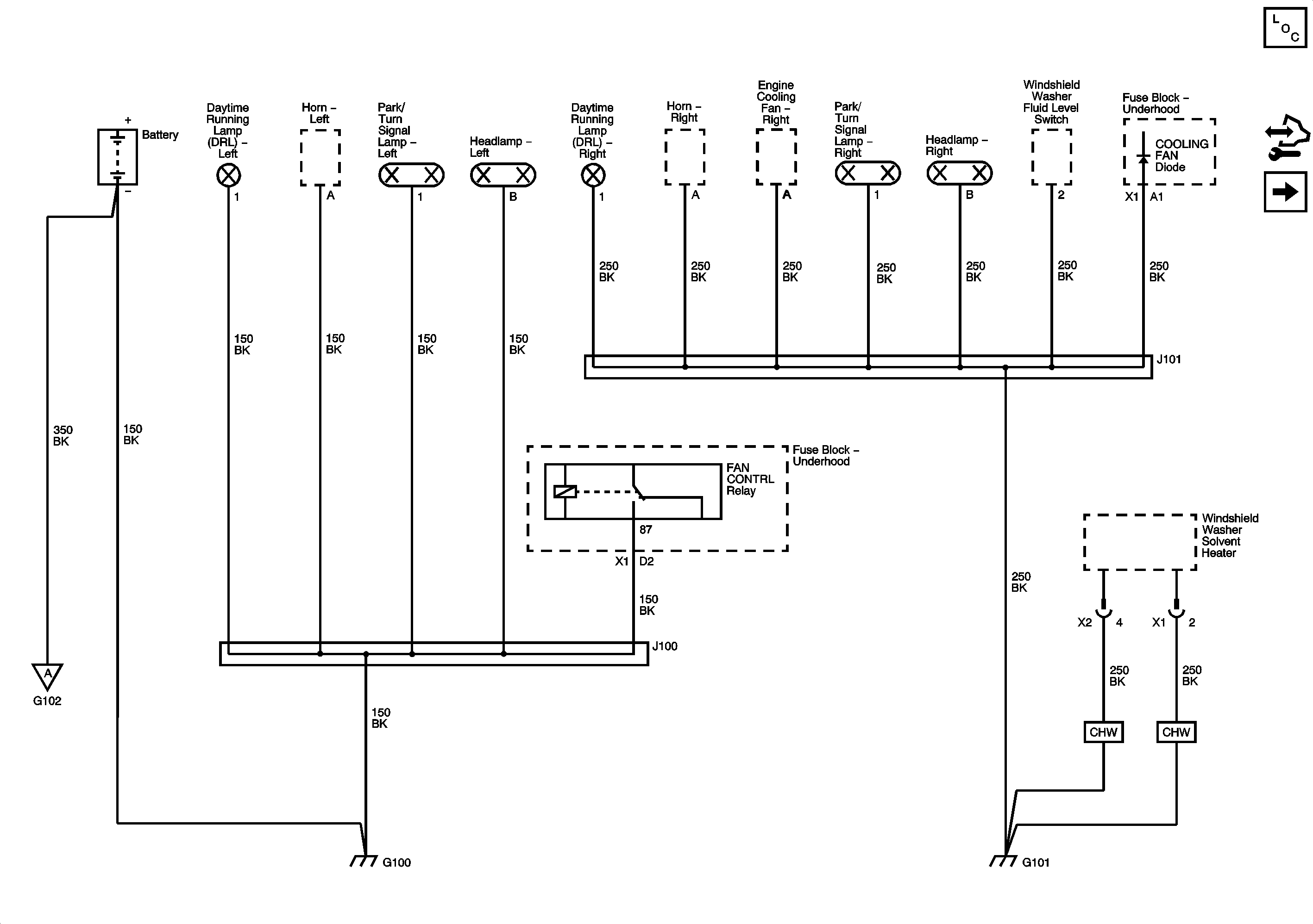
Figure 1:

G100 and G101


Object Number: 2097237  Size: FS
Figure 2:

G102 and G103


Object Number: 2097238  Size: FS
Figure 3:

G104 and G106


Object Number: 2097239  Size: FS
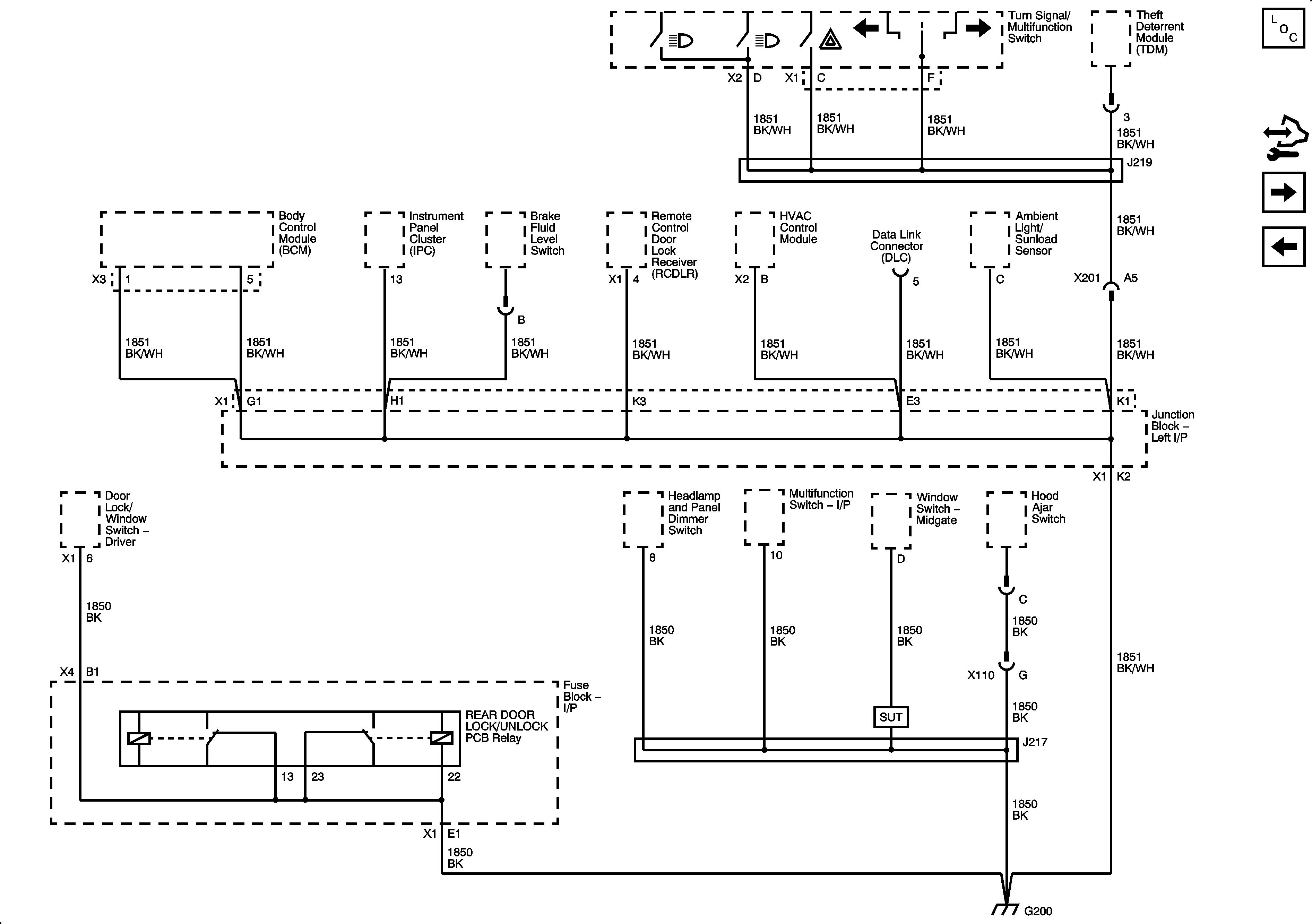
Figure 4:

G200


Object Number: 2097240  Size: FS
Figure 5:

G203 - 1 of 2


Object Number: 2097241  Size: FS
Figure 6:

G203 - 2 of 2


Object Number: 2097242  Size: FS
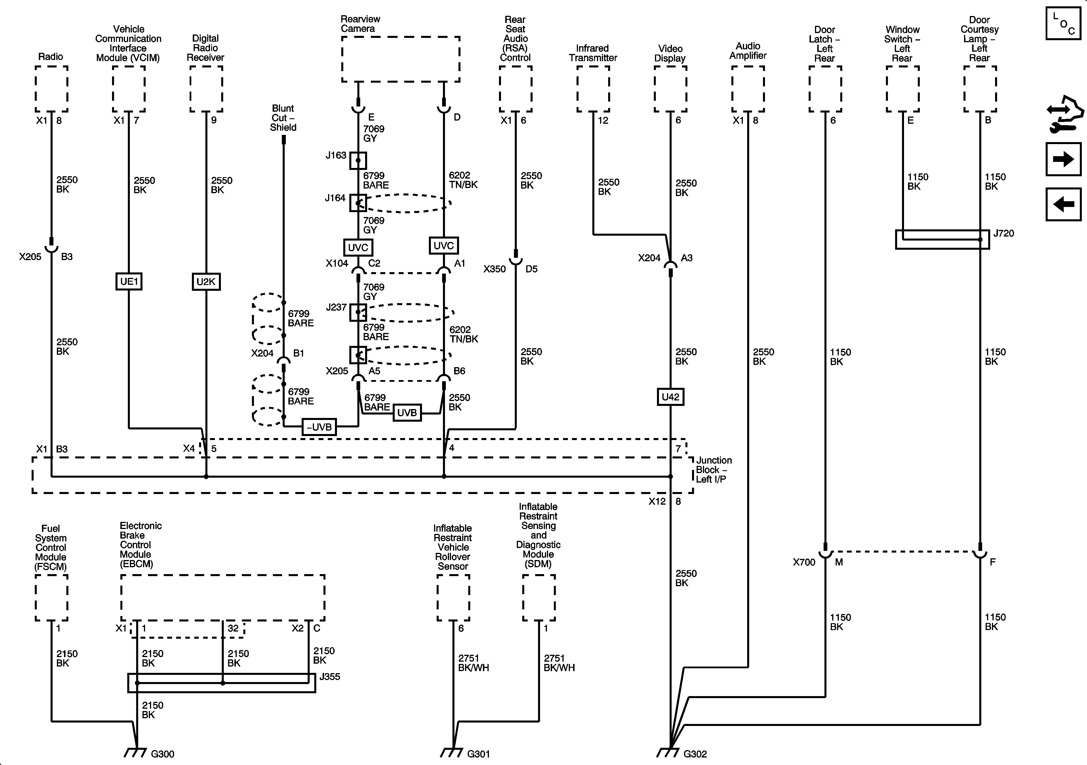
Figure 7:

G300, G301 and G302


Object Number: 2097243  Size: FS
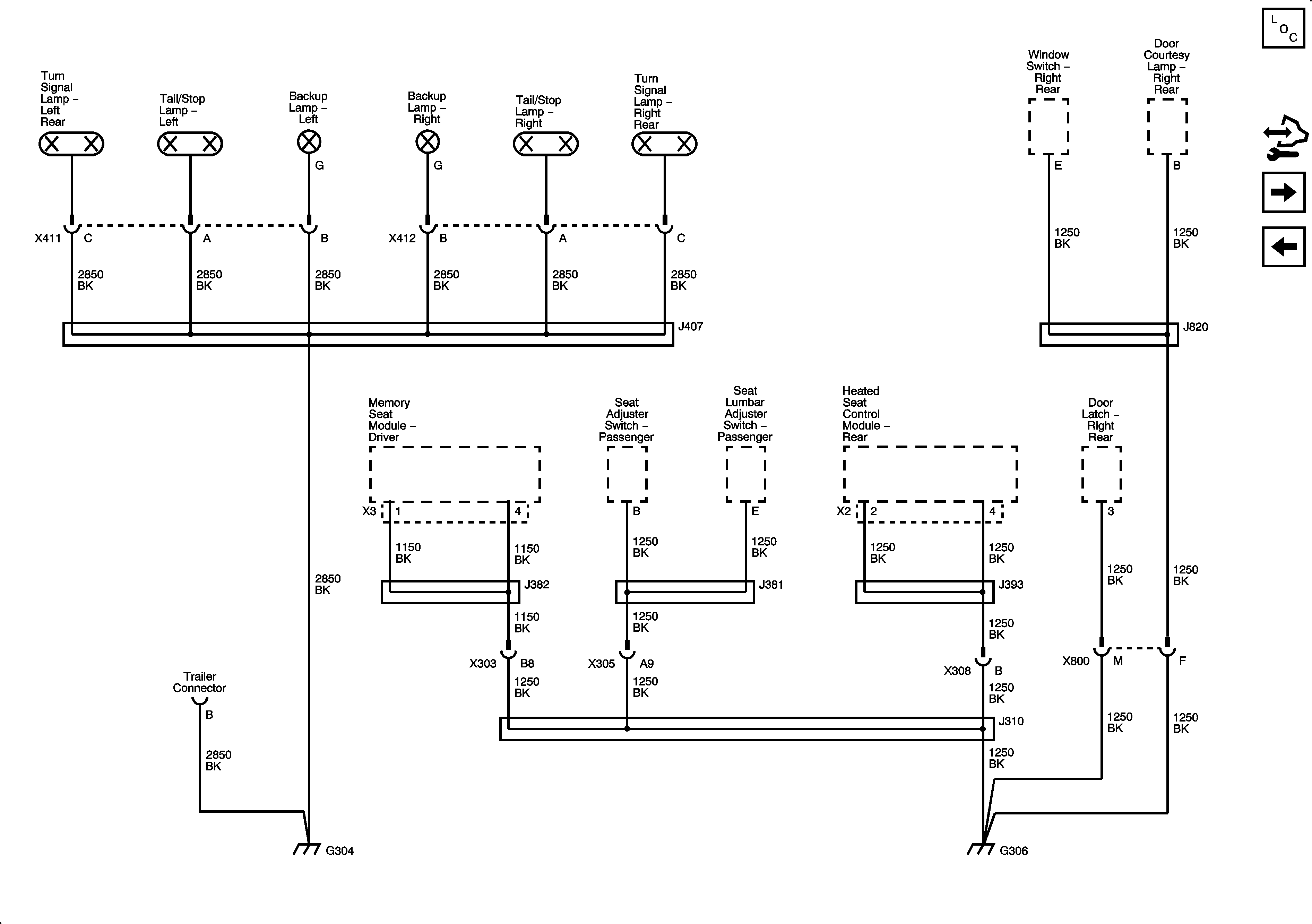
Figure 8:

G304 and G306


Object Number: 2097244  Size: FS
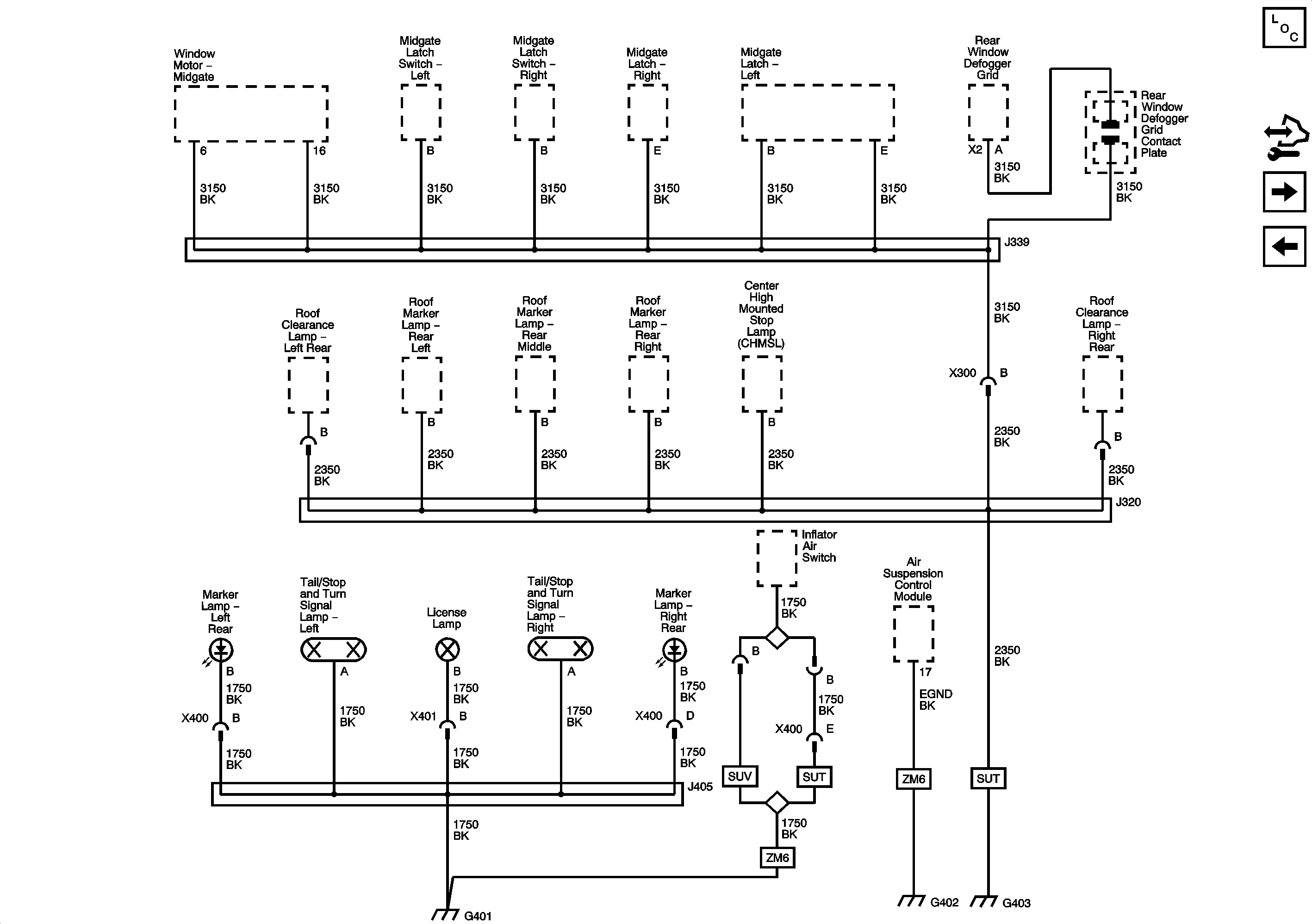
Figure 9:

G401, G402 and G403


Object Number: 2097245  Size: FS
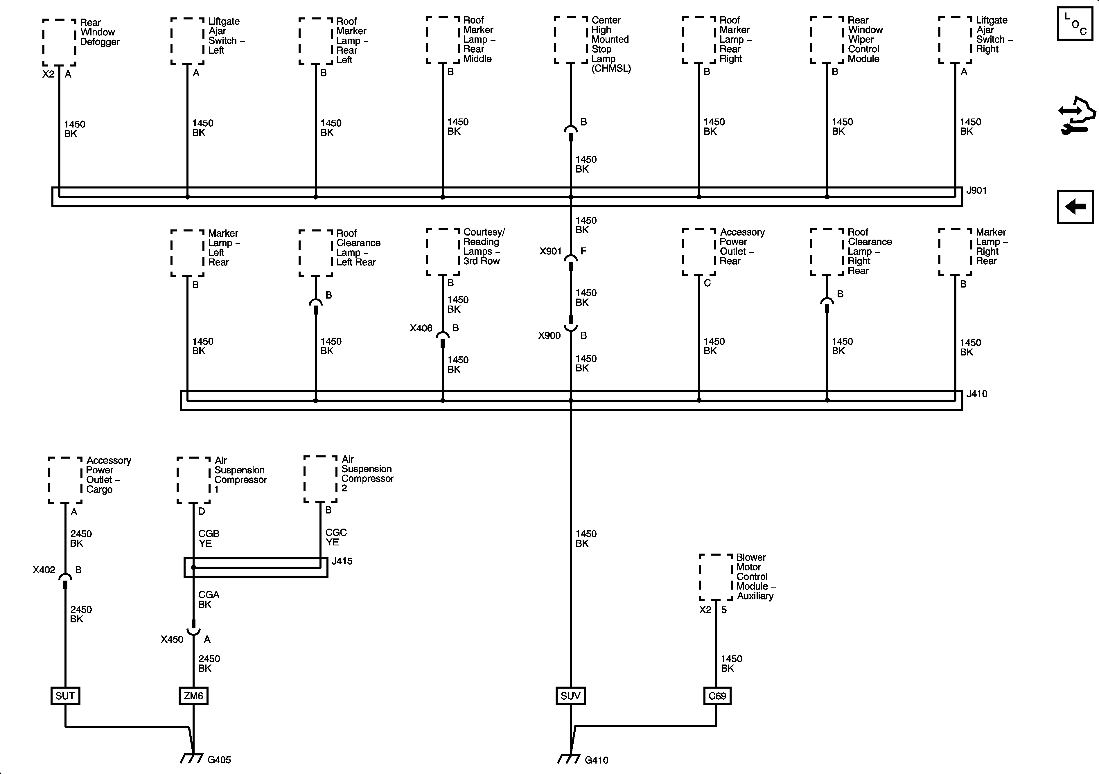
Figure 10:

G405 and G410


Object Number: 2097246  Size: FS