GM Service Manual Online
For 1990-2009 cars only
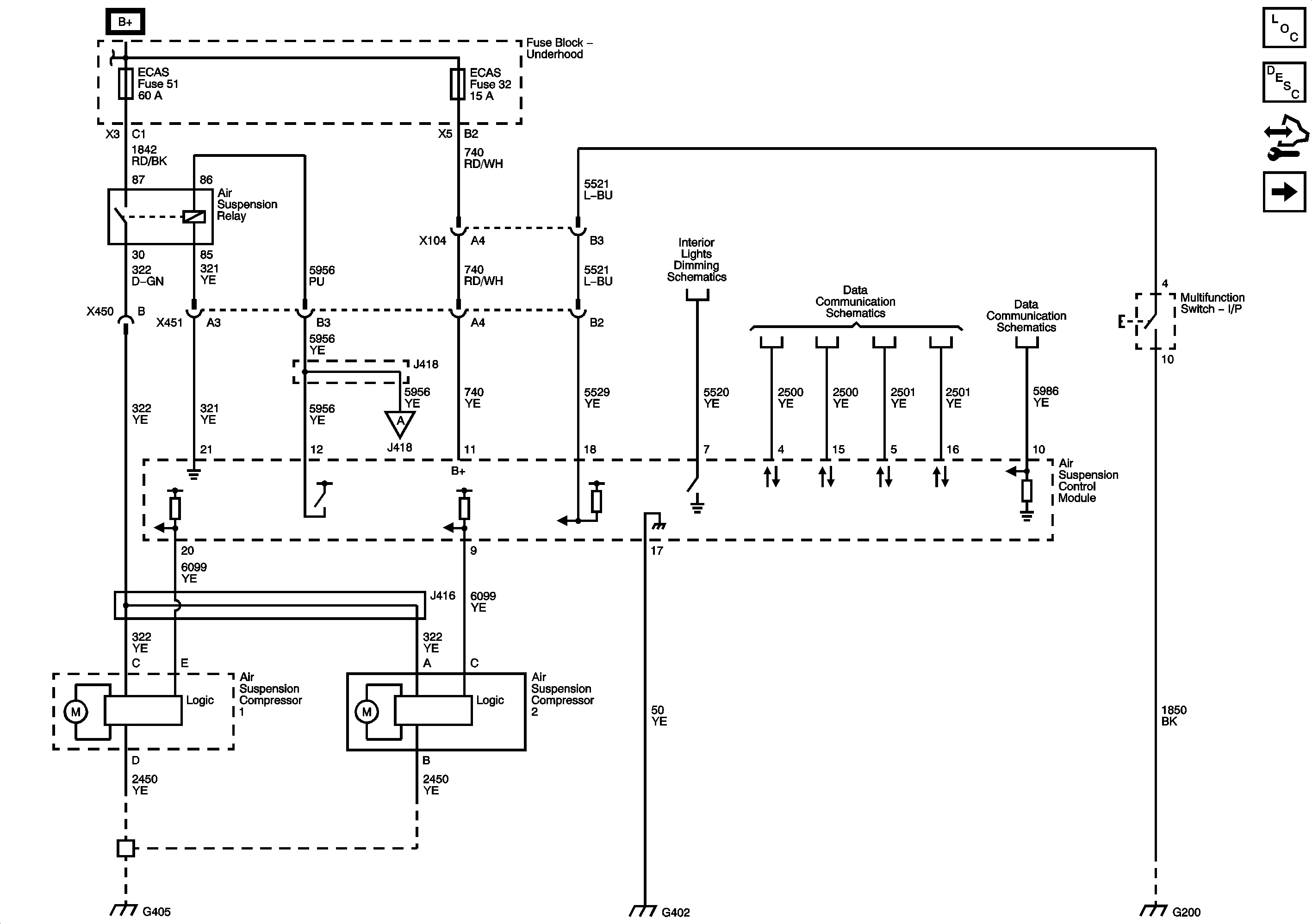
Figure 1:
Object Number: 2097267  Size: FS
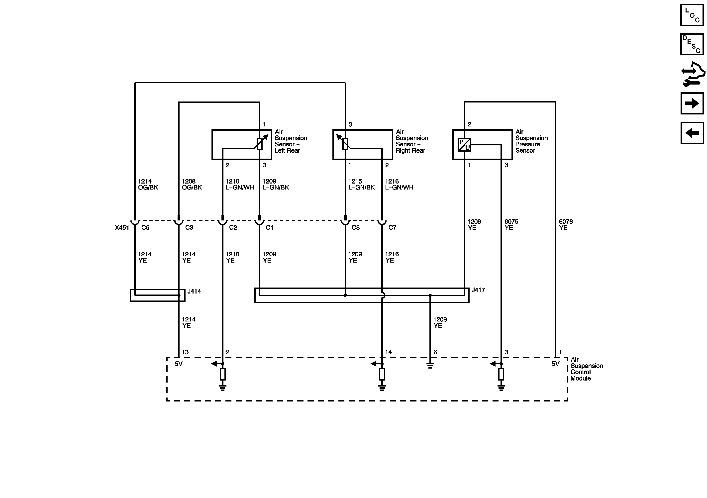
Figure 2:

Inflator Switch and Suspension Position Sensors


Object Number: 2149468  Size: FS
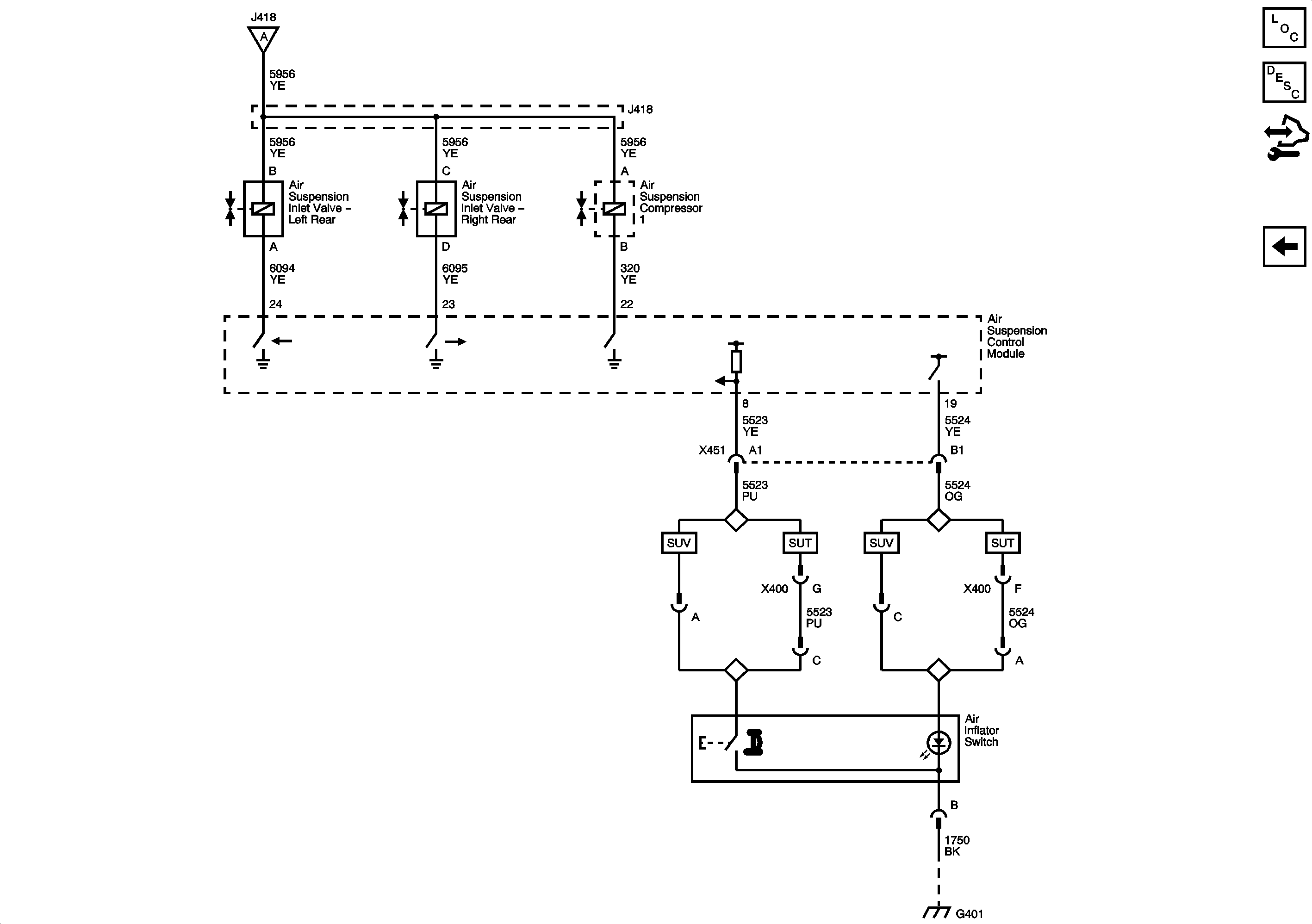
Figure 3:

Solenoids Valves and Pressure Sensor


Object Number: 2149483  Size: FS