GM Service Manual Online
For 1990-2009 cars only
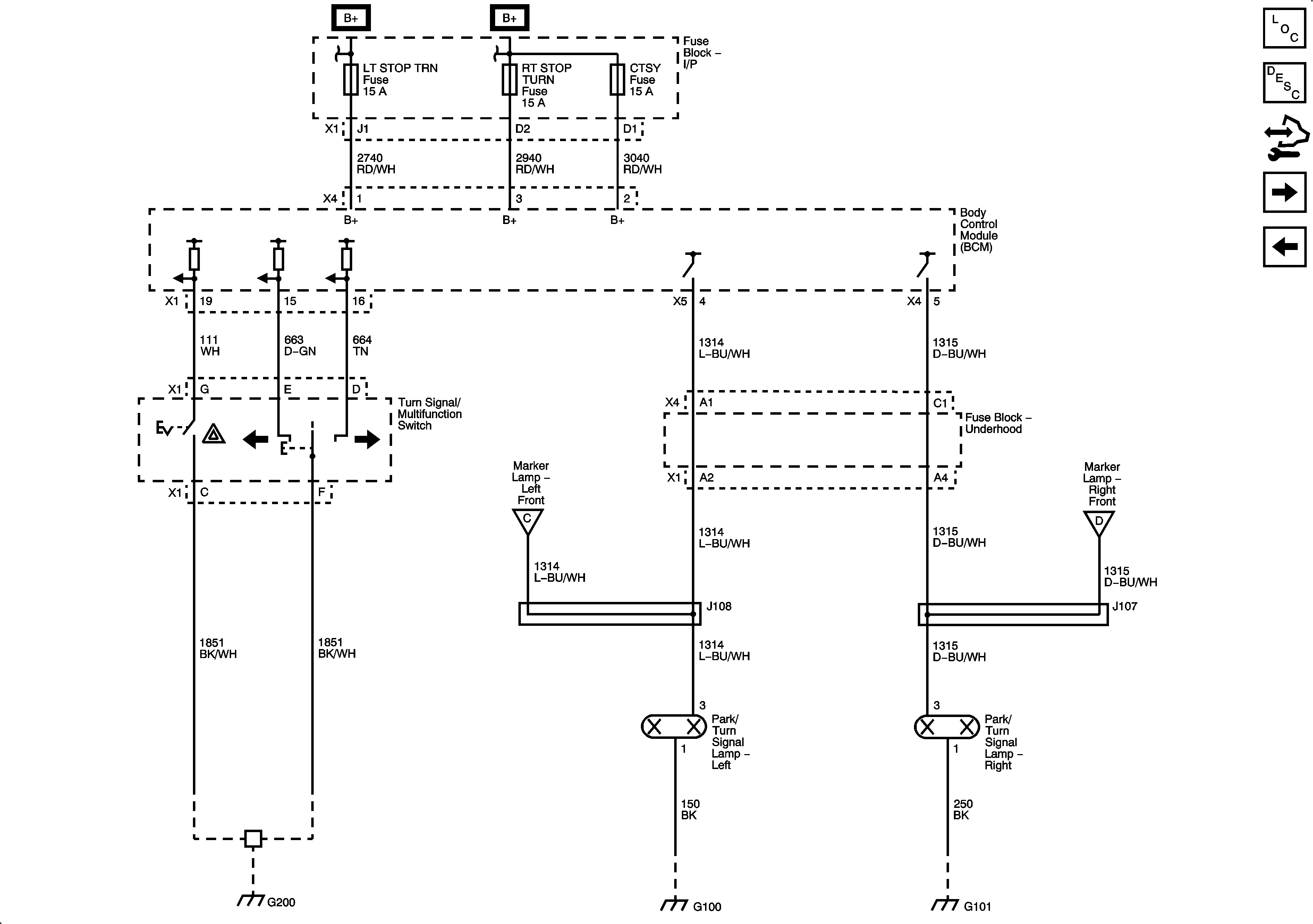
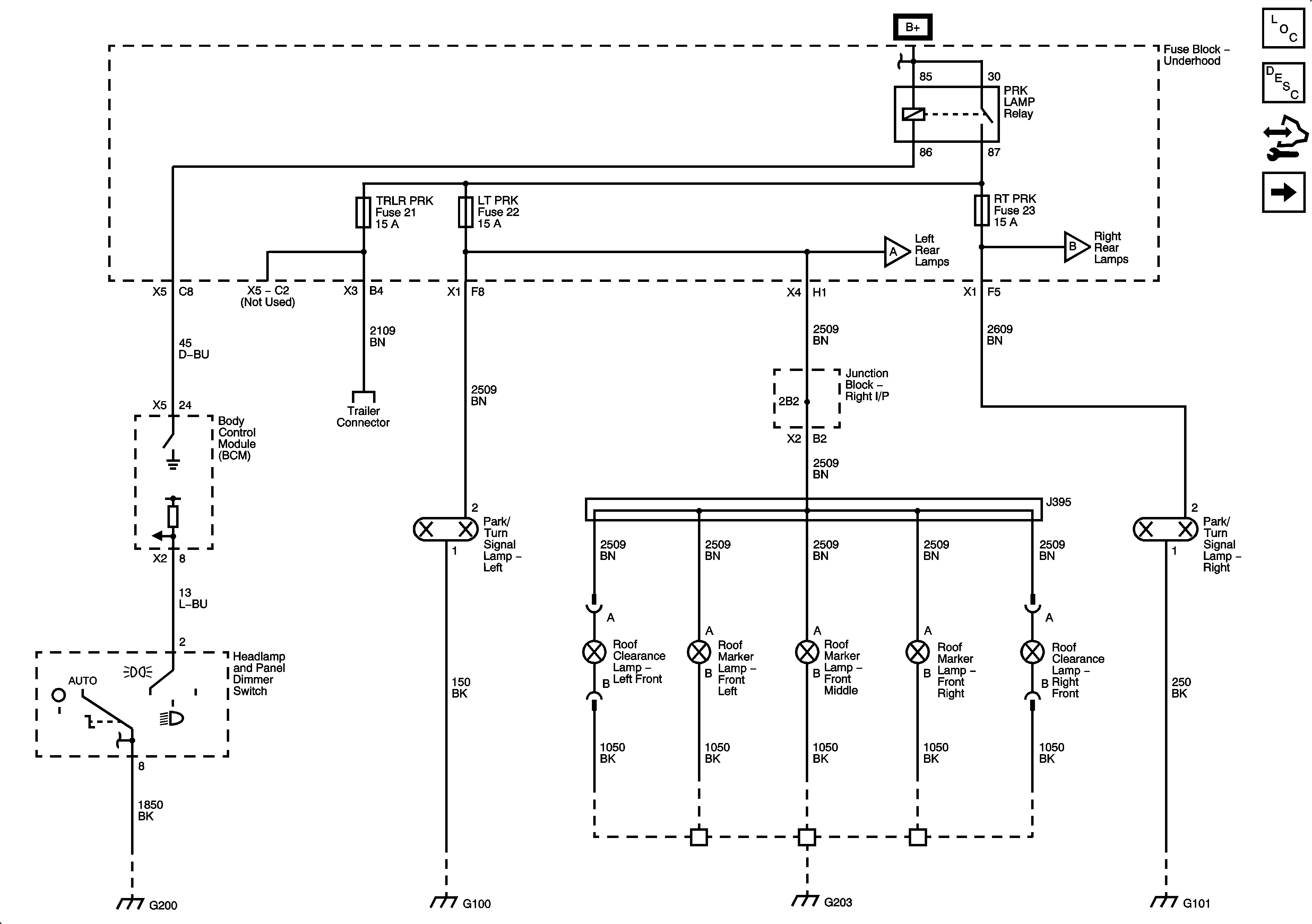
Figure 1:

Front Marker and Clearance Lamps


Object Number: 2097131  Size: FS
Figure 2:

Left Rear Park Lamps and Marker Lamps


Object Number: 2097132  Size: FS
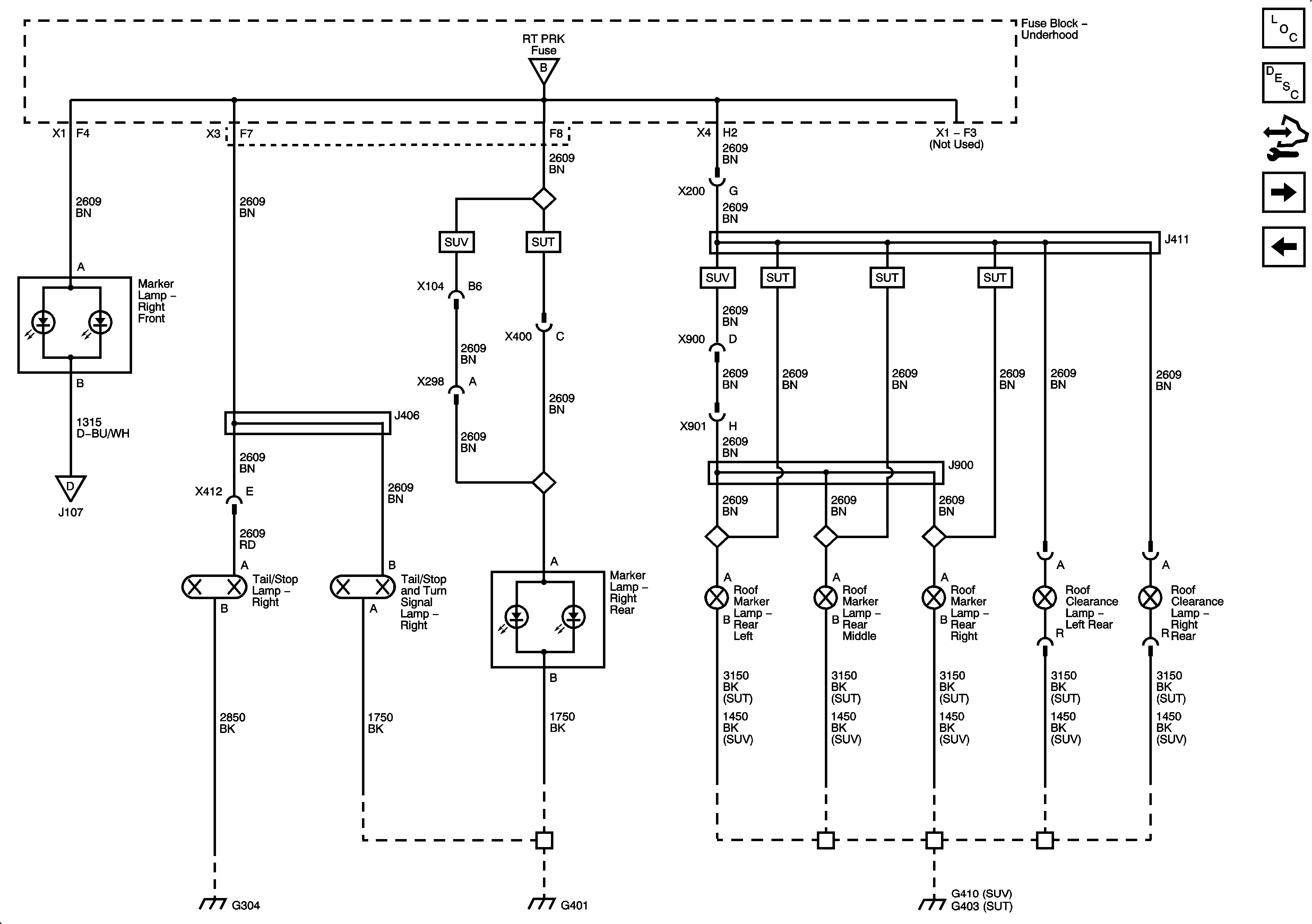
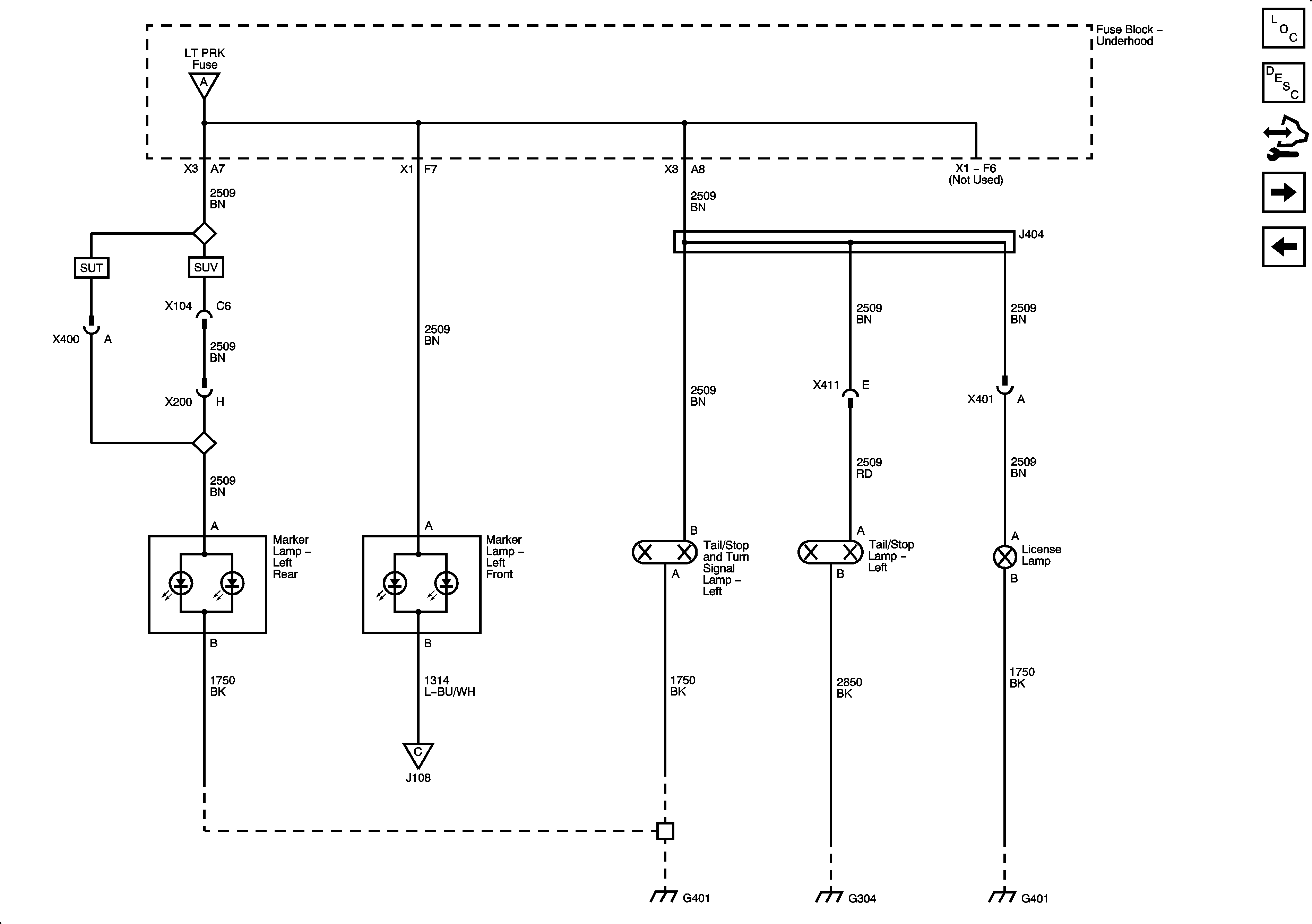
Figure 3:

Right Rear Park Lamps and Marker Lamps


Object Number: 2097133  Size: FS
Figure 4:

Turn Signal Controls and Front Turn Signal Lamps


Object Number: 2097134  Size: FS
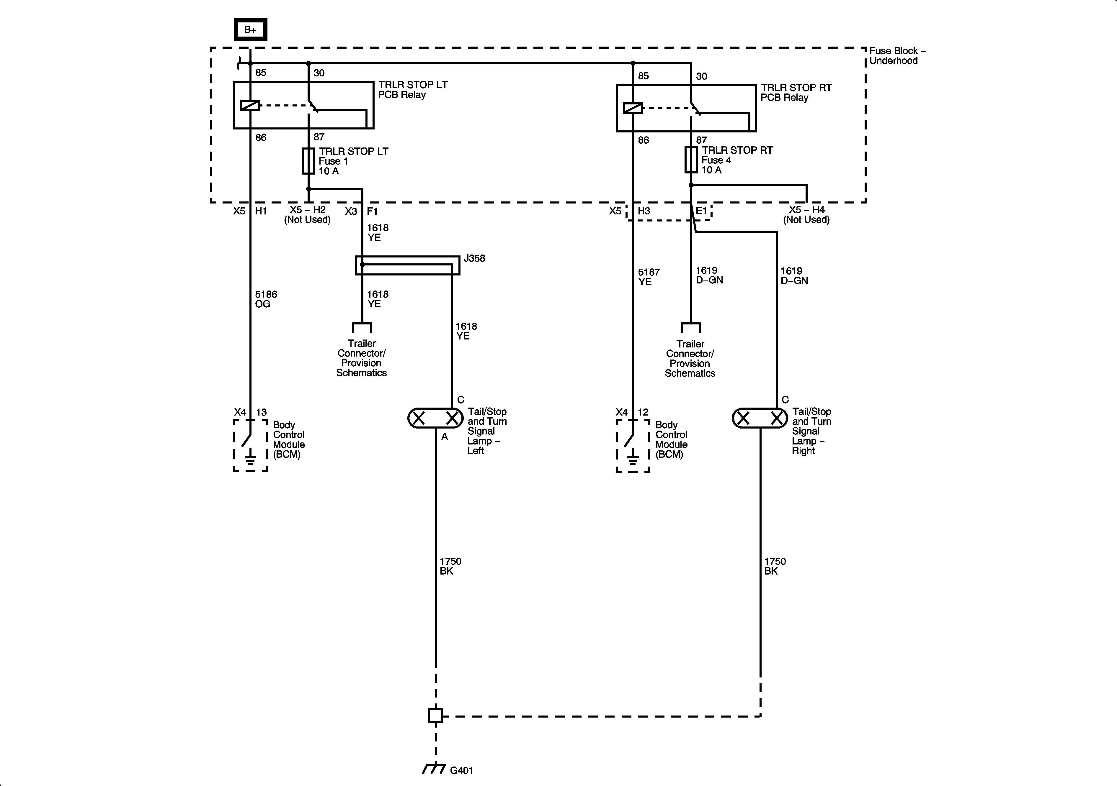
Figure 5:

Rear Stop and Turn Signal Lamps


Object Number: 2097135  Size: FS
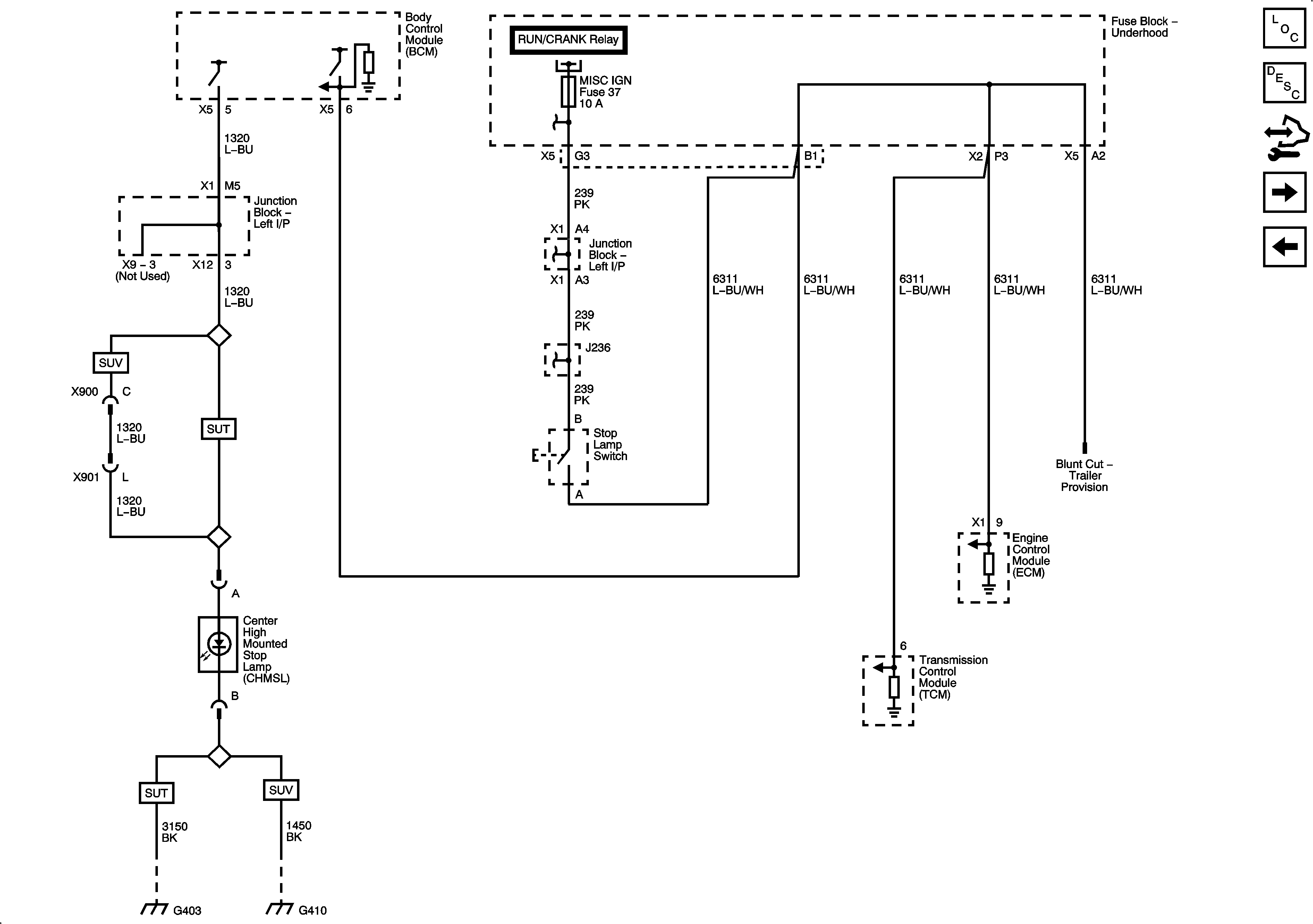
Figure 6:

Stop Lamp Controls and CHMSL


Object Number: 2097136  Size: FS
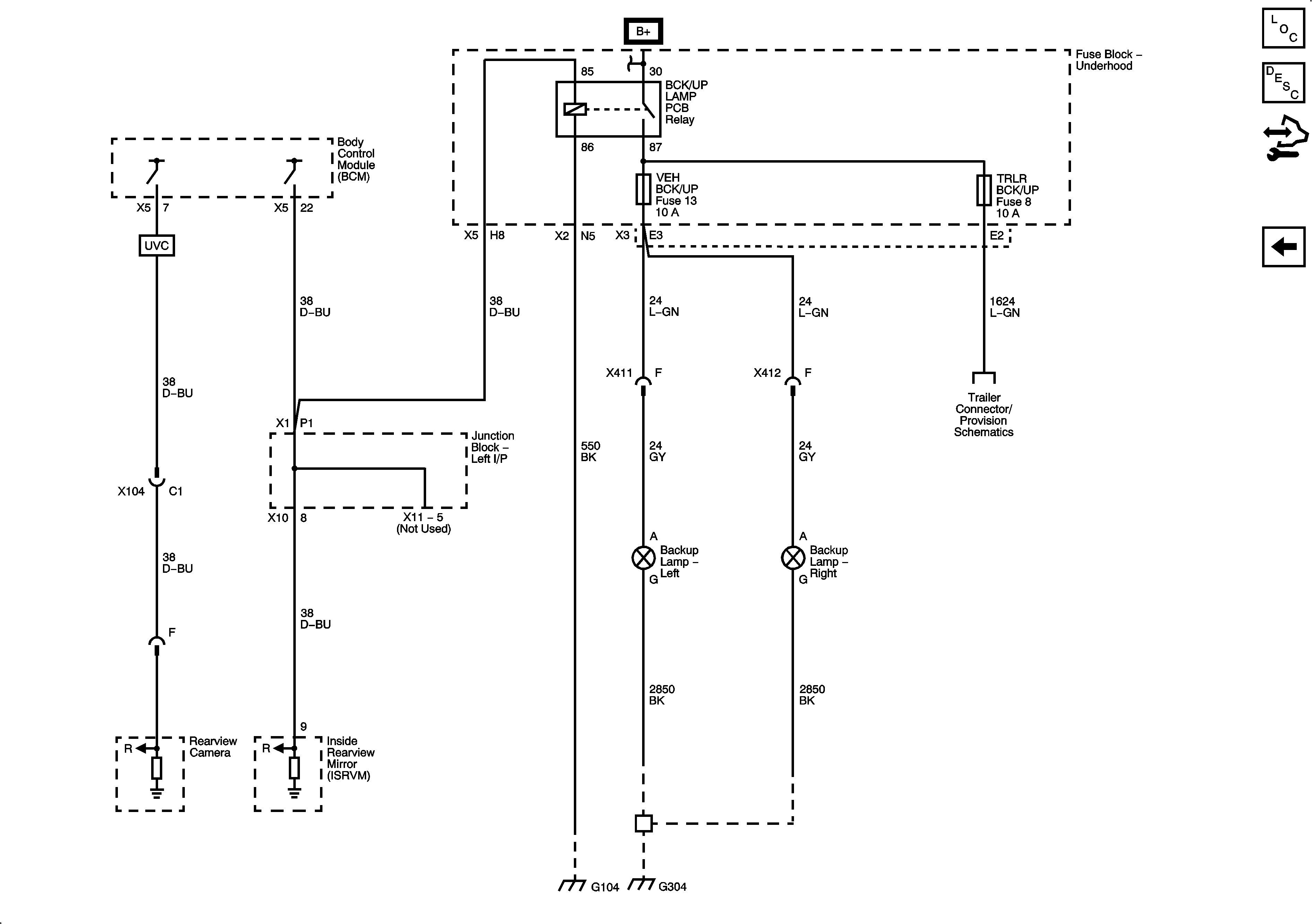
Figure 7:

Backup Lamps


Object Number: 2097137  Size: FS
Figure 8:

Tail/Stop and Turn Signal Lamps


Object Number: 2097138  Size: FS