GM Service Manual Online
For 1990-2009 cars only
Makes
🢒
HUMMER
🢒
2009
🢒
H2
🢒
Power and Signal Distribution
🢒
Data Communications
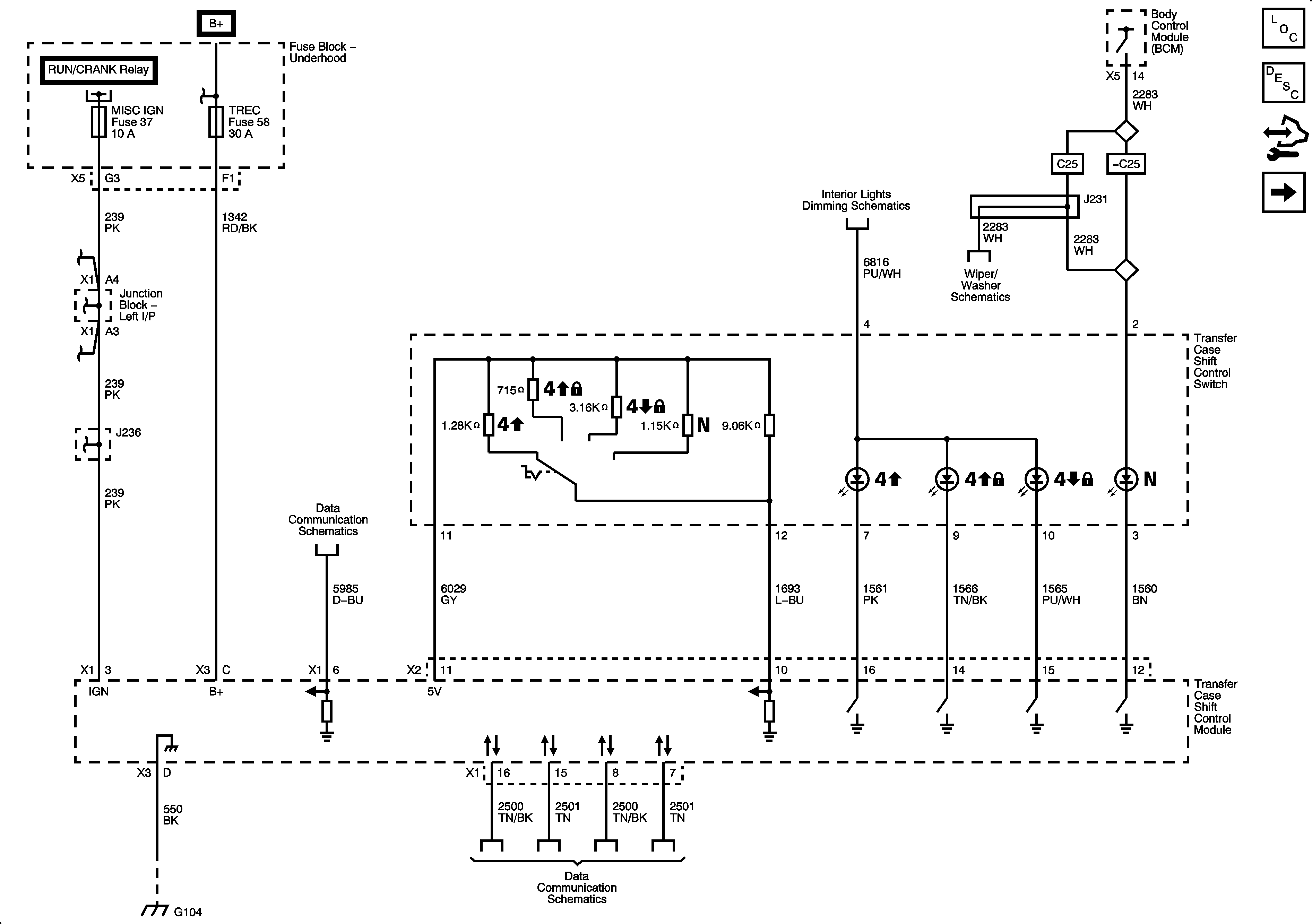
🢒 Transfer Case Control Schematics
Figure
1:
Power Ground and Shift Controls
Figure
2:
Transfer Case Controls