GM Service Manual Online
For 1990-2009 cars only
Makes
🢒
HUMMER
🢒
2009
🢒
H2
🢒
Power and Signal Distribution
🢒
Wiring Systems and Power Management
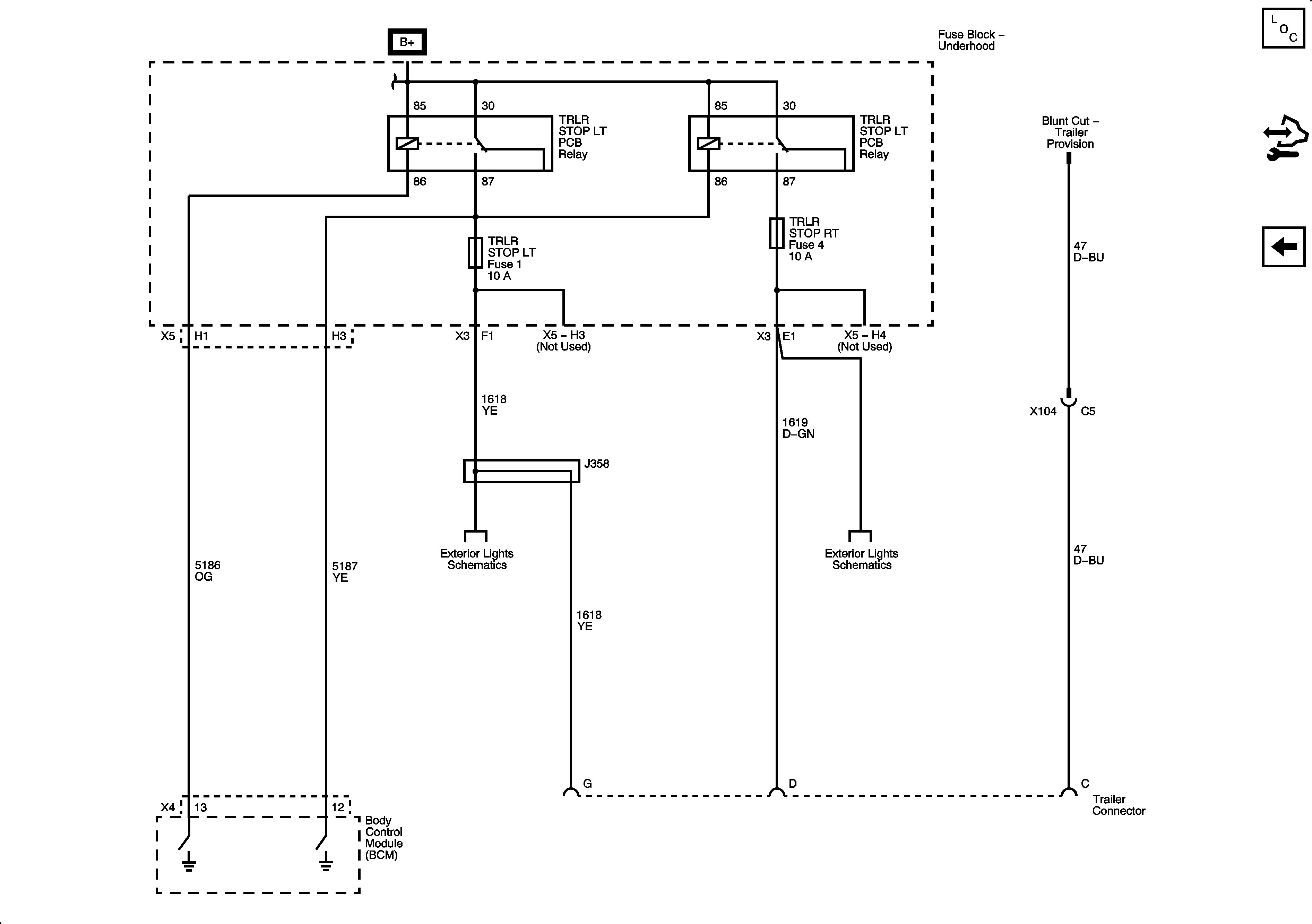
🢒 Trailer Connector/Provision Schematics
Figure
1:
Trailer Connector 1 of 2
Figure
2:
Trailer Connector 2 of 2