GM Service Manual Online
For 1990-2009 cars only
Figure 1:

Module Power, Ground, Serial Data Memory Switch


Object Number: 2097260  Size: FS
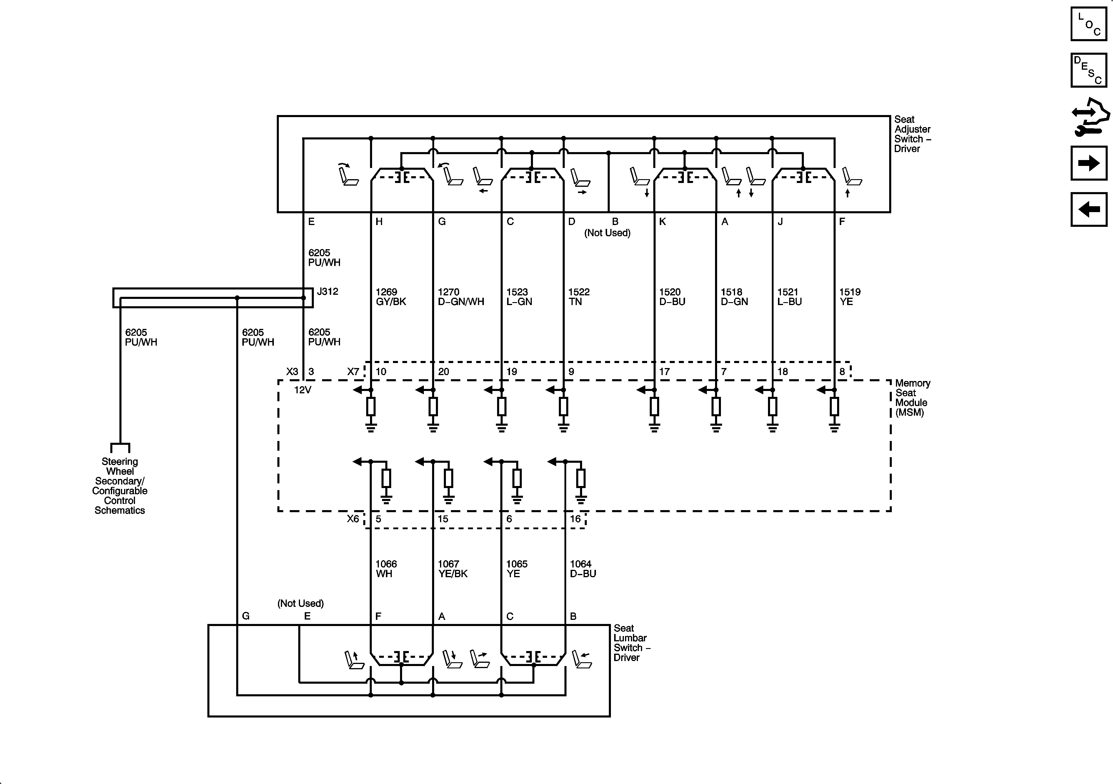
Figure 2:

Seat Adjuster Switches


Object Number: 2097261  Size: FS
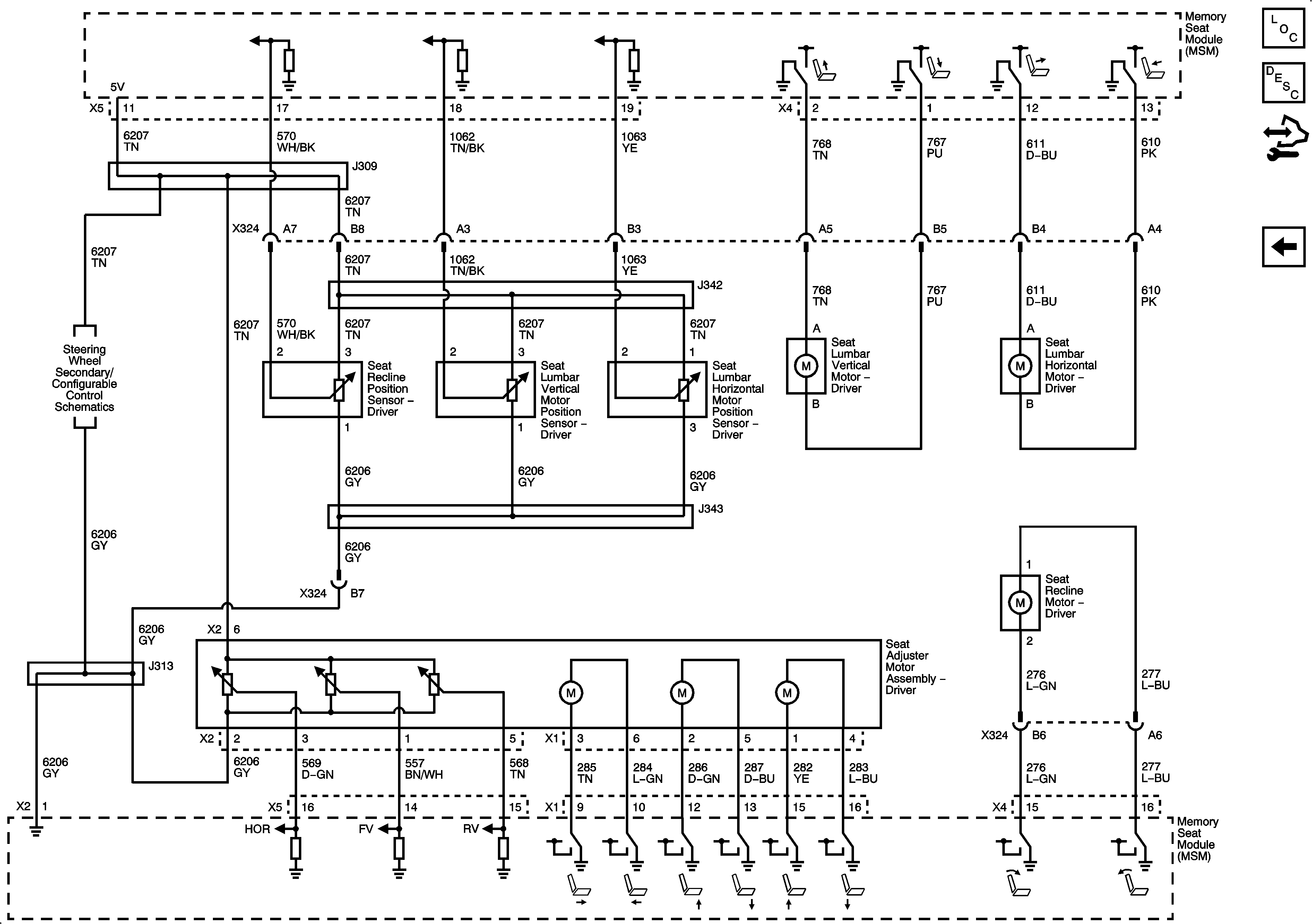
Figure 3:

Motors and Position Sensors


Object Number: 2097262  Size: FS