GM Service Manual Online
For 1990-2009 cars only

Removal Procedure

  1. Drain the engine coolant. Refer to Cooling System Draining and Filling.
  2. Remove the air cleaner resonator outlet duct replacement Air Cleaner Resonator Outlet Duct Replacement.

  3. Object Number: 12777  Size: SH
  4. Squeeze the plastic retainer release tabs.

  5. Object Number: 1970350  Size: SH
  6. Pull the hose connection apart.

  7. Object Number: 1968229  Size: SH
  8. Raise the vehicle. Refer to Lifting and Jacking the Vehicle.
  9. Remove the right assist step if necessary. Refer to Assist Step Replacement.
  10. Remove the front wheelhouse liner if necessary. Refer to Wheelhouse Panel Replacement.
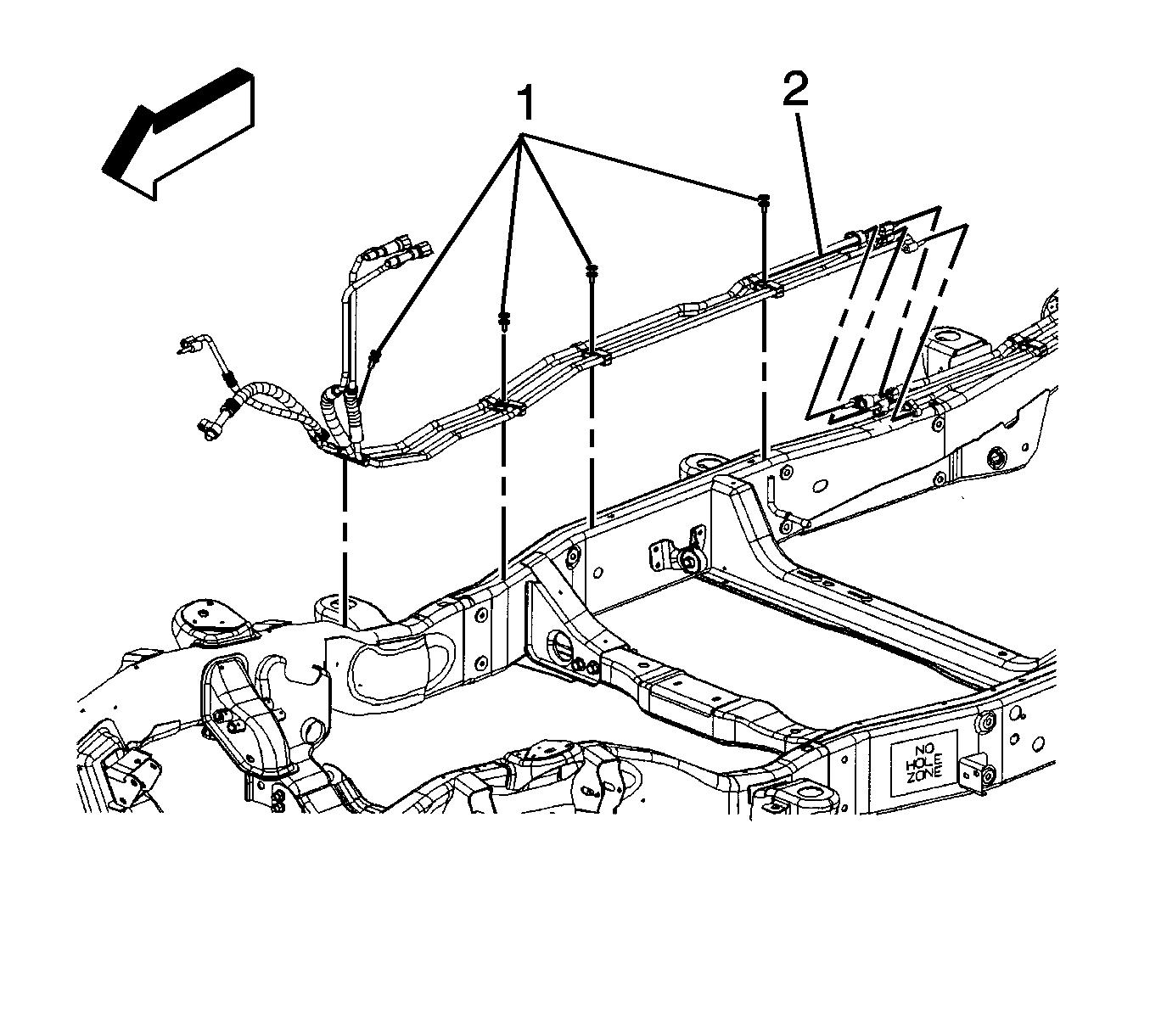
  11. Remove the auxiliary heater tubes connector nuts (2) from the intermediate connection point.

  12. Object Number: 1968232  Size: SH
  13. Remove the auxiliary heater tubes clip push pins (1) from vehicle frame locations.
  14. Remove the auxiliary heater tubes (2) from vehicle.

  15. Object Number: 1968221  Size: SH
  16. Remove auxiliary heater tubes clip retaining push pin/bolt (1) if necessary.
  17. Use a flat blade release tool to open retaining clips (2).
  18. Remove auxiliary heater tubes (3) from retaining clips.

Installation Procedure

Note: The replacement A/C and heater pipes are shipped in front and rear sections.


    Object Number: 1968221  Size: SH
  1. Install the auxiliary heater tubes (3) to the retaining clips (2).
  2. Install the auxiliary heater tubes (3) to the vehicle.

  3. Object Number: 1968232  Size: SH
  4. Install the auxiliary heater tubes clip push pins (1) to vehicle frame locations.
  5. Caution: Refer to Fastener Caution in the Preface section.


    Object Number: 1968229  Size: SH

    Note: Use a adjustable wrench or equivalent holding tool at tube connections to prevent twisting.

    Note: Mandatory torque sequence required for proper connections.

  6. Install the auxiliary heater tube connection nuts (2) to the intermediate connection point.
  7. Tighten
    Tighten the nuts to 16 N·m (12 lb ft).


    Object Number: 1970350  Size: SH

    Note: Firmly push the quick connect onto the main heater hose connection until you here an audible click.

  8. Install the auxiliary heater tubes (1) to the main heater hose connections.
  9. Install the front wheelhouse liner if necessary. Refer to Wheelhouse Panel Replacement.
  10. Install the right assist step if necessary. Refer to Assist Step Replacement.
  11. Lower the vehicle.
  12. Fill the engine coolant. Refer to Cooling System Draining and Filling.