GM Service Manual Online
For 1990-2009 cars only
Figure 1:

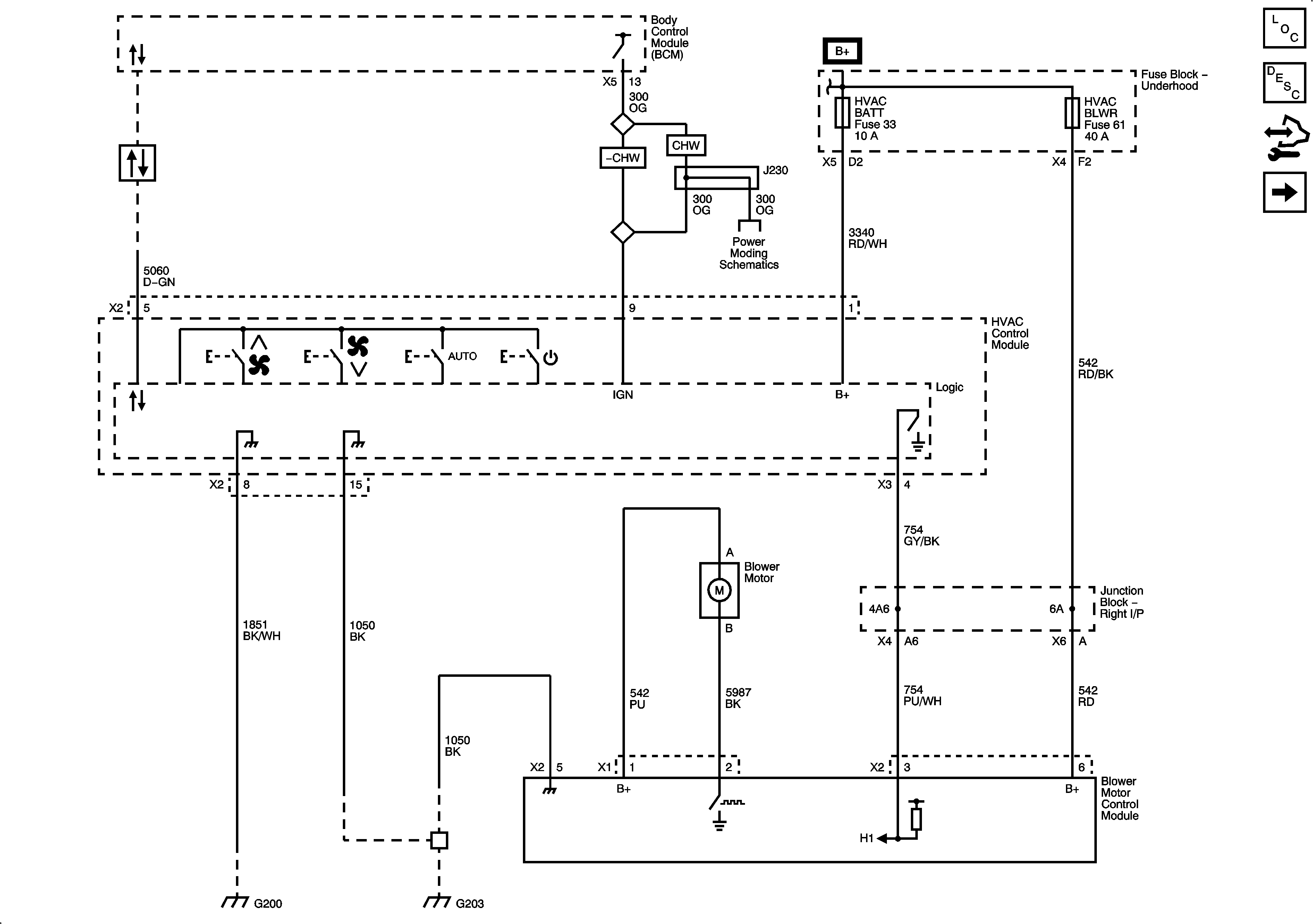
Module Power, Ground, Serial Data and Blower Controls


Object Number: 2097196  Size: FS
Figure 2:

Mode Controls


Object Number: 2097197  Size: FS
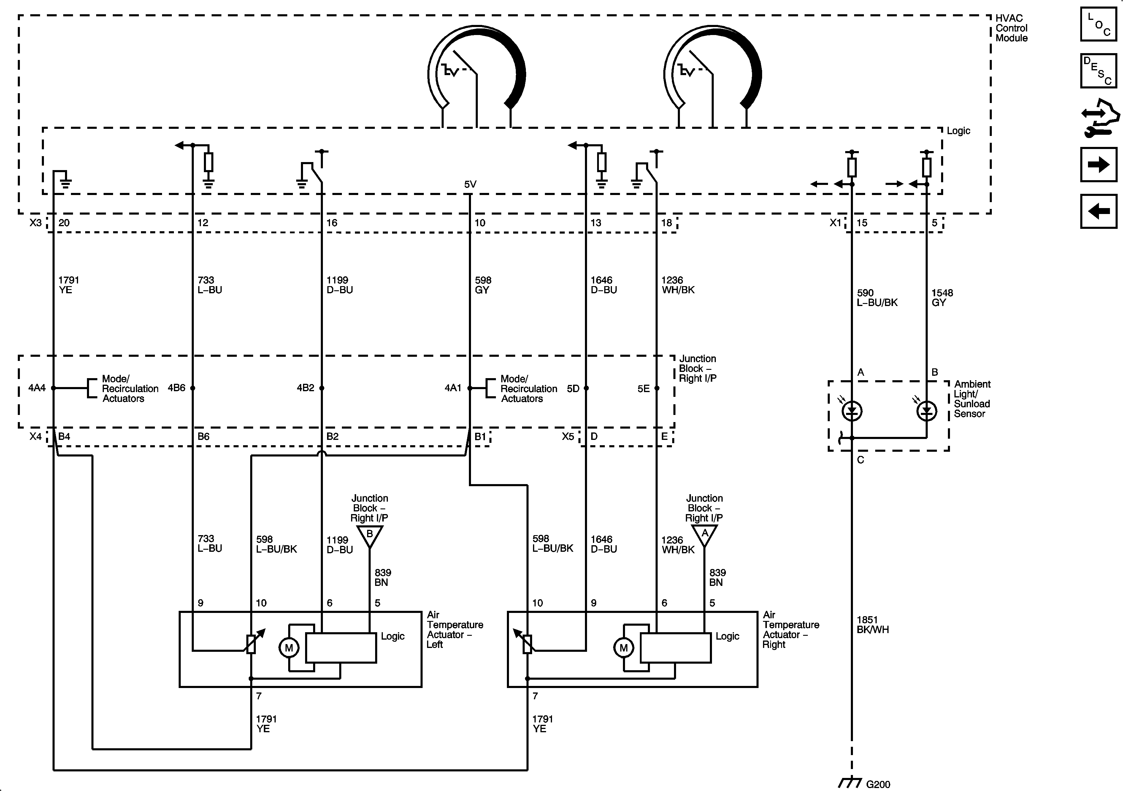
Figure 3:

Temperature Controls


Object Number: 2097198  Size: FS
Figure 4:

Temperature Sensors


Object Number: 2097199  Size: FS
Figure 5:

A/C Compressor Controls


Object Number: 2097200  Size: FS
Figure 6:

Auxiliary Blower Controls


Object Number: 2097201  Size: FS
Figure 7:

Auxiliary Mode and Temperature Controls


Object Number: 2097202  Size: FS