GM Service Manual Online
For 1990-2009 cars only
Figure 1:

Module Power, Ground, Serial Data, Indicators, and Side Impact Sensors


Object Number: 1566919  Size: FS
Master Electrical Component List
SIR System Description and Operation
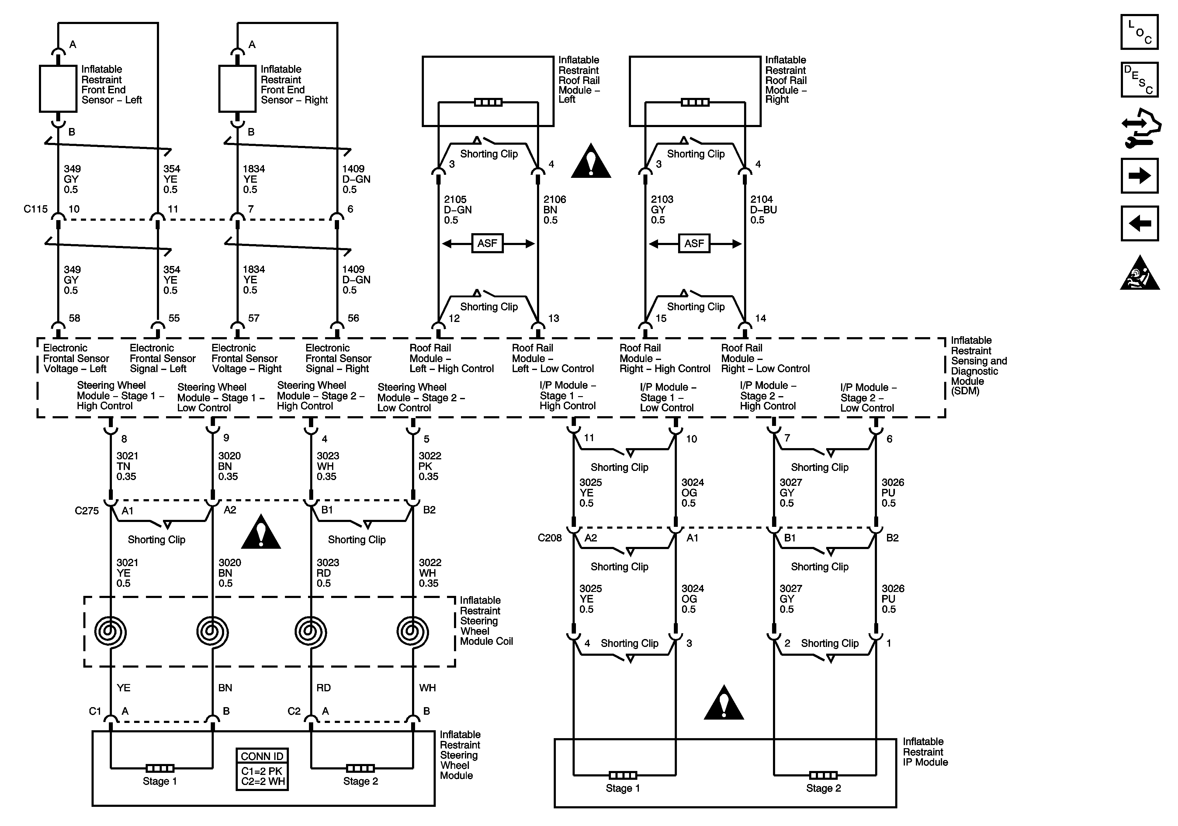
Control Module References
Front End Sensors and Modules
Seat Belt Schematic Icons
B+ Bus - Underhood Fuse Block - 1 of 2
RUN/CRNK Relay Bus - 1 of 3, AIRBAG, CRUISE/MISC, and TRANS Fuses
G105
G300, G310, and G320
Data Link Connector (DLC) Schematics
Seat Belt Schematics
G105
Figure 2:

Front End Sensors and Modules


Object Number: 1566966  Size: FS
Master Electrical Component List
SIR System Description and Operation
Control Module References
Seat Position Sensors, Rollover Sensor, PPS Module and Seat Belt Pretensioners
Module Power, Ground, Serial Data, Indicators, and Side Impact Sensors
SIR Schematic Icons
SIR Schematic Icons
SIR Schematic Icons
SIR Schematic Icons
Figure 3:

Seat Position Sensors, Rollover Sensor, PPS Module, and Seat Belt Pretensioners


Object Number: 1566971  Size: FS
Master Electrical Component List
SIR System Description and Operation
Control Module References
PPS Sensors and Indicators
Front End Sensors and Modules
SIR Schematic Icons
B+ Bus - Underhood Fuse Block - 1 of 2
RUN/CRNK Relay Bus - 1 of 3, AIRBAG, CRUISE/MISC, and TRANS Fuses
G105
G105
G300, G310, and G320
G300, G310, and G320
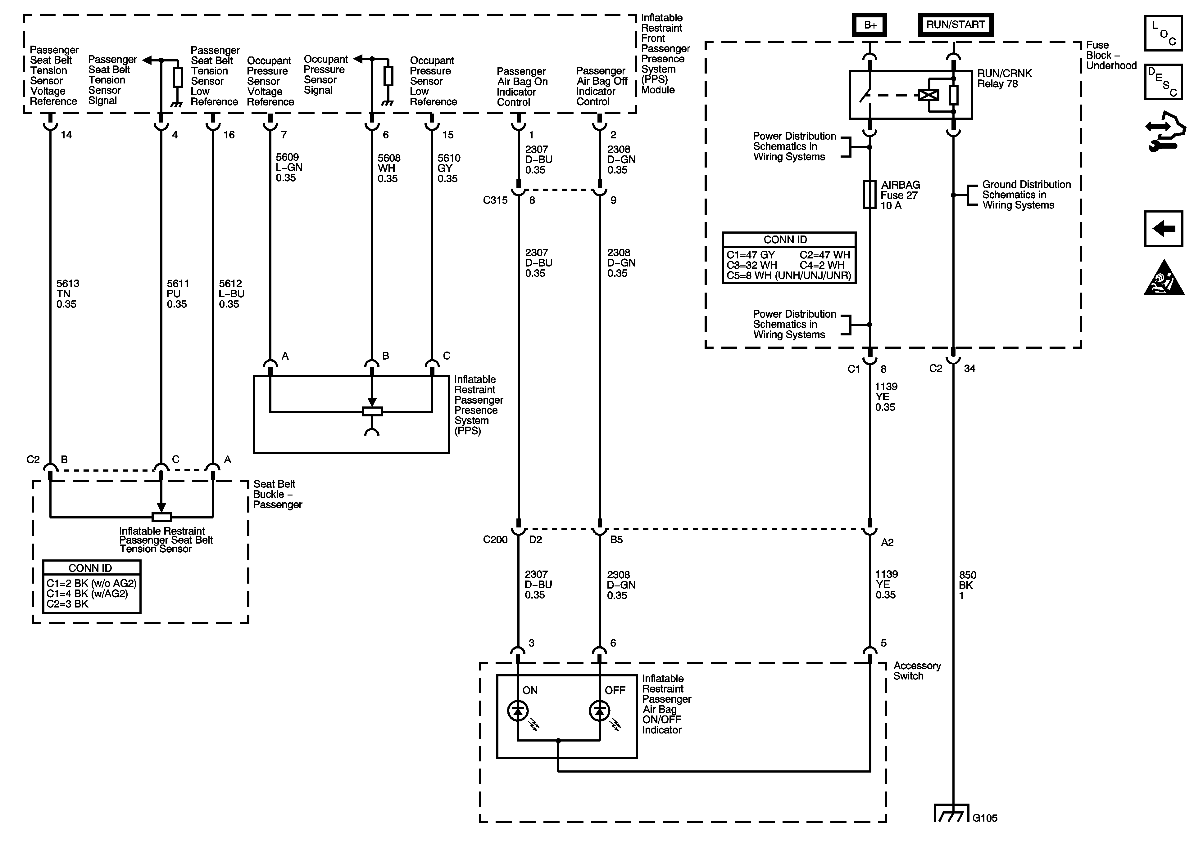
Figure 4:

PPS Sensors and Indicators


Object Number: 1566974  Size: FS
Master Electrical Component List
SIR System Description and Operation
Control Module References
Seat Position Sensors, Rollover Sensor, PPS Module and Seat Belt Pretensioners
SIR Schematic Icons
RUN/CRNK Relay Bus - 1 of 3, AIRBAG, CRUISE/MISC, and TRANS Fuses
RUN/CRNK Relay Bus - 1 of 3, AIRBAG, CRUISE/MISC, and TRANS Fuses
G105
G105