GM Service Manual Online
For 1990-2009 cars only
Makes
🢒
HUMMER
🢒
2006
🢒
H3
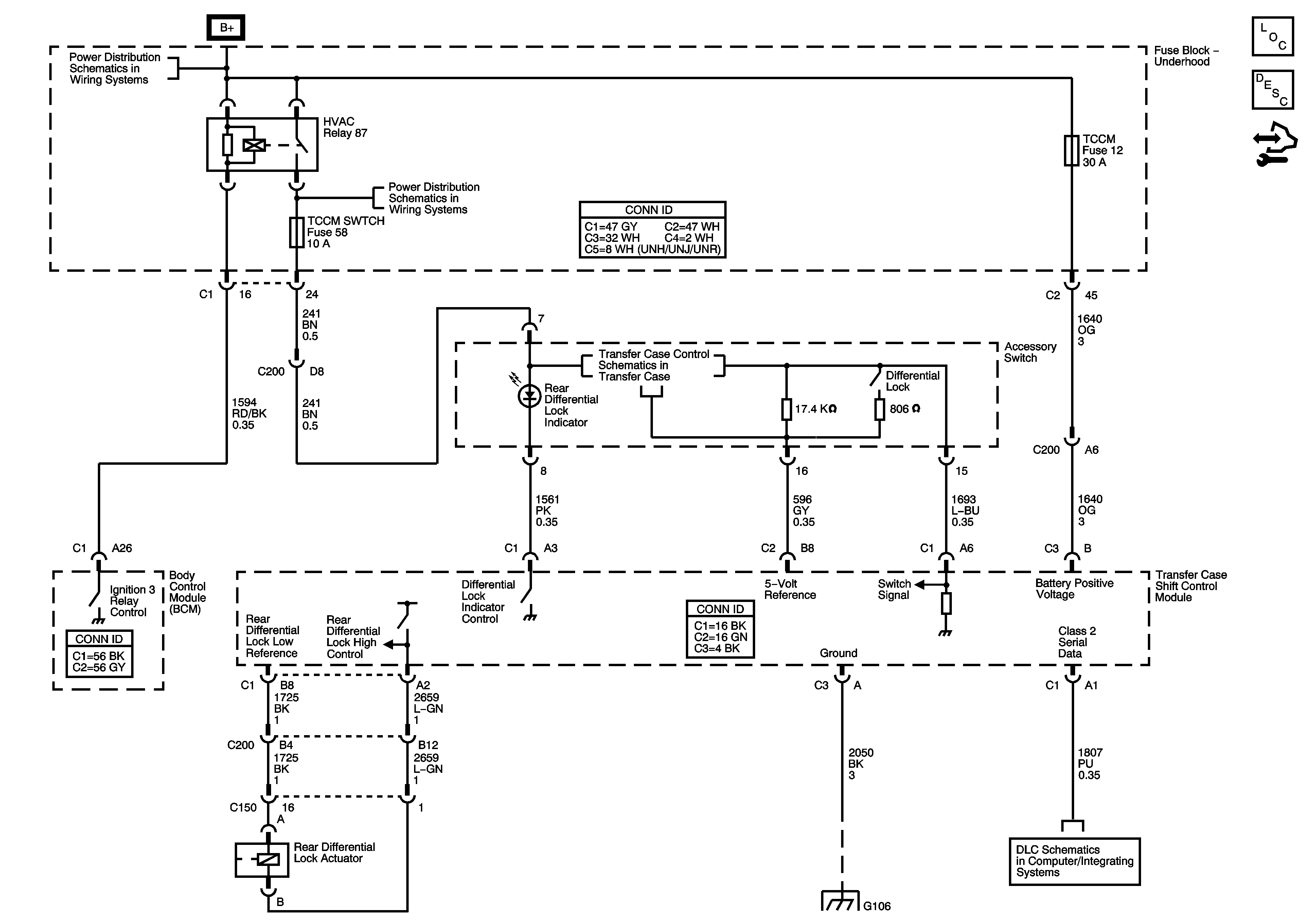
🢒 Differential Lock Schematics
Differential Lock Schematics
Master Electrical Component List
Locking Differential Description and Operation
Control Module References
B+ Bus - Underhood Fuse Block - 1 of 2
HVAC BLWR, HVAC CNTRL HD, PWR HTR SWTCH, TCCM SWTCH, and VSES/ABS Fuses
Shift Control Switch Inputs
G106
Data Link Connector (DLC) Schematics