GM Service Manual Online
For 1990-2009 cars only
Makes
🢒
HUMMER
🢒
2006
🢒
H3
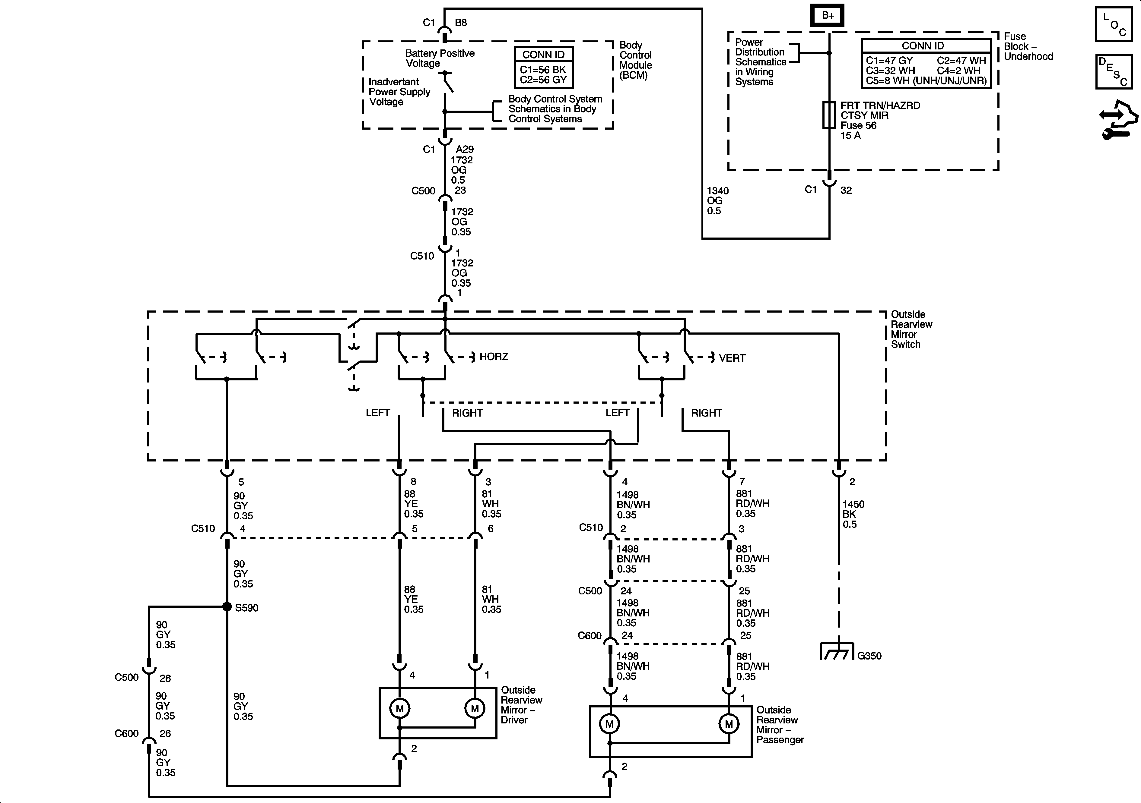
🢒 Outside Mirror Schematics
Outside Mirror Schematics
Master Electrical Component List
Outside Mirror Description and Operation
Control Module References
Subsystem References to Doors, Interior Lights and Interior Lights Dimming Systems
B+ Bus - Underhood Fuse Block - 1 of 2
G350