GM Service Manual Online
For 1990-2009 cars only
Makes
🢒
HUMMER
🢒
2006
🢒
H3
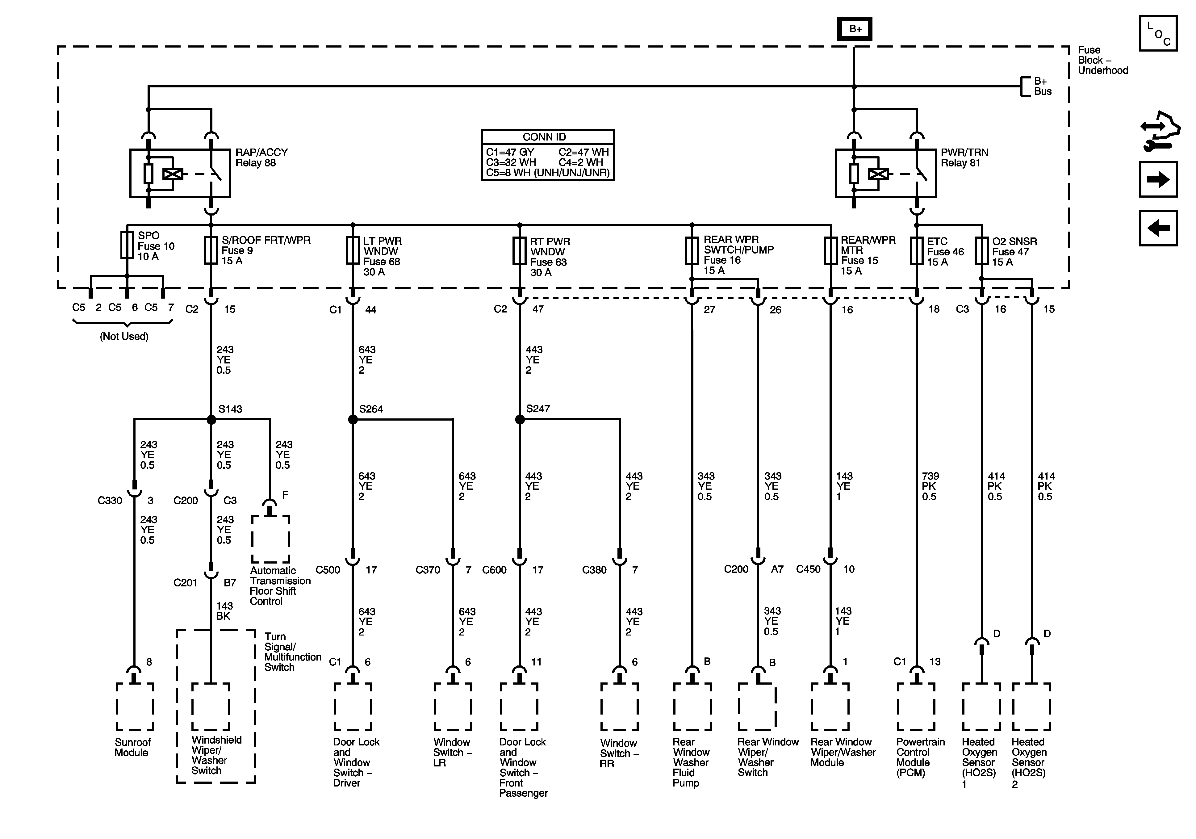
🢒 ETC, LH PWR WNDW, OXY SENSOR, PWR SNRF/WPR/SW, REAR WPR, RH PWR WNDW, RR WSH PMP, and SPO OUTPUT Fuses
ETC, LH PWR WNDW, OXY SENSOR, PWR SNRF/WPR/SW, REAR WPR, RH PWR WNDW, RR WSH PMP, and SPO OUTPUT Fuses
ETC, LT PWR WNDW, O2 SNSR, REAR/WPR MTR, REAR WPR SWTCH/PUMP, RT PWR WNDW, SPO, and S/ROOF FRT/WPR Fuses
Master Electrical Component List
Control Module References
FUEL/PUMP, LH HDLP, and RH HDLP Fuses
RUN/CRNK Relay Bus - 3 of 3, ENG CNTRL SYS, INJ, and PCM-I Fuses
B+ Bus - Underhood Fuse Block - 1 of 2