GM Service Manual Online
For 1990-2009 cars only
Makes
🢒
HUMMER
🢒
2006
🢒
H3
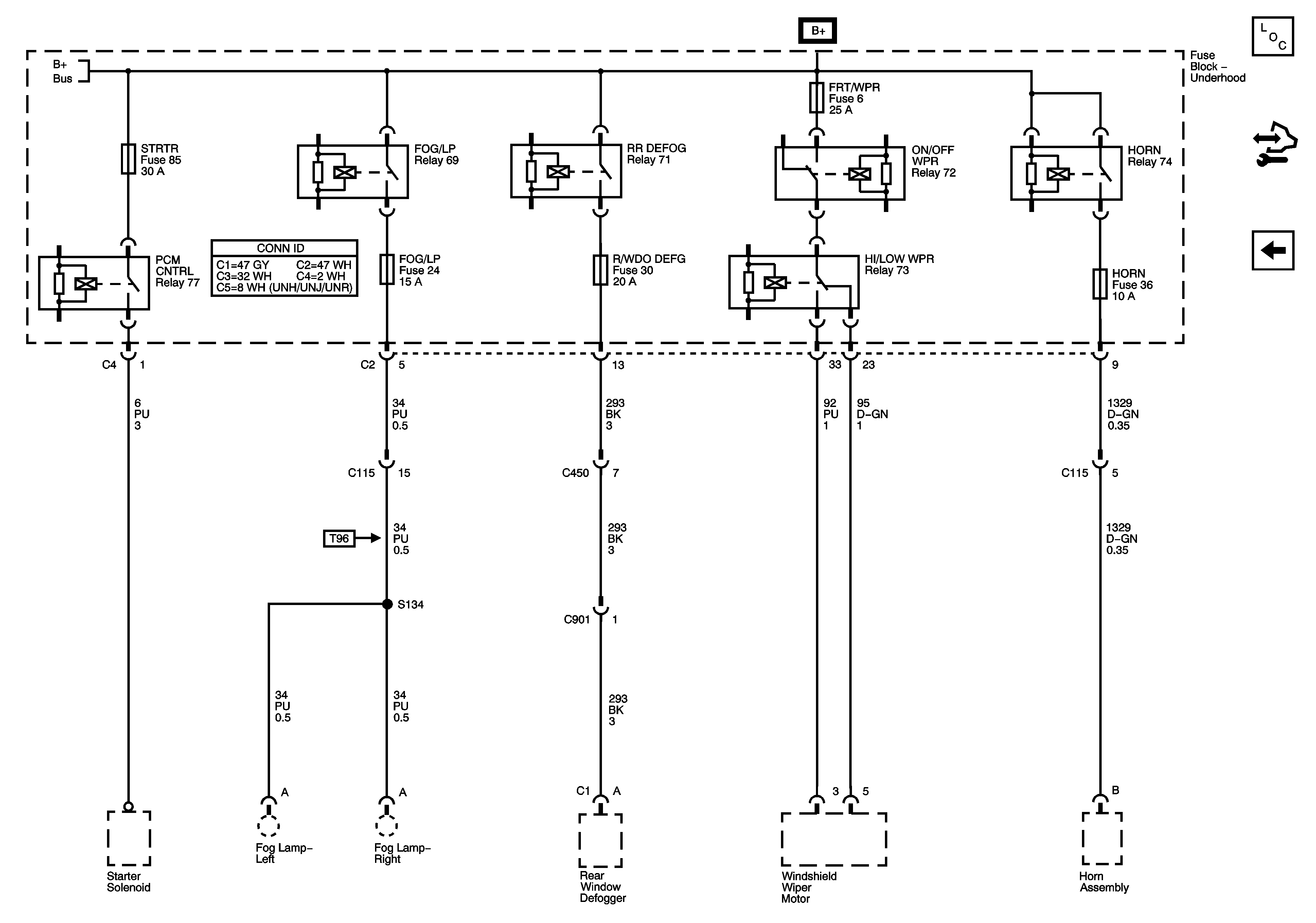
🢒 FOG/LP, FRT/WPR, HORN, R/WDO DEFG, and STRTR Fuses
FOG/LP, FRT/WPR, HORN, R/WDO DEFG, and STRTR Fuses
FOG/LP, FRT/WPR, HORN, R/WDO DEFG, and STRTR Fuses
Master Electrical Component List
Control Module References
HVAC BLWR, HVAC CNTRL HD, PWR HTR SWTCH, TCCM SWTCH, and VSES/ABS Fuses
B+ Bus - Underhood Fuse Block - 2 of 2