GM Service Manual Online
For 1990-2009 cars only
Makes
🢒
HUMMER
🢒
2007
🢒
H3
🢒
Engine
🢒
Engine Mechanical - 3.7L
🢒 Disassembled Views
Figure
1:
Lower Engine Components
(100)
Engine Block
(101)
Transmission Locator Pin
(102)
Cylinder Head Locator Pin
(102)
Cylinder Head Locator Pin
(103)
Main Bearing Cap Locator Pin
(104)
Engine Front Cover Locator Pin
(105)
Cylinder Sleeve
(106)
Connecting Rod Bolt
(107)
Connecting Rod Cap
(108)
Connecting Rod Lower Bearing
(109)
Connecting Rod Upper Bearing
(110)
Connecting Rod
(111)
Connecting Rod Bushing
(112)
Piston Pin Retainer
(112)
Piston Pin Retainer
(113)
Piston Pin
(114)
Piston
(115)
Oil Control Ring Set
(116)
Lower Compression Ring
(117)
Upper Compression Ring
(118)
Crankshaft
(119)
Upper Main Bearings
(119)
Upper Main Bearings
(120)
Main Thrust Bearing
(121)
Lower Main Bearings
(122)
Main Bearing Caps
(123)
Main Bearing Cap Stiffener
(124)
Main Bearing Cap Bolt
(125)
Flywheel - Automatic Transmission
(126)
Flywheel Bolt
(127)
Flywheel - Manual Transmission
(128)
Flywheel Locator
(129)
Clutch Pilot Bearing
(130)
Crankshaft Sprocket
(131)
Crankshaft Balancer
(132)
Crankshaft Balancer Bolt
(133)
Friction Washer
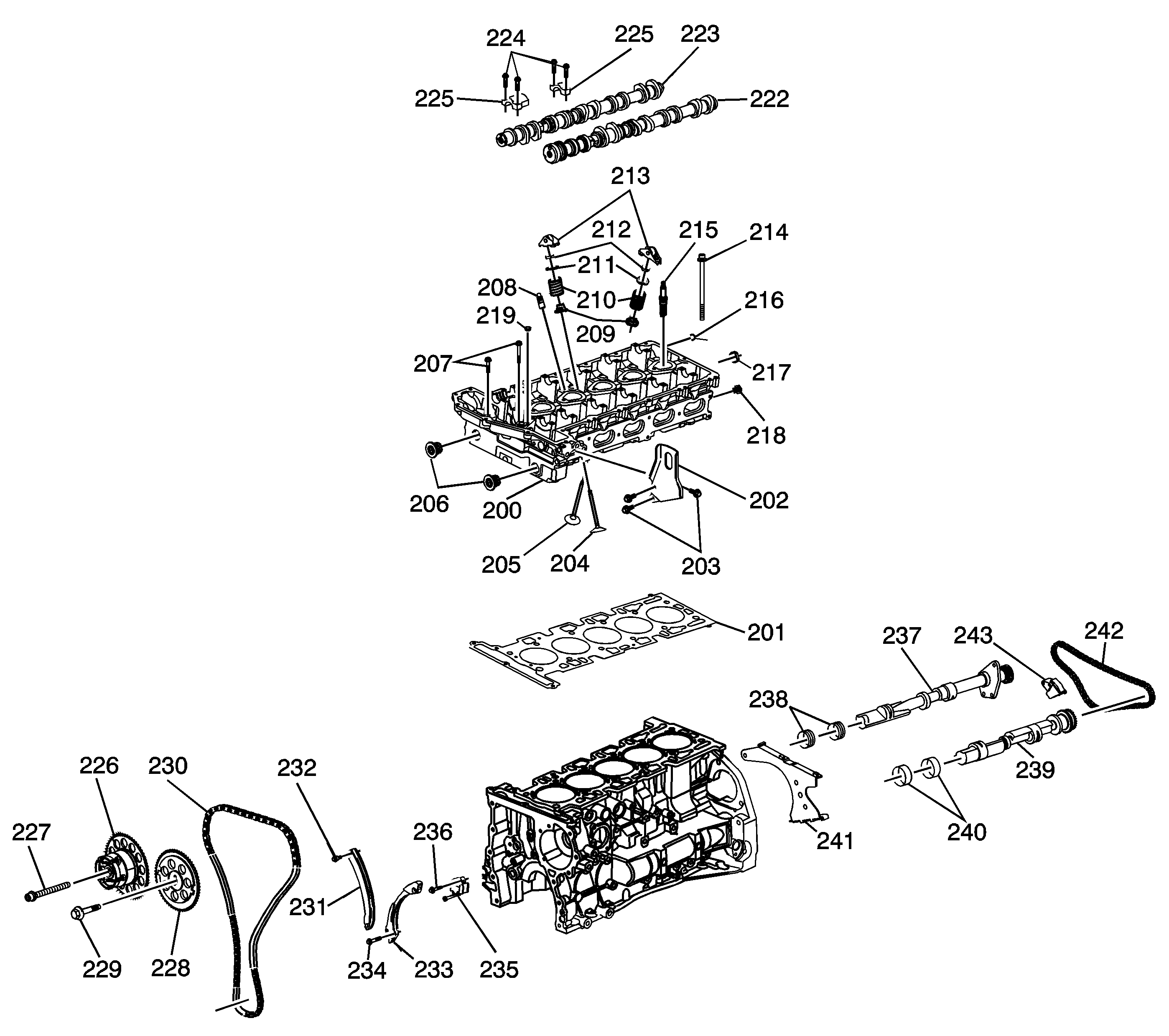
Figure
2:
Cylinder Head Components
(200)
Cylinder Head
(201)
Cylinder Head Gasket
(202)
Engine Lift Bracket
(203)
Engine Lift Bracket Bolts
(204)
Intake Valve
(205)
Exhaust Valve
(206)
Access Hole Plugs
(207)
Cylinder Head Bolt
(208)
Valve Lash Adjusters
(209)
Valve Seals
(210)
Valve Springs
(211)
Valve Spring Retainers
(212)
Valve Keys
(213)
Valve Rocker Arms
(214)
Cylinder Head Bolt
(215)
Spark Plug
(216)
A.I.R. Pipe Plug
(217)
Water Jacket Plug
(218)
Oil Gallery Plug
(219)
Oil Gallery Plug
(222)
Intake Camshaft
(223)
Exhaust Camshaft
(224)
Camshaft Cap Bolts
(225)
Camshaft Cap
(225)
Camshaft Cap
(226)
Exhaust Camshaft Actuator
(227)
Exhaust Camshaft Actuator Bolt
(228)
Intake Camshaft Sprocket
(229)
Intake Camshaft Sprocket Bolt
(230)
Timing Chain
(231)
Timing Chain Tensioner Shoe
(232)
Timing Chain Tensioner Shoe Bolt
(233)
Timing Chain Guide
(234)
Timing Chain Guide Bolt
(235)
Timing Chain Tensioner
(236)
Timing Chain Tensioner Bolt
(237)
Right Balance Shaft
(238)
Right Front and Rear Balance Shaft Bearings
(239)
Left Balance Shaft
(240)
Left Front and Rear Balance Shaft Bearings
(241)
Balance Shaft Chain Guide
(242)
Balance Shaft Chain
(243)
Balance Shaft Chain Tensioner
Figure
3:
Cooling Components
(300)
Water Pump
(301)
Water Pump Pulley
(302)
Water Pump Pulley Bolt
(303)
Water Pump Gasket
(304)
Water Pump Bolt
(305)
Thermostat Housing
(306)
Thermostat Housing Seal
(307)
Thermostat Housing Bolt
(308)
Water Outlet
(309)
Water Outlet Bolt
(310)
Water Outlet Seal
(311)
Heater Inlet Hose Fitting
(312)
Heater Outlet Hose Fitting
(313)
Coolant Temperature Sensor
Figure
4:
Lubrication Components
(400)
Oil Pan
(401)
Oil Pan Bolt
(401)
Oil Pan Bolts
(402)
Oil Pan Bolt
(403)
Oil Pan Bolt
(404)
Oil Drain Plug
(405)
Oil Drain Plug Gasket
(406)
Oil Pump Pickup Tube
(407)
Oil Pump Pickup Tube Bolt
(407)
Oil Pump Pickup Tube Bolt
(408)
Oil Filter
(409)
Oil Filter Adapter
(410)
Oil Filter Bypass Valve
(411)
Oil Pump
(412)
Oil Pump Seal
(413)
Oil Pump Bolt
(414)
Oil Pressure Relief Valve
(415)
Oil Pressure Relief Valve Spring
(416)
Oil Pressure Relief Valve Plug
(417)
Oil Pump Inner Gear
(418)
Oil Pump Outer Gear
(419)
Oil Pump Pickup Tube Gasket
(420)
Oil Pressure Switch
(421)
Camshaft Position Actuator Solenoid Valve
(422)
Camshaft Position Actuator Solenoid Valve Bolt
(423)
Oil Level Indicator Tube
(424)
Oil Level Indicator
(425)
Oil Level Indicator Tube Stud
(426)
Oil Level Indicator Nut
Figure
5:
Engine Cover and Components
(500)
Intake Manifold
(501)
Intake Manifold Seal
(502)
Intake Manifold Bolt
(503)
Positive Crankcase Vent Hose
(504)
Throttle Control Module
(505)
Throttle Control Module Bolt
(506)
Throttle Control Module Seal
(507)
Fuel Injector Rail
(508)
Fuel Injector Rail Bolt
(509)
Crankshaft Rear Oil Seal Housing
(510)
Crankshaft Rear Oil Seal Housing Bolt
(511)
Crankshaft Rear Oil Seal
(512)
Engine Front Cover
(513)
Engine Front Cover Bolt
(514)
Engine Front Center Cover Bolt
(515)
Engine Front Oil Seal
(516)
Engine Front Cover Bolt
(517)
Engine Front Cover Bolt Spacer
(518)
Camshaft Cover
(519)
Camshaft Cover Bolt
(520)
Camshaft Cover Seal
(521)
Oil Fill Cap
Figure
6:
Engine Exhaust and Components
(600)
Exhaust Manifold
(601)
Exhaust Manifold Gasket
(602)
Exhaust Manifold Bolt
(603)
Exhaust Manifold Heat Shield
(604)
Exhaust Manifold Heat Shield Stud
(605)
Exhaust Manifold Heat Shield Nut
(700)
Ignition Control Module
(701)
Ignition Control Module Spring
(702)
Ignition Control Module Boot
(703)
Exhaust Camshaft Position Sensor
(704)
Exhaust Camshaft Position Sensor Bolt
(705)
EVAP Emission Canister Purge Solenoid
(706)
EVAP Emission Canister Purge Solenoid Bolt
(707)
Knock Sensor Bolt
(708)
Knock Sensor
(709)
Knock Sensor
(710)
Intake Camshaft Sensor
(711)
Intake Camshaft Sensor Bolt
(712)
Crankshaft Position Sensor