GM Service Manual Online
For 1990-2009 cars only
Figure 1:

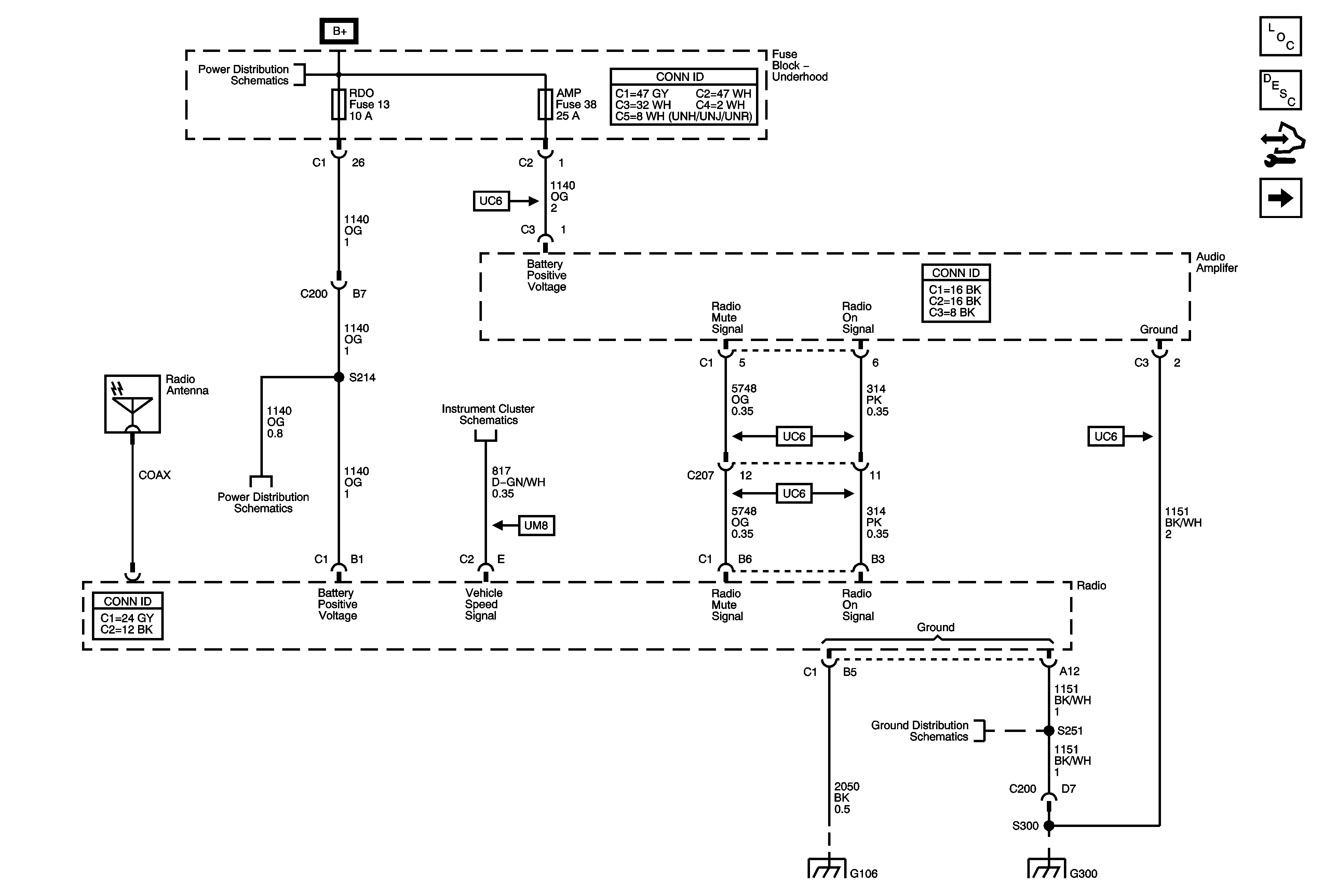
Audio Amplifier and Radio, Power, Ground, and Serial Data


Object Number: 1778518  Size: FS
Master Electrical Component List
Radio/Audio System Description and Operation
Control Module References
Audio Amplifier and Premium Radio Low Level Audio Outputs
B+ Bus - Underhood Fuse Block - 1 of 2
Gages
ABS/VSES1-SOL, ABS/VSES2-MTR, AUX PWR 1, AUX PWR 2, CLSTR, CNSTR VENT, PCM-B, RDO, STOP, and TCCM Fuses
G300, G310, and G320
G106
G300, G310, and G320
Figure 2:

Audio Amplifier and Premium Radio Low Level Audio Outputs


Object Number: 1778529  Size: FS
Master Electrical Component List
Radio/Audio System Description and Operation
Control Module References
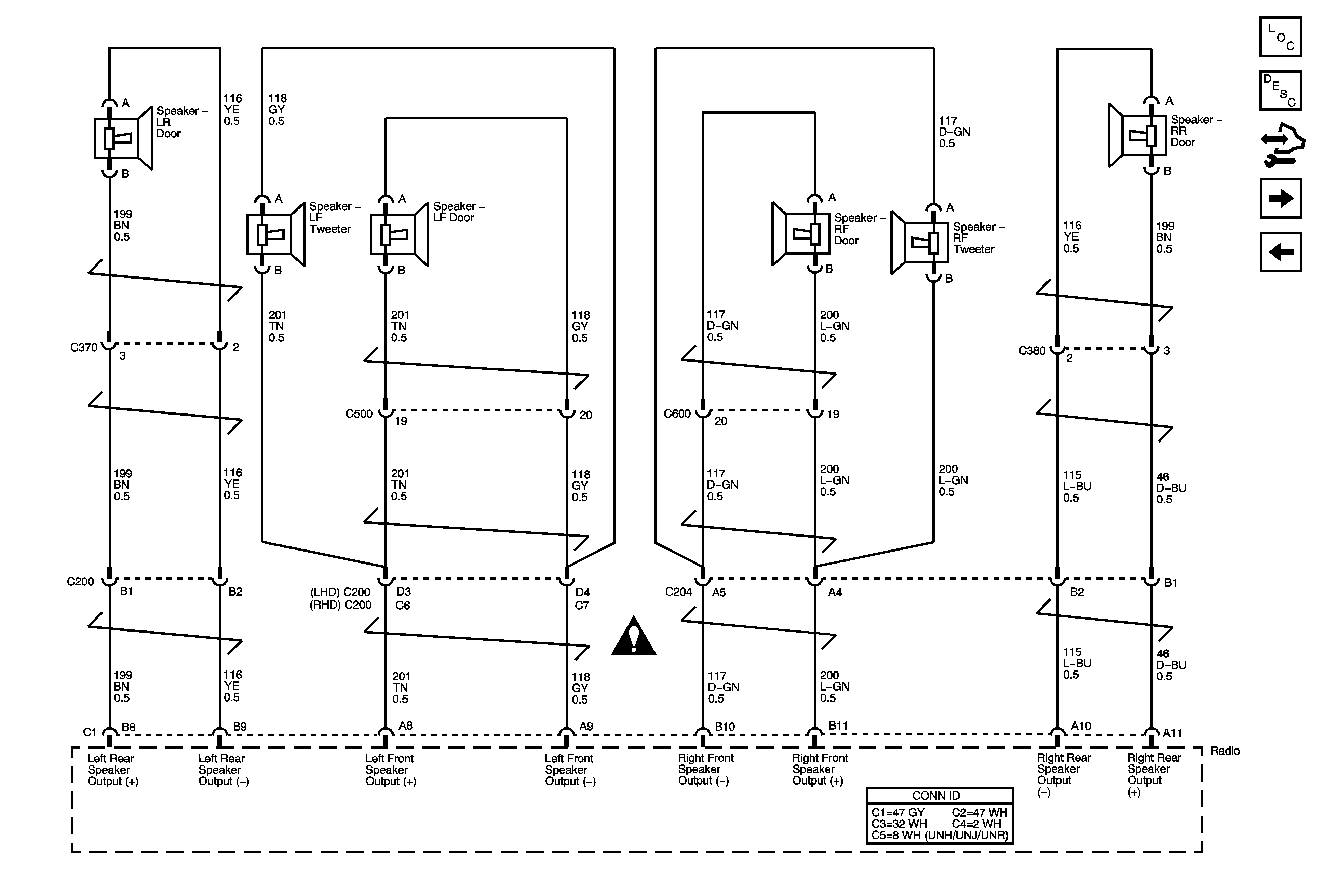
Base Radio Speakers
Audio Amplifier and Radio, Power, Ground, and Serial Data
Entertainment Schematic Icons
Entertainment Schematic Icons
Figure 3:

Base Radio Speakers


Object Number: 1778533  Size: FS
Master Electrical Component List
Radio/Audio System Description and Operation
Control Module References
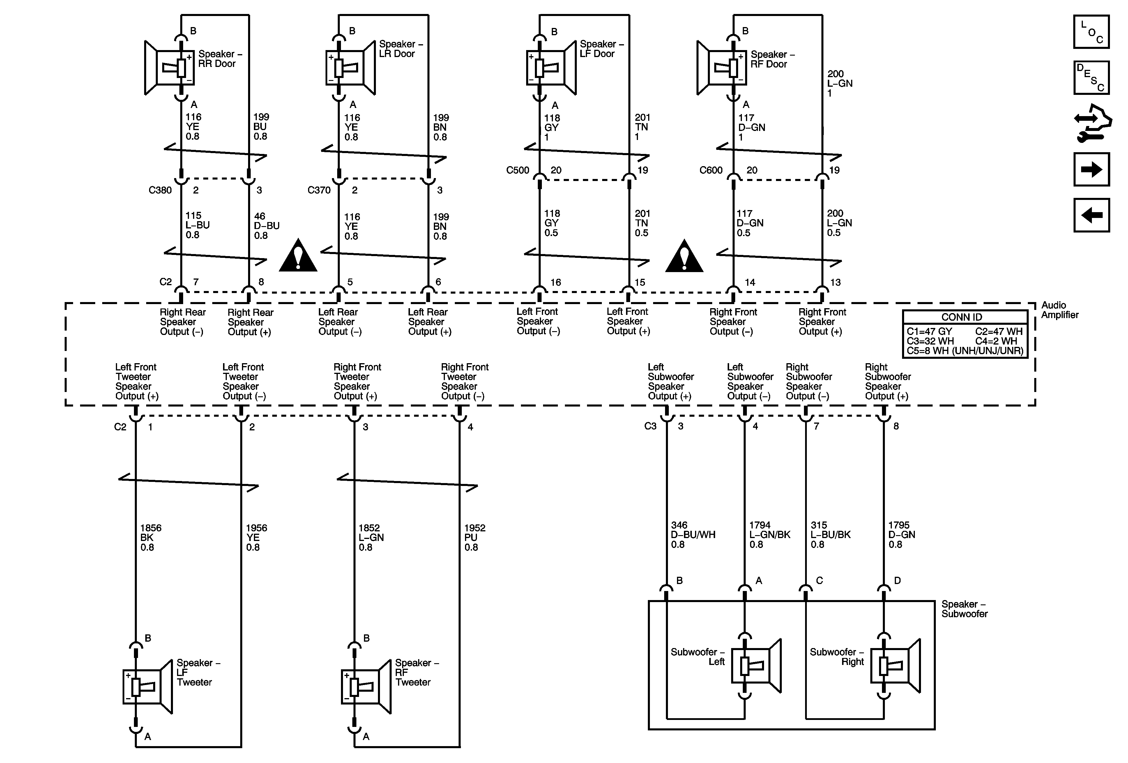
Premium Radio Speakers
Audio Amplifier and Premium Radio Low Level Audio Outputs
Entertainment Schematic Icons
Figure 4:

Premium Radio Speakers


Object Number: 1778537  Size: FS
Master Electrical Component List
Radio/Audio System Description and Operation
Control Module References
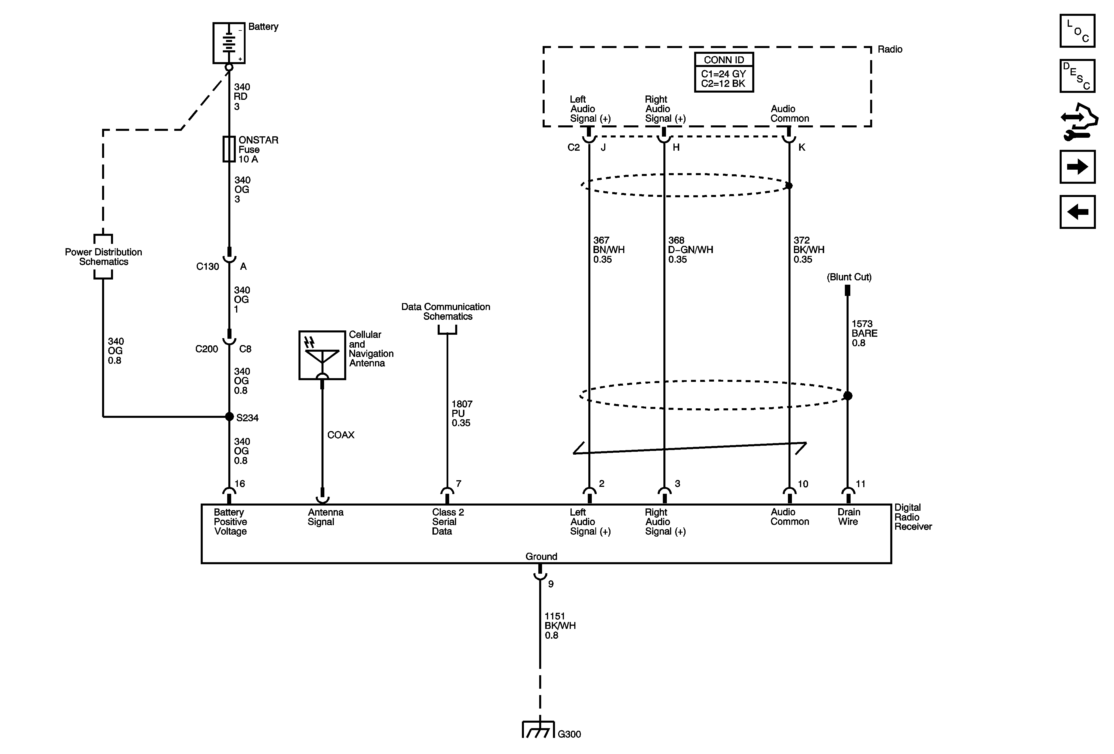
Digital Radio Receiver (U2K)
Base Radio Speakers
Entertainment Schematic Icons
Entertainment Schematic Icons
Figure 5:

Digital Radio Receiver (U2K)


Object Number: 1778540  Size: FS
Master Electrical Component List
Radio/Audio System Description and Operation
Control Module References
Navigation System Schematics
Premium Radio Speakers
B+ Bus - Underhood Fuse Block - 1 of 2
Data Link Connector (DLC) Schematics
G300, G310, and G320
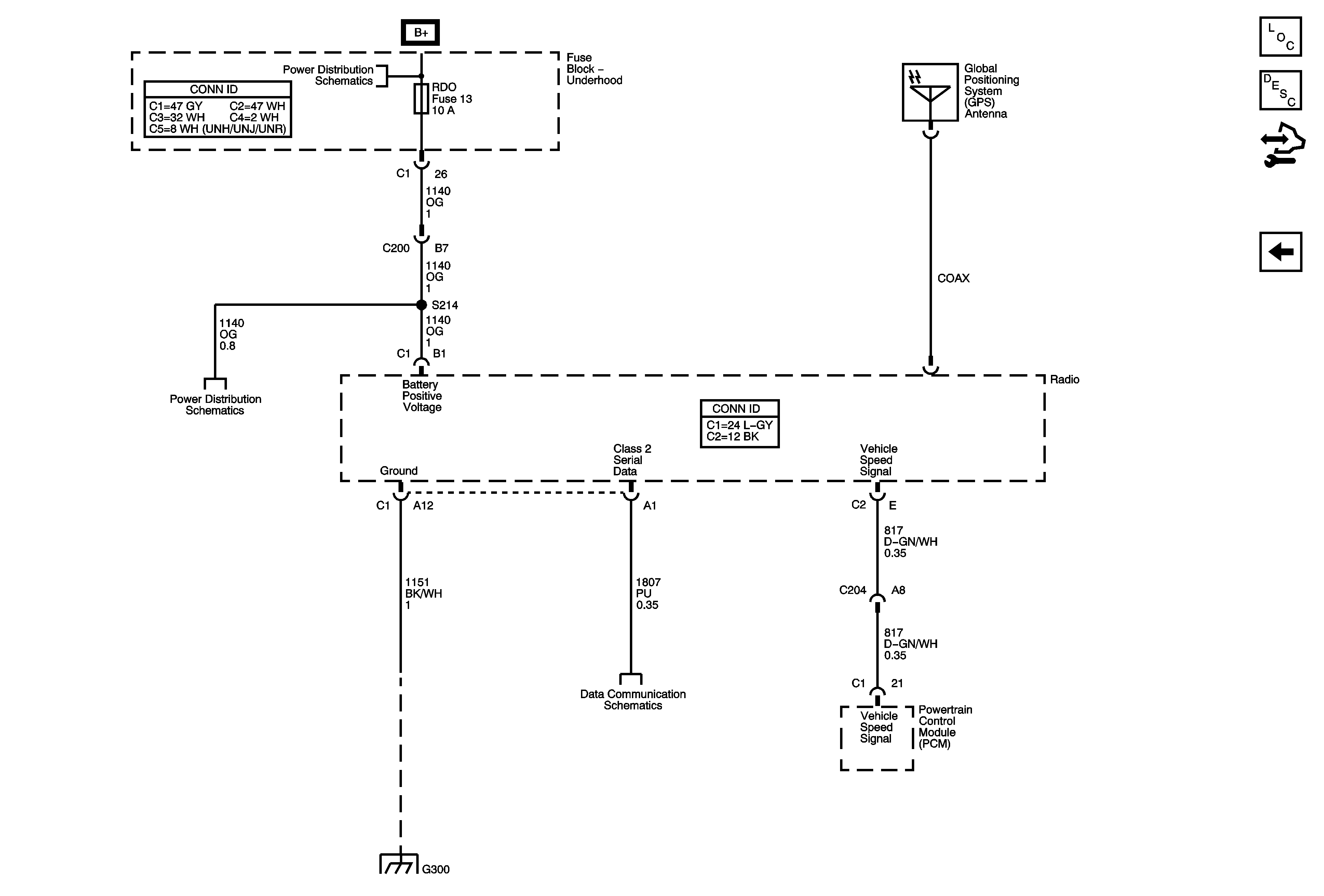
Figure 6:

Navigation System


Object Number: 1778545  Size: FS
Master Electrical Component List
Navigation System Description and Operation
Control Module References
B+ Bus - Underhood Fuse Block - 1 of 2
ABS/VSES1-SOL, ABS/VSES2-MTR, AUX PWR 1, AUX PWR 2, CLSTR, CNSTR VENT, PCM-B, RDO, STOP, and TCCM Fuses
G300, G310, and G320
Data Link Connector (DLC) Schematics