GM Service Manual Online
For 1990-2009 cars only

Removal Procedure

  1. Raise and support the vehicle. Refer to Lifting and Jacking the Vehicle .
  2. Support the rear axle independently in order to relieve the tension on the leaf springs.
  3. Disconnect the rear park brake cable. Refer to Parking Brake Rear Cable Replacement - Left Side or to Parking Brake Rear Cable Replacement - Right Side .
  4. Remove the absorber lower mounting nut and bolt. Refer to Shock Absorber Replacement .
  5. Remove the trailer hitch if equipped. Refer to Trailer Hitch Replacement .

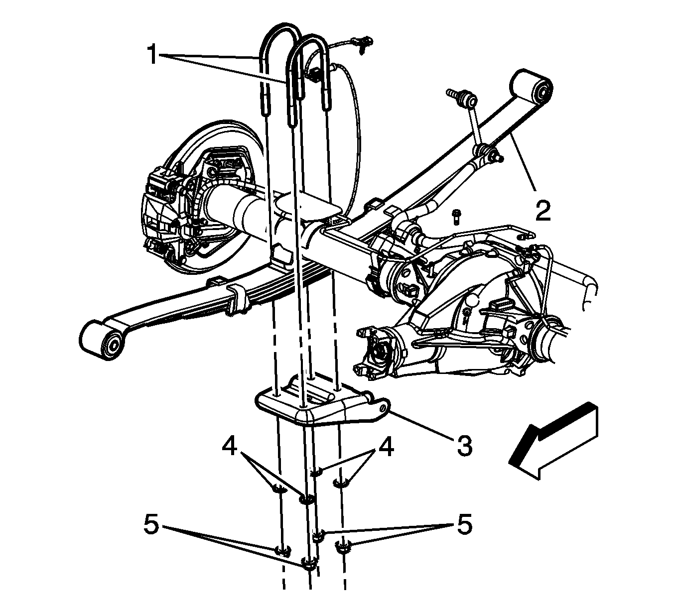
  6. Object Number: 1688842  Size: SH
  7. Remove the U-bolt nuts (5) and washers (4).
  8. Remove the anchor plate (3).
  9. Remove the U-bolts (1).

  10. Object Number: 1688838  Size: SH
  11. Remove the rear spring hanger bracket nut and bolt.

  12. Object Number: 941641  Size: SH
  13. Remove the front spring bracket bolt.

  14. Object Number: 1688848  Size: SH
  15. Remove the leaf spring assembly (1) from the vehicle.

Installation Procedure


    Object Number: 1688848  Size: SH
  1. Install the leaf spring assembly (1) to the vehicle.

  2. Object Number: 941641  Size: SH
  3. Install the front spring hanger bracket bolt.
  4. Install the front spring hanger bracket nut.

  5. Object Number: 1688838  Size: SH
  6. Install the rear spring hanger bracket bolt.
  7. Install the rear spring hanger bracket nut.

  8. Object Number: 1688842  Size: SH

    Important: Do not reuse the U-bolts.

  9. Install the new U-bolts (1).
  10. Install the anchor plate (3).
  11. Notice: Refer to Fastener Notice in the Preface section.

  12. Install the U-bolt washers (4) and nuts (5).
  13. Tighten
    Tighten the U-bolt nuts to 76 N·m (56 lb ft).

  14. Install the absorber lower mounting nut and bolt. Refer to Shock Absorber Replacement .
  15. Install the trailer hitch, if equipped. Refer to Trailer Hitch Replacement .
  16. Connect the rear park brake cable. Refer to Parking Brake Rear Cable Replacement - Left Side or to Parking Brake Rear Cable Replacement - Right Side .
  17. Remove the rear axle support.
  18. Lower the vehicle.
  19. With the vehicle at trim height, tighten the front leaf spring to frame nut and the rear leaf spring shackle nuts.
  20. Tighten

        • Tighten the front leaf spring nut to 125 N·m (92 lb ft).
        • Tighten the rear leaf spring shackle nuts to 85 N·m (63 lb ft).