GM Service Manual Online
For 1990-2009 cars only
Makes
🢒
HUMMER
🢒
2007
🢒
H3
🢒
Body Systems
🢒
Horns
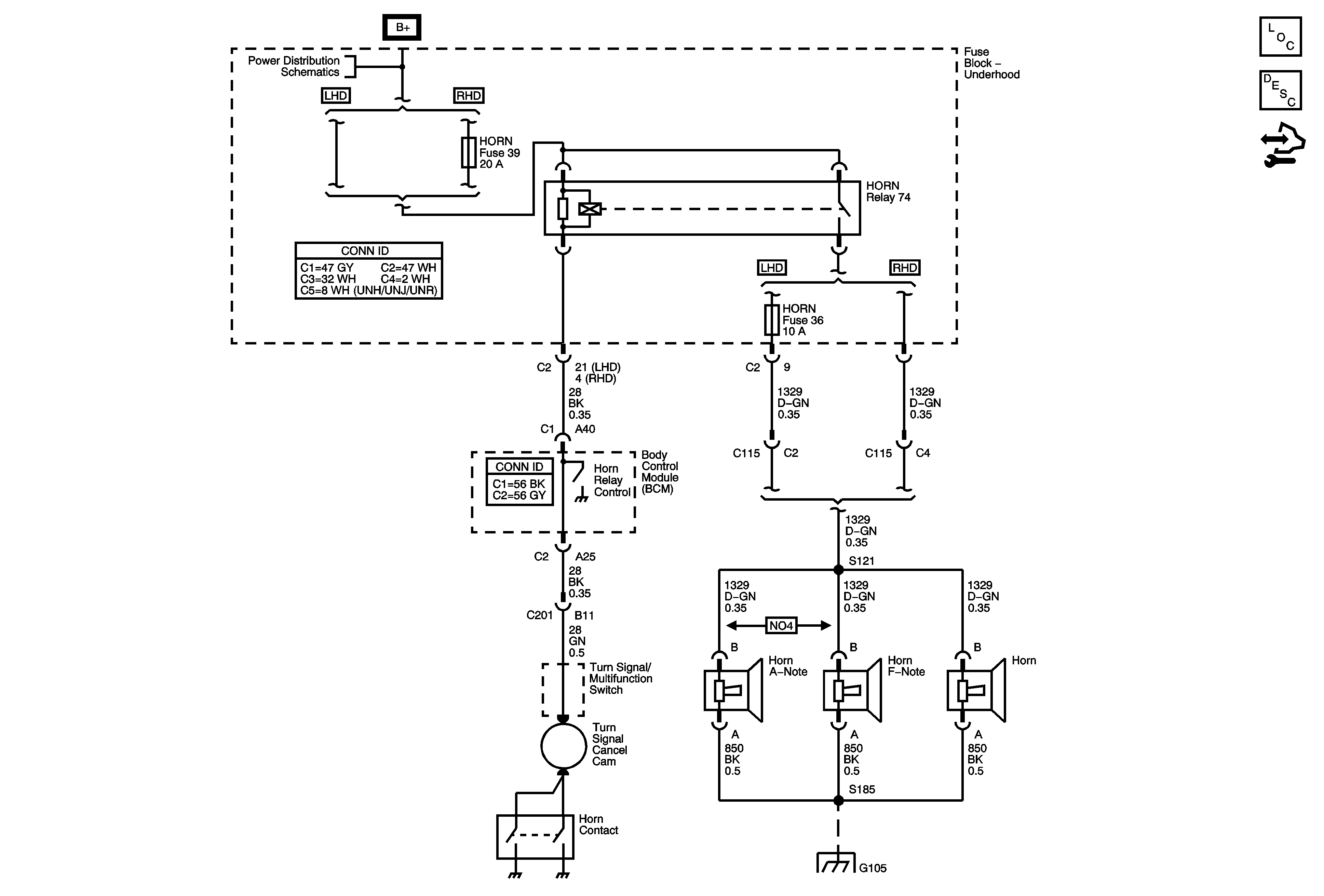
🢒 Horn Schematics
Master Electrical Component List
Horns System Description and Operation
Control Module References
B+ Bus - Underhood Fuse Block - 2 of 2
G105