GM Service Manual Online
For 1990-2009 cars only
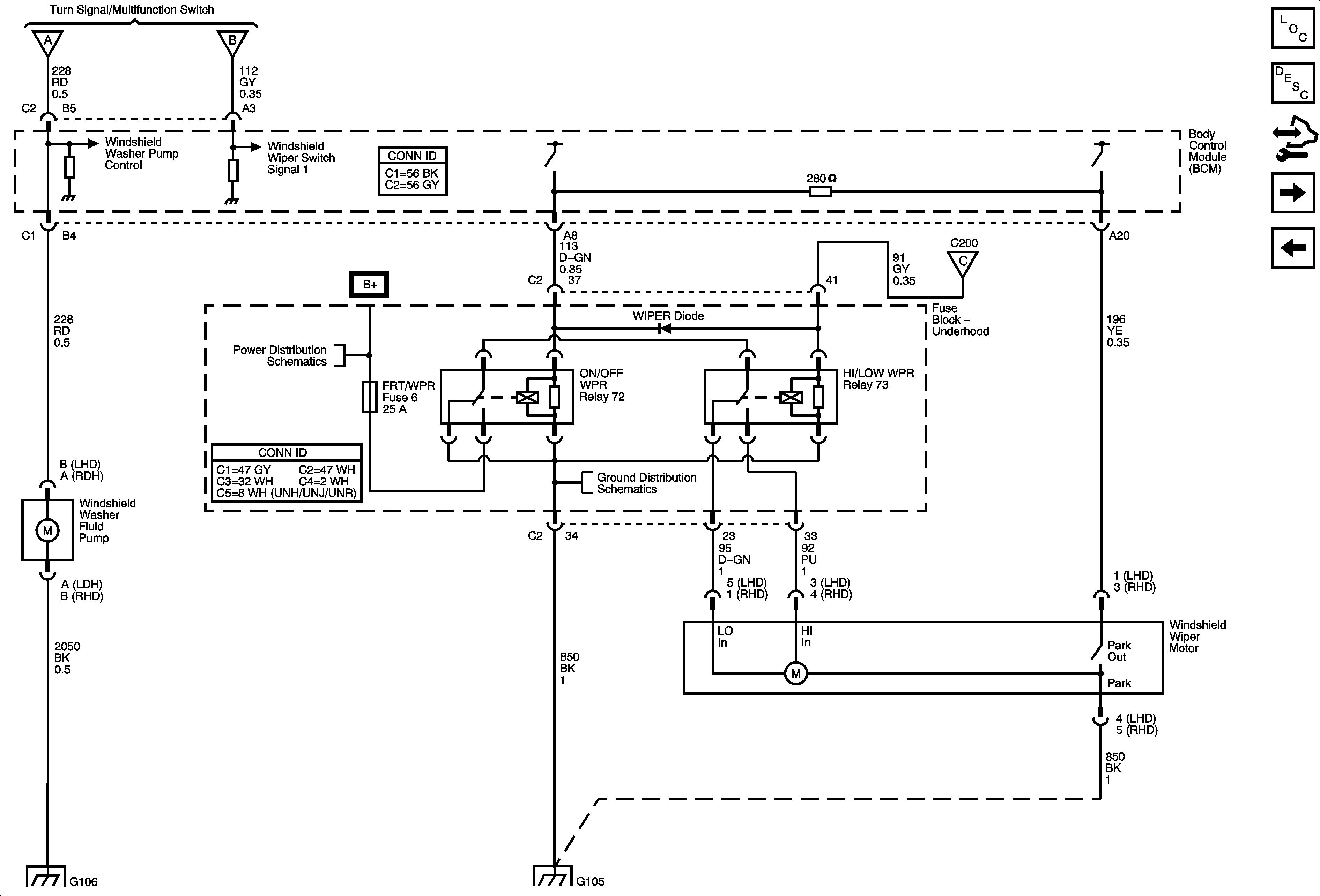
Figure 1:

Windshield Wiper/Washer Switch


Object Number: 1778133  Size: FS
Master Electrical Component List
Wiper/Washer System Description and Operation
Control Module References
Windshield Washer Fluid Pump and Windshield Wiper Motor
B+ Bus - Underhood Fuse Block - 1 of 2
ETC, LT PWR WNDW, O2 SNSR, REAR/WPR MTR, REAR WPR SWTCH/PUMP, RT PWR WNDW, SPO, AND S/ROOF FRT/WPR Fuses
ETC, LT PWR WNDW, O2 SNSR, REAR/WPR MTR, REAR WPR SWTCH/PUMP, RT PWR WNDW, SPO, AND S/ROOF FRT/WPR Fuses
Windshield Washer Fluid Pump and Windshield Wiper Motor
Windshield Washer Fluid Pump and Windshield Wiper Motor
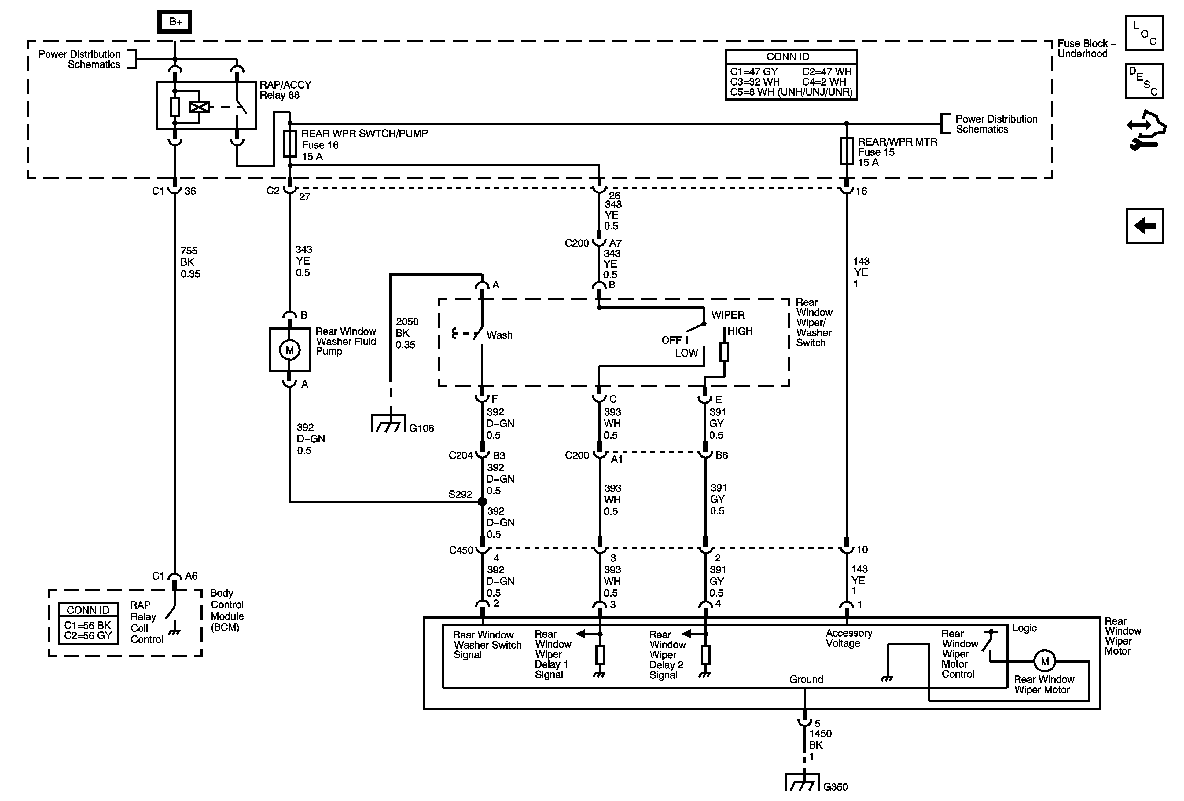
Figure 2:

Windshield Washer Fluid Pump and Windshield Wiper Motor


Object Number: 1778137  Size: FS
Master Electrical Component List
Wiper/Washer System Description and Operation
Control Module References
Rear Wiper
Windshield Wiper/Washer Switch
Windshield Wiper/Washer Switch
Windshield Wiper/Washer Switch
B+ Bus - Underhood Fuse Block - 1 of 2
G105
G106
G105
G105
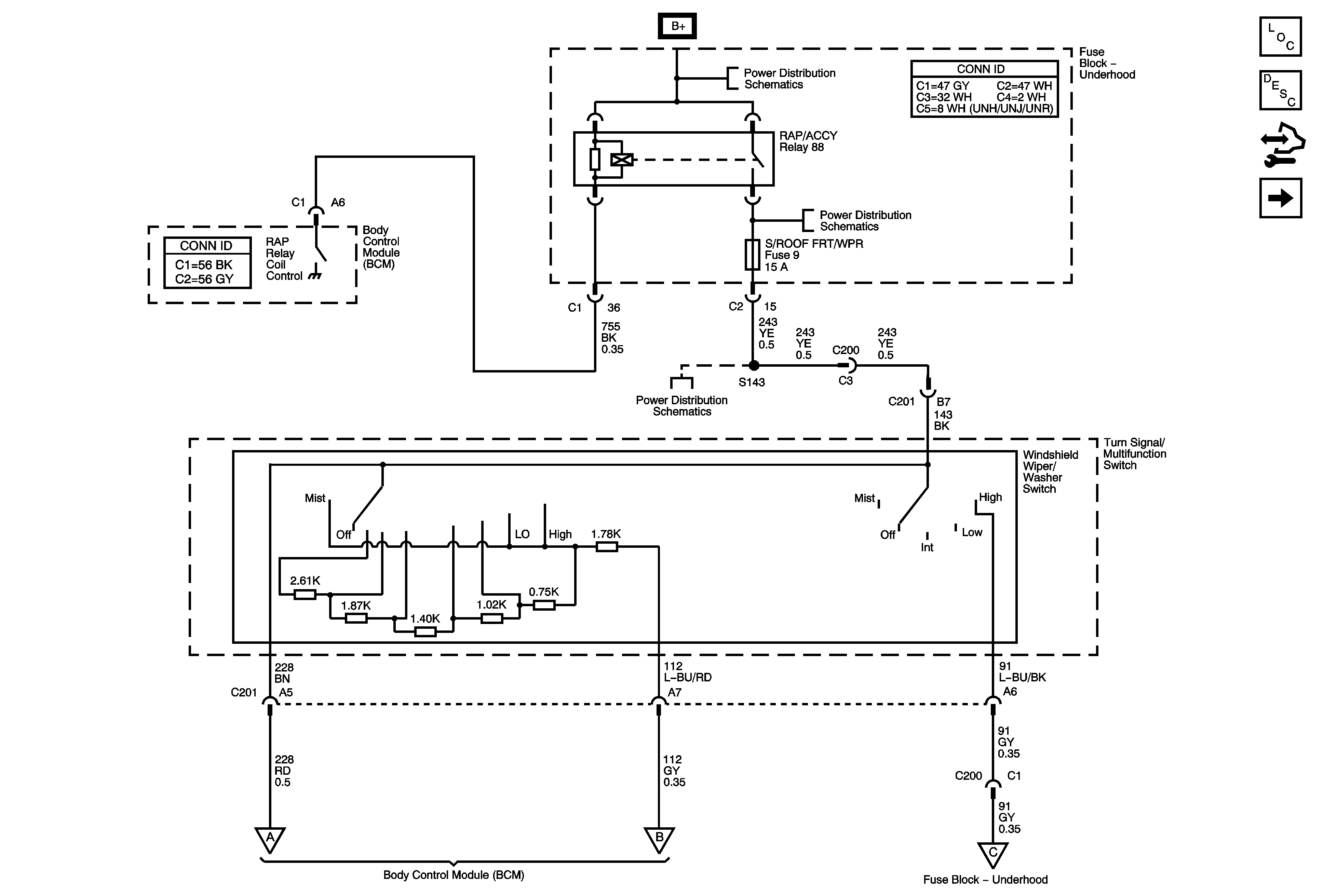
Figure 3:

Rear Wiper


Object Number: 1778149  Size: FS
Master Electrical Component List
Rear Wiper/Washer System Description and Operation
Control Module References
Windshield Washer Fluid Pump and Windshield Wiper Motor
B+ Bus - Underhood Fuse Block - 1 of 2
ETC, LT PWR WNDW, O2 SNSR, REAR/WPR MTR, REAR WPR SWTCH/PUMP, RT PWR WNDW, SPO, AND S/ROOF FRT/WPR Fuses
G106
G350