GM Service Manual Online
For 1990-2009 cars only
  1. Raise the vehicle. Refer to Lifting and Jacking the Vehicle .
  2. Determine the VIN of the vehicle:
  3. • If the VIN is 56TDN13E778100102 or prior, proceed to step 3.
    • If the VIN is after 56TDN13E778100102, perform steps 3-9 and 14 only.

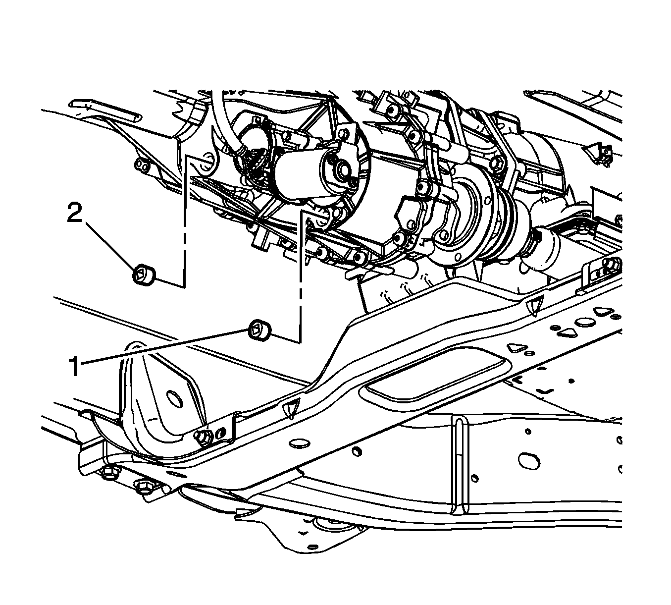
    Object Number: 1913261  Size: SH
  4. Remove the transfer case drain plug (1) and drain the fluid.
  5. Apply pipe sealant GM P/N 12346004 (Canadian P/N 10953480) to the threads of the transfer case drain plug.
  6. Notice: Refer to Fastener Notice in the Preface section.

  7. Install the transfer case drain plug (1).
  8. Tighten
    Tighten the transfer case drain plug to 25 N·m (18 lb ft).

  9. Remove the transfer case fill plug (2).
  10. Fill the transfer case to the bottom of the fill hole with manual transmission and transfer case fluid. Refer to Adhesives, Fluids, Lubricants, and Sealers .
  11. Apply pipe sealant G/M P/N 12346004 (Canadian P/N 10953480) to the threads of the transfer case plug.
  12. Install the transfer case fill plug.
  13. Tighten
    Tighten the transfer case fill plug to 25 N·m (18 lb ft).

  14. If the VIN is 56TDN13E778100102 or prior proceed to the next step, if not proceed to step 14.
  15. Remove the speed sensor from the transfer case. Refer to Transfer Case Speed Sensor Replacement .

  16. Object Number: 1664459  Size: SH

    Important: A hand pump, or equivalent, will be required to perform step 12.

  17. Add 250 ml (8.45 oz) of manual transmission and transfer case fluid. Refer to Adhesives, Fluids, Lubricants, and Sealers .
  18. Notice: Refer to Component Fastener Tightening Notice in the Preface section.

  19. Install the speed sensor to the top of the transfer case and connect the electrical connector.
  20. Tighten
    Tighten the speed sensor to 17 N·m (13 lb ft).

  21. Lower the vehicle.