GM Service Manual Online
For 1990-2009 cars only

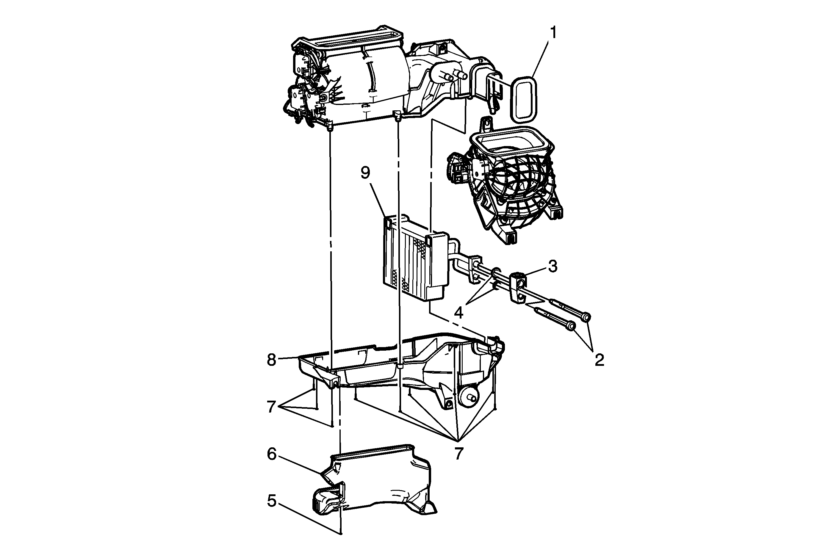
Air Conditioning Evaporator Core Replacement Left Hand Drive


Object Number: 1566573  Size: MF

Callout

Component Name

Preliminary Procedure

Remove the HVAC module assembly. Refer to HVAC Module Assembly Replacement .

1

Evaporator Case Seal

2

Thermal Expansion Valve Bolt

Notice: Refer to Fastener Notice in the Preface section.

Tighten
1.5 N·m (13 lb in)

3

Thermal Expansion Valve

4

Sealing Washer

Tip
Remove and discard seals. Refer to Sealing Washer Replacement .

5

Rear Air Outlet Duct Screw

6

Rear Air Outlet Duct

7

Evaporator Case Assembly Screw

Tighten
1.6 N·m (14 lb in)

8

Evaporator Lower Case

9

Air Conditioning Evaporator

Air Conditioning Evaporator Core Replacement Right Hand Drive


Object Number: 1890664  Size: MF

Callout

Component Name

Preliminary Procedure

Remove the HVAC module assembly. Refer to HVAC Module Assembly Replacement .

1

Evaporator Case Seal

2

Thermal Expansion Valve Bolt (Qty: 2)

Notice: Refer to Fastener Notice in the Preface section.

Tighten
1.5 N·m (13 lb in)

3

Thermal Expansion Valve

4

Sealing Washer

Procedure

Remove and discard seals. Refer to Sealing Washer Replacement .

5

Rear Air Outlet Duct Screw

6

Rear Air Outlet Duct

7

Evaporator Case Assembly Screw

Tighten
1.6 N·m (14 lb in)

8

Evaporator Lower Case

9

Air Conditioning Evaporator