GM Service Manual Online
For 1990-2009 cars only
Figure 1:

Engine Compartment


Object Number: 1554823  Size: LF
(1)Body Harness
(2)A/C Refrigerant Pressure Sensor
(3)A/C Compressor Clutch
(4)Ambient Air Temperature Sensor
(5)Inflatable Restraint Front End Sensor - Right
(6)Lower Radiator Support
(7)Inflatable Restraint Front End Sensor - Left
Figure 2:

Steering Column Harness Components


Object Number: 1550693  Size: LF
(1)Inflatable Restraint Steering Wheel Module Coil
(2)Inflatable Restraint Steering Wheel Module Connectors
(3)Ignition Switch
(4)Ignition Lock Cylinder Control Actuator (M30)
(5)Steering Wheel Position Sensor (JL4)
(6)C201 Steering Column Harness to I/P Harness
(7)C275 Steering Column Harness to I/P Harness
(8)Ignition Switch
(9)Turn Signal/Multifunction Switch
Figure 3:

I/P Harness Components


Object Number: 1550590  Size: LF
(1)Headlamp Switch
(2)Instrument Panel Cluster (IPC)
(3)Hazard Switch
(4)Accessory Switch
(5)Radio
(6)Ambient Light Sensor
(7)Inflatable Restraint I/P Module
(8)HVAC Control Module
(9)Auxiliary Power Outlets - Front
(10)Rear Window Wiper/Washer Switch
(11)Inflatable Restraint Steering Wheel Module
(12)Turn Signal/Multifunction Switch
Figure 4:

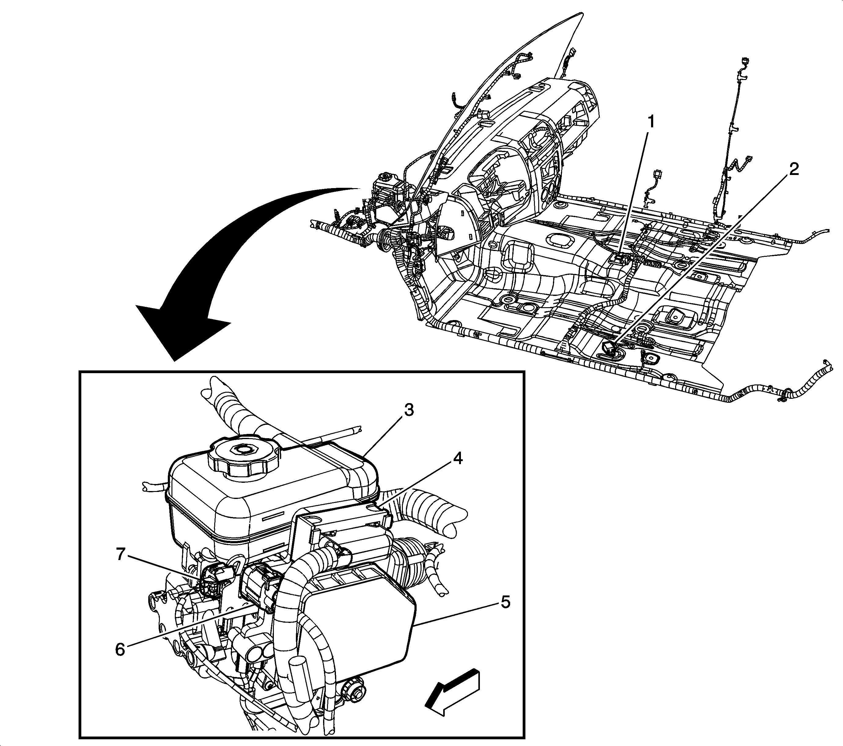
Brake Components


Object Number: 1554782  Size: LF
(1)Inflatable Restraint Vehicle Rollover Sensor (ASF)
(2)Yaw Rate/Lateral and Longitudinal Accelerometer Sensor (JL4)
(3)Brake Fluid Reservoir
(4)Electronic Brake Control Module (EBCM) C2
(5)Electronic Brake Control Module (EBCM)
(6)Electronic Brake Control Module (EBCM) C1
(7)Brake Fluid Level Switch
Figure 5:

SIR Components


Object Number: 1554778  Size: LF
(1)Inflatable Restraint Roof Rail Module - Right Connector (ASF)
(2)Inflatable Restraint Roof Rail Module - Right (ASF)
(3)Inflatable Restraint Side Impact Sensor (SIS) - Right (ASF)
(4)Seat Belt Pretensioner - RF
(5)Inflatable Restraint Vehicle Rollover Sensor (ASF)
(6)Inflatable Restraint Sensing and Diagnostic Module (SDM)
(7)Seat Belt Pretensioner - LF
(8)Inflatable Restraint Side Impact Sensor (SIS) - Left (ASF)
(9)Inflatable Restraint Roof Rail Module - Left (ASF)
(10)Inflatable Restraint Roof Rail Module - Left Connector (ASF)
(11)Inflatable Restraint Front Passenger Presence System (PPS) Indicator
Figure 6:

Driver Seat Components


Object Number: 1575915  Size: LF
(1)Heater Element Seat Back - Driver (KA1)
(2)Lumbar Pump Motor - Driver (AG1)
(3)Heater Element Seat Cushion - Driver (KA1)
(4)S306 (AG1)
(5)S312 (AG1)
(6)Seat Circuit Breaker (AG1)
(7)C307 (AG1)
(8)C308
(9)Heated Seat Module - Driver (KA1)
(10)Inflatable Restraint Seat Position Sensor (SPS) - Left
(11)Seat Motors - Driver (AG1)
(12)Seat Adjuster Switch - Driver (AG1)
(13)Lumbar Adjuster/Heater Switch - Driver (AG1)
(14)Seat Belt Buckle - Driver
Figure 7:

Passenger Seat Components


Object Number: 1821862  Size: LF
(1)Inflatable Restraint Passenger Presence System (PPS) Module
(2)Heater Element Seat Cushion - Passenger (KA1)
(3)Seat Belt Buckle - Passenger C1
(4)Seat Belt Buckle - Passenger C2
(5)C320
(6)C315
(7)C318 (AG2)
(8)S341 (AG2)
(9)S316 (AG2)
(10)Inflatable Restraint Passenger Presence System (PPS)
(11)Inflatable Restraint Seat Position Sensor (SPS) - Right
(12)Lumbar Pump Motor - Passenger (AG2)
(13)Heater Element Seat Back - Passenger (KA1)
(14)Heated Seat Module - Passenger (KA1)
(15)Seat Motors - Passenger (AG2)
(16)Seat Belt Buckle - Passenger
(17)Lumbar Adjuster/Heater Switch - Passenger (AG2)
(18)Seat Adjuster Switch - Passenger (AG2)