GM Service Manual Online
For 1990-2009 cars only
Makes
🢒
HUMMER
🢒
2007
🢒
H3
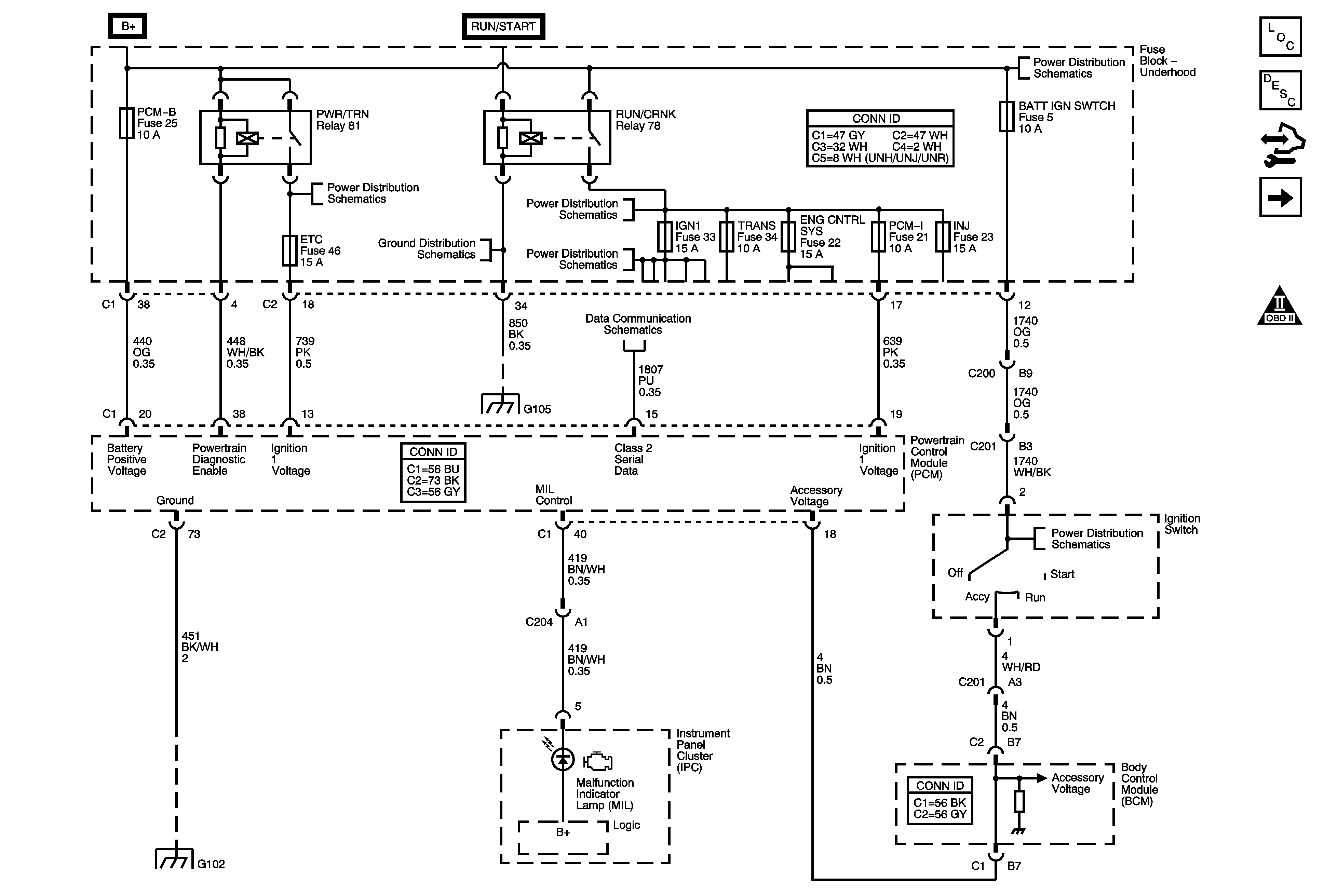
🢒 Module Power, Ground, Serial Data, MIL, and DLC
Module Power, Ground, Serial Data, MIL, and DLC
Module Power, Ground, Serial Data, MIL, and DLC
Master Electrical Component List
Powertrain Control Module Description
Control Module References
Engine Data Sensors - 5-Volt and Low Reference
Engine Controls Schematic Icons
B+ Bus - Underhood Fuse Block - 1 of 2
G105
B+ Bus - Underhood Fuse Block - 1 of 2
RUN/CRNK Relay Bus - 2 of 3, ABS/VSES, A/C CLUTCH, BCK/UP, and IGN1 Fuses
B+ Bus - Underhood Fuse Block - 1 of 2
Data Link Connector (DLC) Schematics
G105
Ignition Switch and BATT IGN SWTCH Fuse
G100, G102, G103, G104, G110, and G120