GM Service Manual Online
For 1990-2009 cars only
Makes
🢒
HUMMER
🢒
2007
🢒
H3
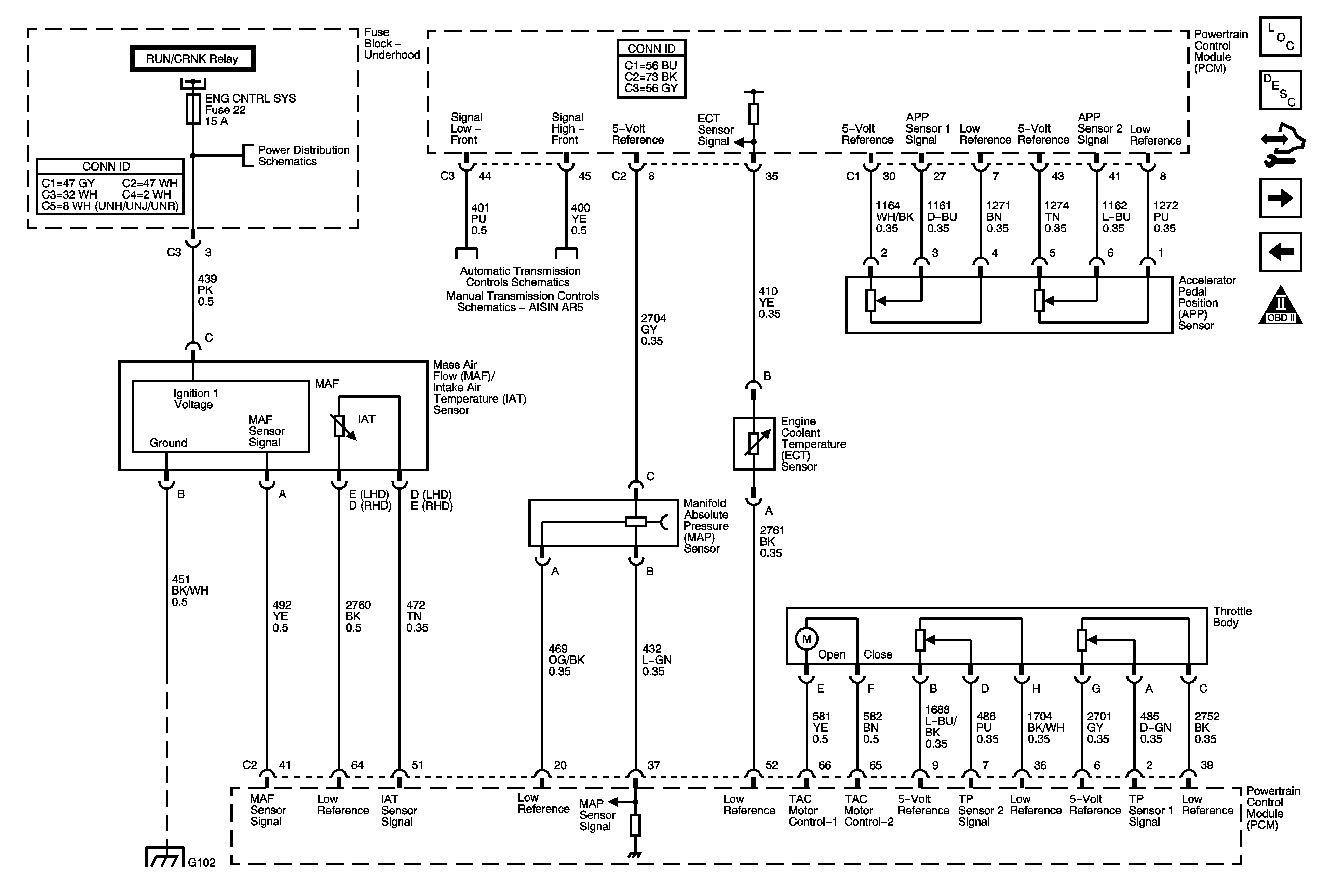
🢒 Engine Data Sensors - Pressure, Temperature, and Throttle Actuator Controls
Engine Data Sensors - Pressure, Temperature, and Throttle Actuator Controls
Engine Data Sensors - Pressure, Temperature, and Throttle Actuator Controls
Master Electrical Component List
Powertrain Control Module Description
Control Module References
Engine Data Sensors - Oxygen Sensors
Engine Data Sensors - 5-Volt and Low Reference
Engine Controls Schematic Icons
RUN/CRNK Relay Bus - 3 of 3, ENG CNTRL SYS, INJ, and PCM-I Fuses
TCC Brake/Cruise Release Switch and Vehicle Speed Sensor
Manual Transmission Schematics
G100, G102, G103, G104, G110, and G120