GM Service Manual Online
For 1990-2009 cars only
Makes
🢒
HUMMER
🢒
2007
🢒
H3
🢒 Indicators
Indicators
Indicators
Master Electrical Component List
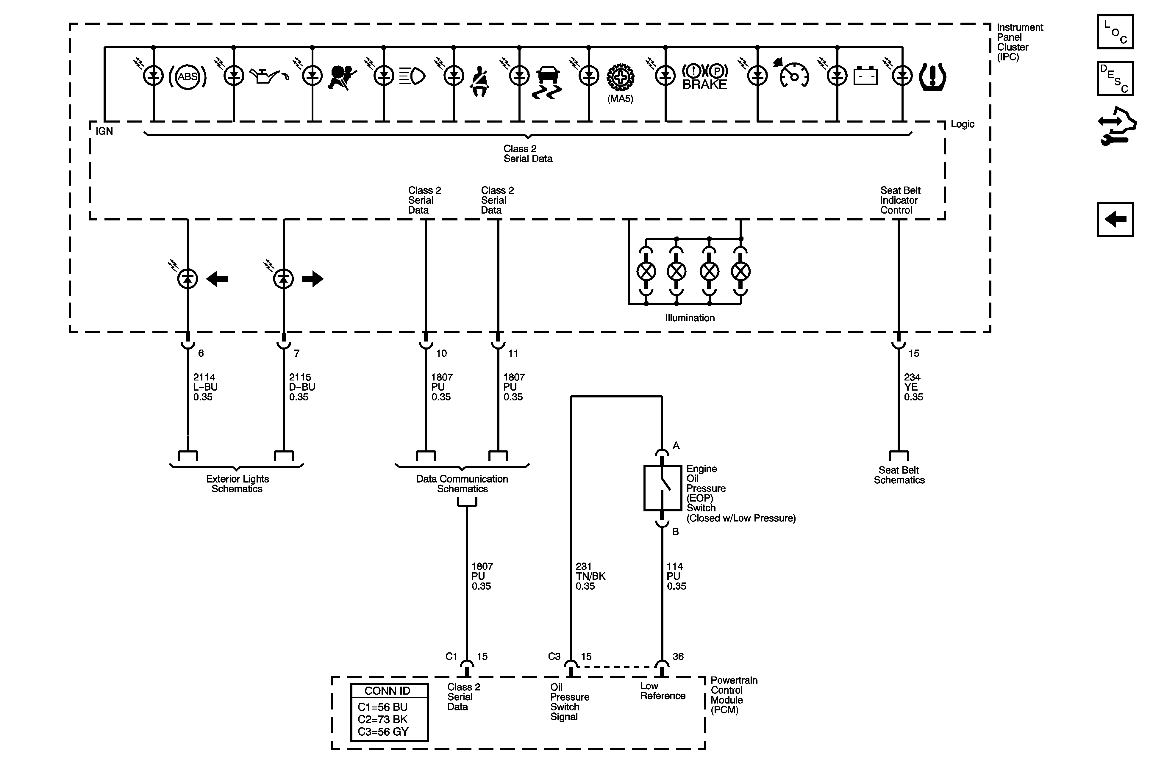
Instrument Cluster Description and Operation
Control Module References
Gages
Turn Signal/Stop Lamps
Data Link Connector (DLC) Schematics
Seat Belt Schematics