GM Service Manual Online
For 1990-2009 cars only
Makes
🢒
HUMMER
🢒
2007
🢒
H3
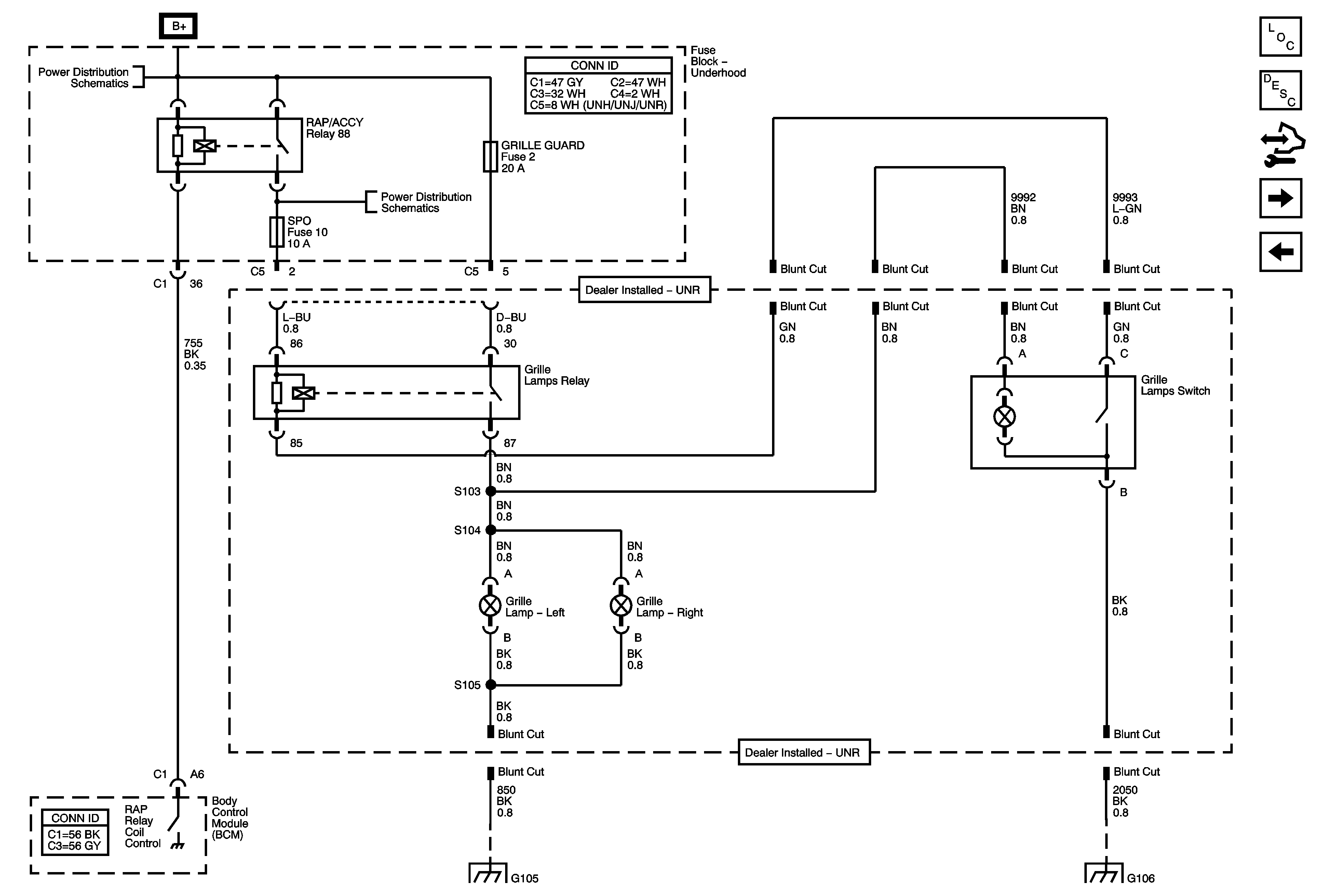
🢒 Grille Mounted Off Road Lamps - UNR
Grille Mounted Off Road Lamps - UNR
Grille Mounted Off Road Lamps - UNR
Master Electrical Component List
Exterior Lighting Systems Description and Operation
Control Module References
Roof Mounted Off Road Lamps - UNJ
Center High Mount Stop Lamps (CHMSL) and Stop Lamp Switch
B+ Bus - Underhood Fuse Block - 1 of 2
B+ Bus - Underhood Fuse Block - 2 of 2
G105
G106