GM Service Manual Online
For 1990-2009 cars only
Makes
🢒
HUMMER
🢒
2007
🢒
H3
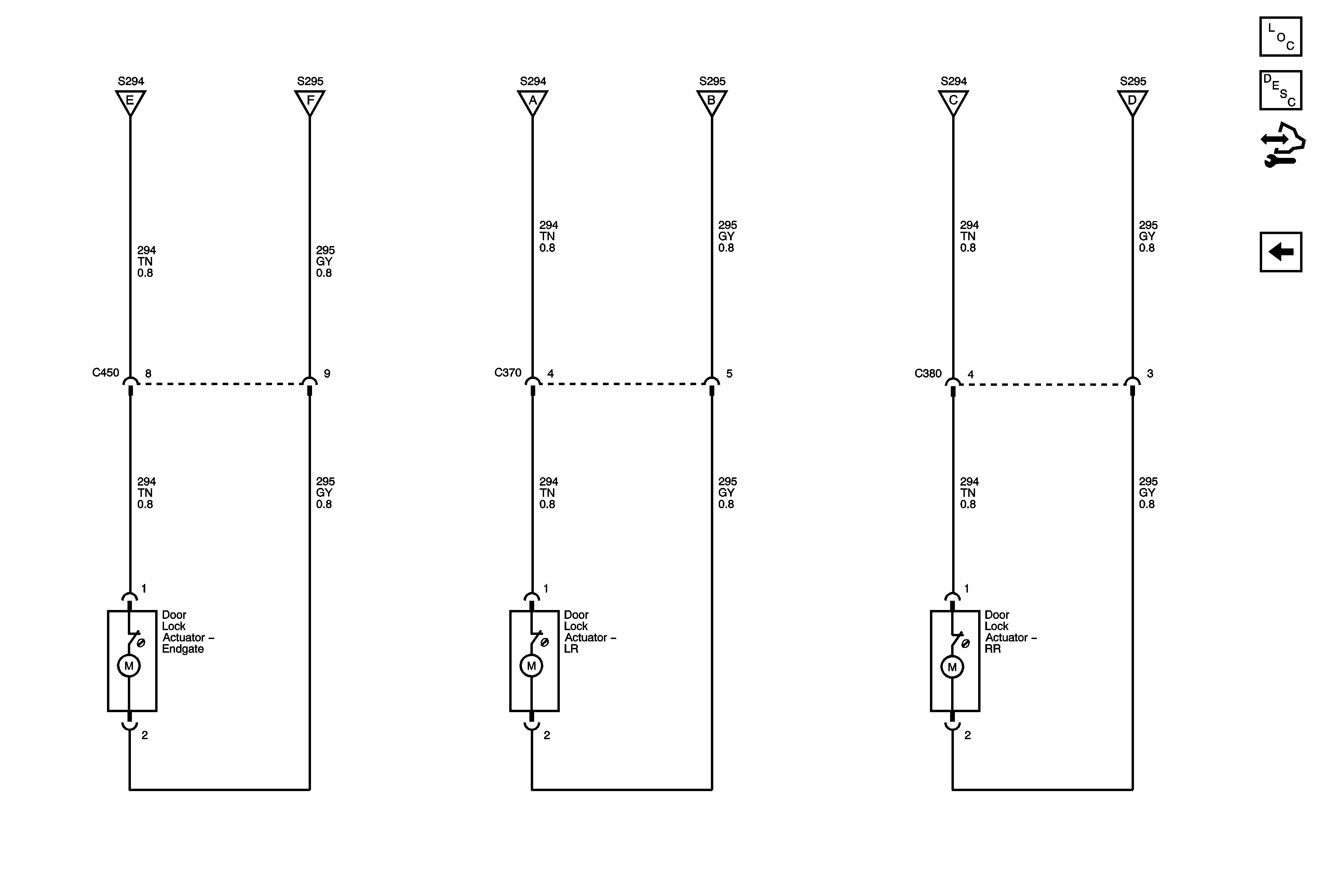
🢒 Rear Door Lock and Endgate Actuators
Rear Door Lock and Endgate Actuators
Rear Door Lock and Endgate Actuators
Master Electrical Component List
Power Door Locks Description and Operation
Control Module References
Power Door Locks
Power Door Locks
Power Door Locks
Power Door Locks
Power Door Locks
Power Door Locks
Power Door Locks