GM Service Manual Online
For 1990-2009 cars only
Makes
🢒
HUMMER
🢒
2007
🢒
H3
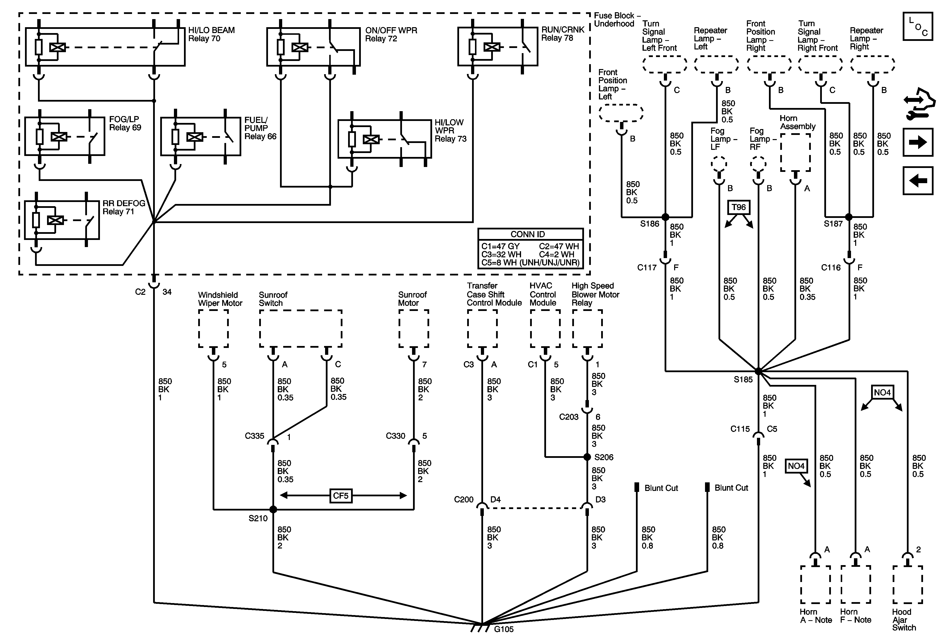
🢒 G105 - Export + RHD
G105 - Export + RHD
G105 - RHD
Master Electrical Component List
Control Module References
G106
G105 - Export