GM Service Manual Online
For 1990-2009 cars only
Makes
🢒
HUMMER
🢒
2007
🢒
H3
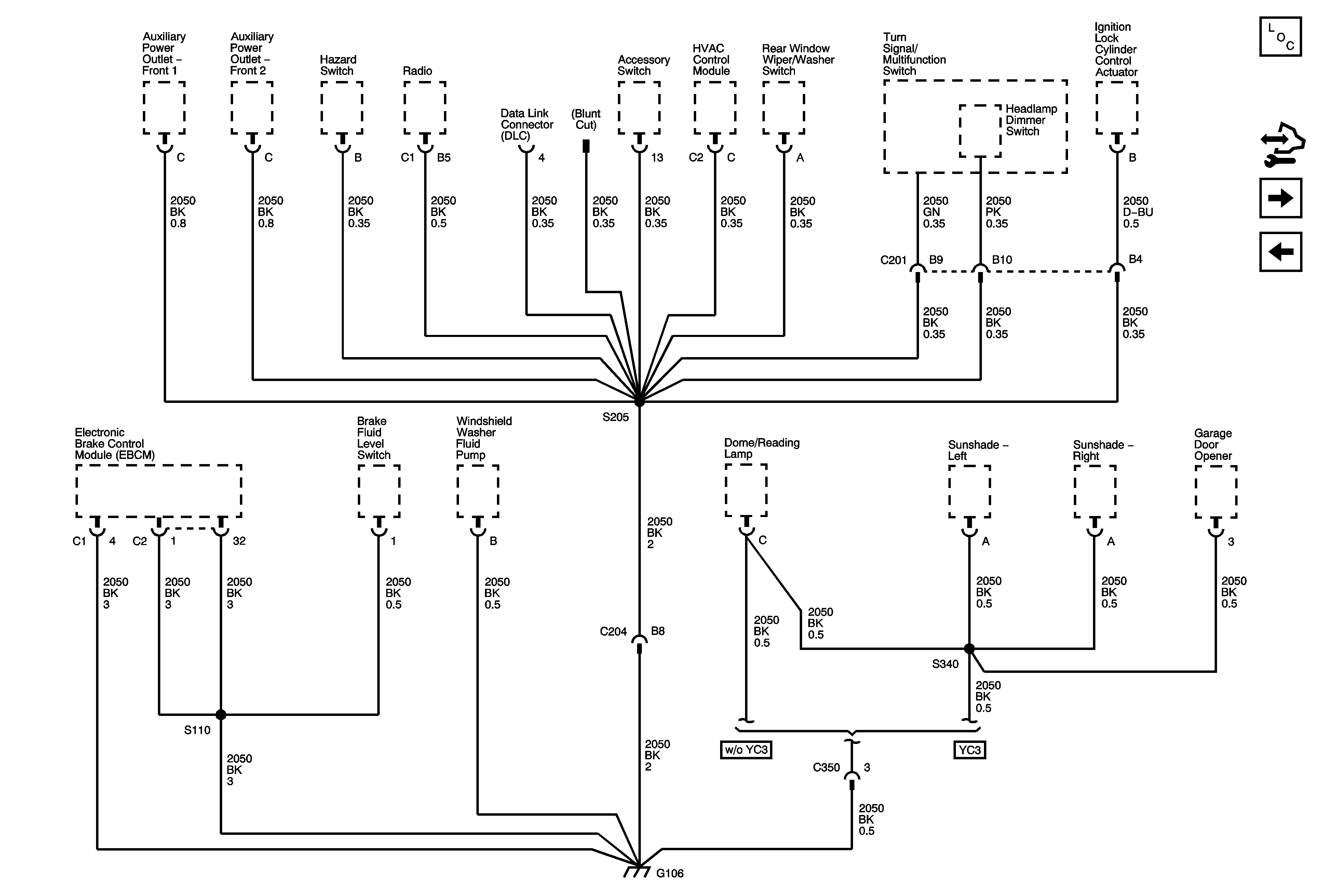
🢒 G106 - Export + RHD
G106 - Export + RHD
G106 - Export + RHD
Master Electrical Component List
Control Module References
G300, G310, and G320
G106