GM Service Manual Online
For 1990-2009 cars only
Makes
🢒
HUMMER
🢒
2007
🢒
H3
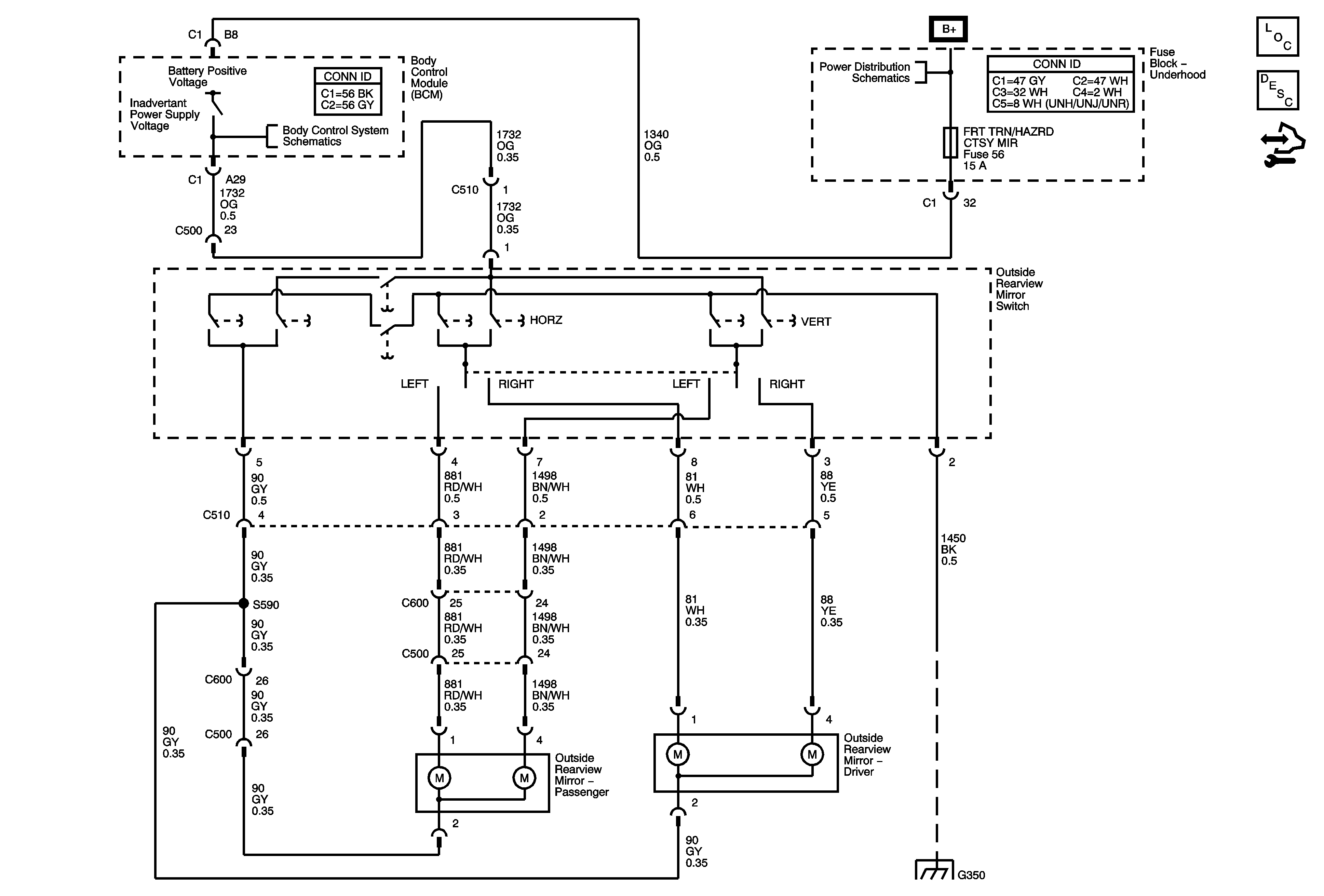
🢒 Outside Rearview Mirror - RHD
Outside Rearview Mirror - RHD
Outside Rearview Mirror - RHD
Master Electrical Component List
Outside Mirror Description and Operation
Control Module References
Outside Rearview Mirror Schematics
Subsystem References to Doors, Interior Lights and Interior Lights Dimming Systems
B+ Bus - Underhood Fuse Block - 1 of 2
G350