GM Service Manual Online
For 1990-2009 cars only
Figure 1:

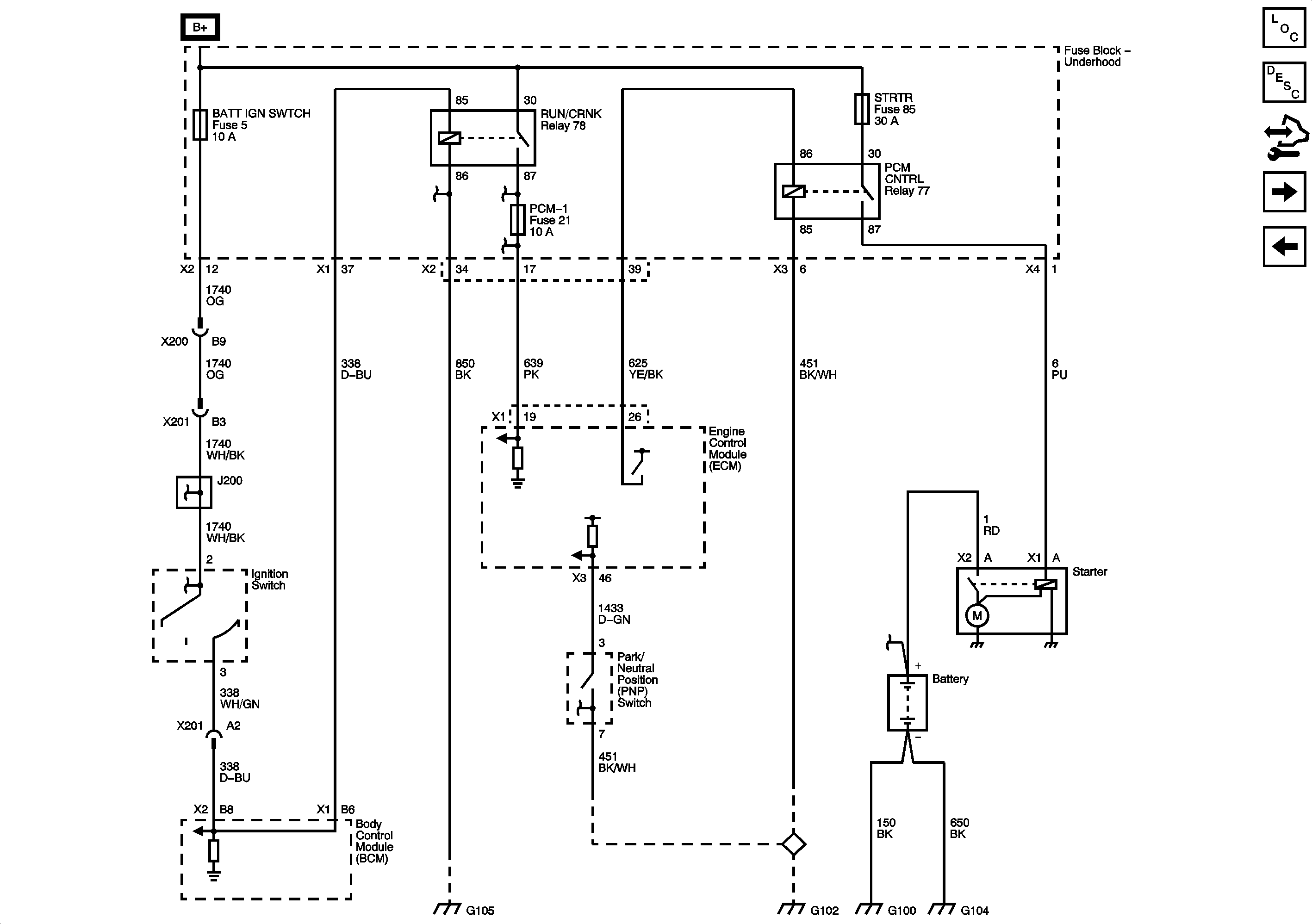
Starting - MA5


Object Number: 1911872  Size: FS
Master Electrical Component List
Starting System Description and Operation
Control Module References
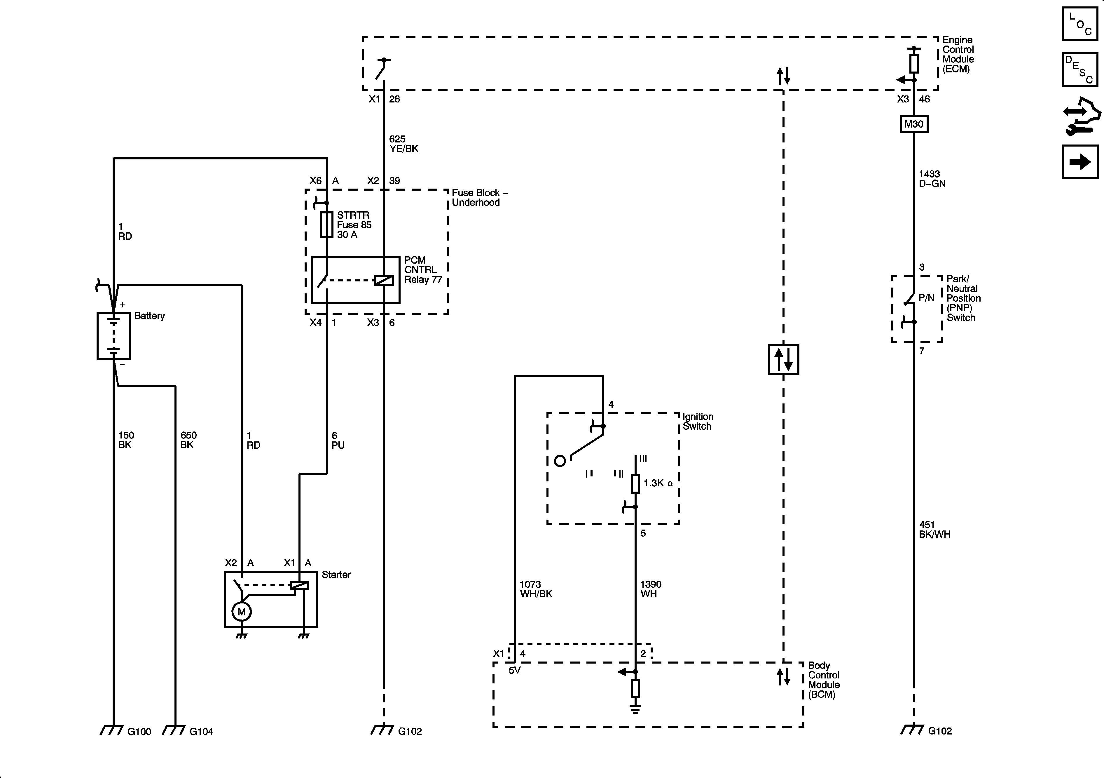
Starting - M30
Figure 2:

Starting - M30


Object Number: 1911874  Size: FS
Master Electrical Component List
Starting System Description and Operation
Control Module References
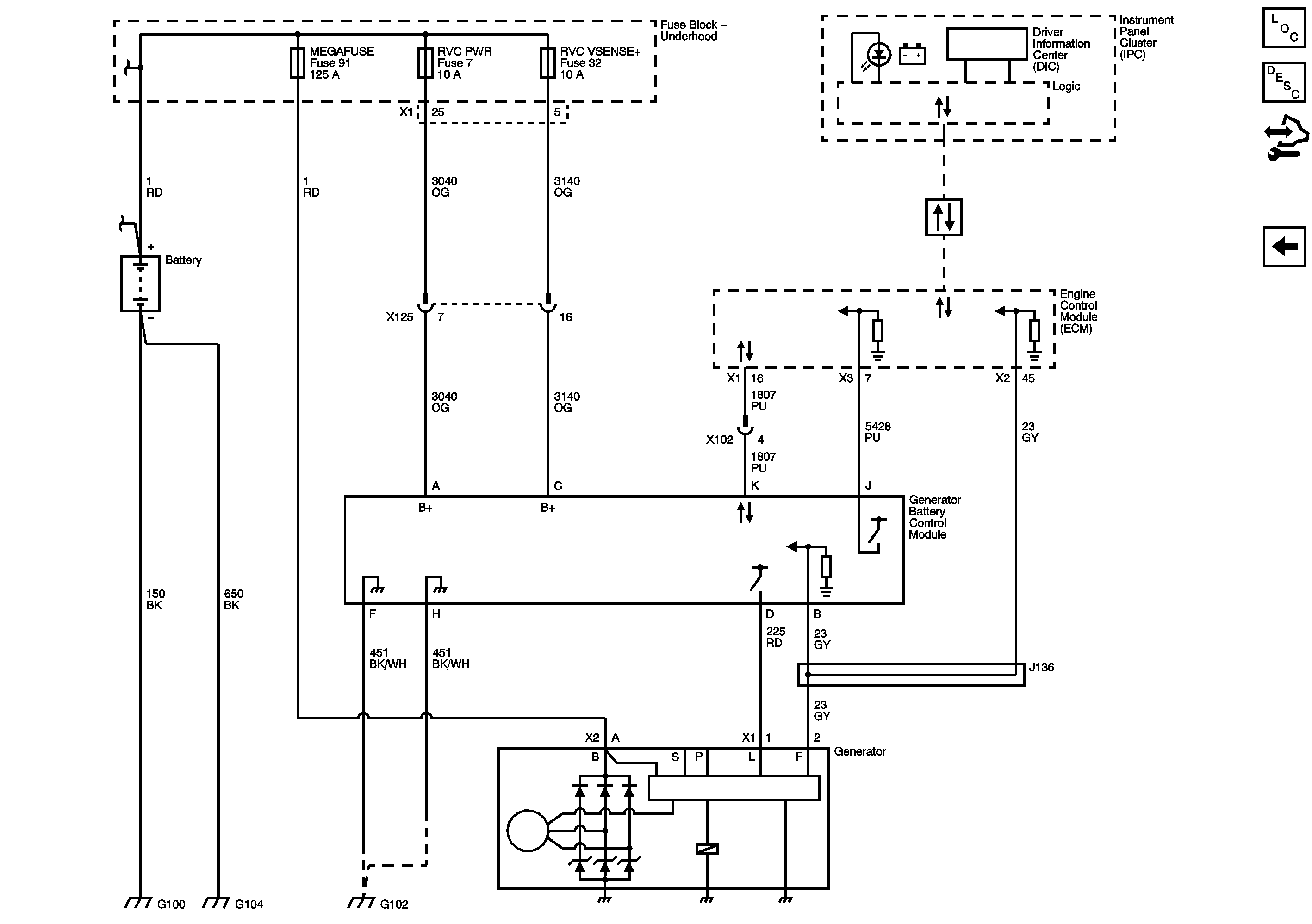
Charging
Starting - MA5
Figure 3:

Charging


Object Number: 1911877  Size: FS
Master Electrical Component List
Charging System Description and Operation
Control Module References
Starting - M30