GM Service Manual Online
For 1990-2009 cars only

Exhaust Manifold Replacement - Left Side LH8

Removal Procedure


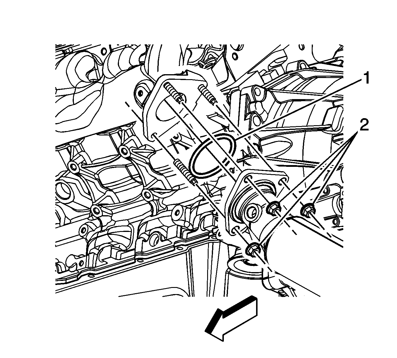
    Object Number: 1902477  Size: SH
  1. Raise and suitably support the vehicle. Refer to Lifting and Jacking the Vehicle .
  2. Remove the catalytic converter to exhaust manifold nuts (2).
  3. Lower the vehicle.
  4. Remove the upper intake manifold sight shield. Refer to Upper Intake Manifold Sight Shield Replacement
  5. Remove the spark plugs. Refer to Spark Plug Replacement .
  6. Disconnect the ignition coil bracket from the valve rocker arm cover. Refer to Valve Rocker Arm Cover Replacement - Left Side
  7. Remove the exhaust manifold heat shield. Refer to Exhaust Manifold Heat Shield Replacement - Left Side .

  8. Object Number: 1902499  Size: SH
  9. Remove the exhaust manifold bolts (1).
  10. Remove the exhaust manifold (2) and gasket (3). Discard the gasket.

Installation Procedure

Important: 

   • Tighten the exhaust manifold bolts as specified in the service procedure. Improperly installed and/or leaking exhaust manifold gaskets may affect vehicle emissions and/or On-Board Diagnostics (OBD) II system performance.
   • The cylinder head exhaust manifold bolt hole threads must be clean and free of debris or threadlocking material.


    Object Number: 1902499  Size: SH

    Important: Do not apply sealant to the first 3 threads of the bolt.

  1. Apply a 5 mm (0.2 in) wide band of threadlock GM P/N 12345493, (Canadian P/N 10953488), or equivalent to the threads of the exhaust manifold bolts.
  2. Ensure that the exhaust seal is still seated on the catalytic converter recess.
  3. Install one exhaust manifold bolt to the exhaust manifold (2) and place the NEW gasket (3) onto the bolt.
  4. Install the exhaust manifold to the catalytic converter flange and position the manifold to the cylinder head.
  5. Notice: Refer to Fastener Notice in the Preface section.

  6. Install the remaining exhaust manifold bolts (1).
  7. Tighten

    1. Tighten the bolts a first pass to 15 N·m (11 lb ft). Tighten the bolts beginning with the center 2 bolts. Alternate from side-to-side, and work toward the outside bolts.
    2. Tighten the bolts a final pass to 25 N·m (18 lb ft). Tighten the bolts beginning with the center 2 bolts. Alternate from side-to-side, and work toward the outside bolts.
  8. Using a flat punch, bend over the exposed edge of the exhaust manifold gasket at the rear of the left cylinder head.
  9. Install the exhaust manifold heat shield. Refer to Exhaust Manifold Heat Shield Replacement - Left Side .
  10. Install the ignition coil bracket to the valve rocker arm cover. refer to Valve Rocker Arm Cover Replacement - Left Side
  11. Install the spark plugs. Refer to Spark Plug Replacement .
  12. Install upper intake manifold sight shield. Refer to Upper Intake Manifold Sight Shield Replacement
  13. Raise the vehicle.

  14. Object Number: 1902477  Size: SH
  15. Install the catalytic converter to exhaust manifold nuts (2).
  16. Tighten
    Tighten the nuts to 50 N·m (37 lb ft).

  17. Lower the vehicle.