GM Service Manual Online
For 1990-2009 cars only
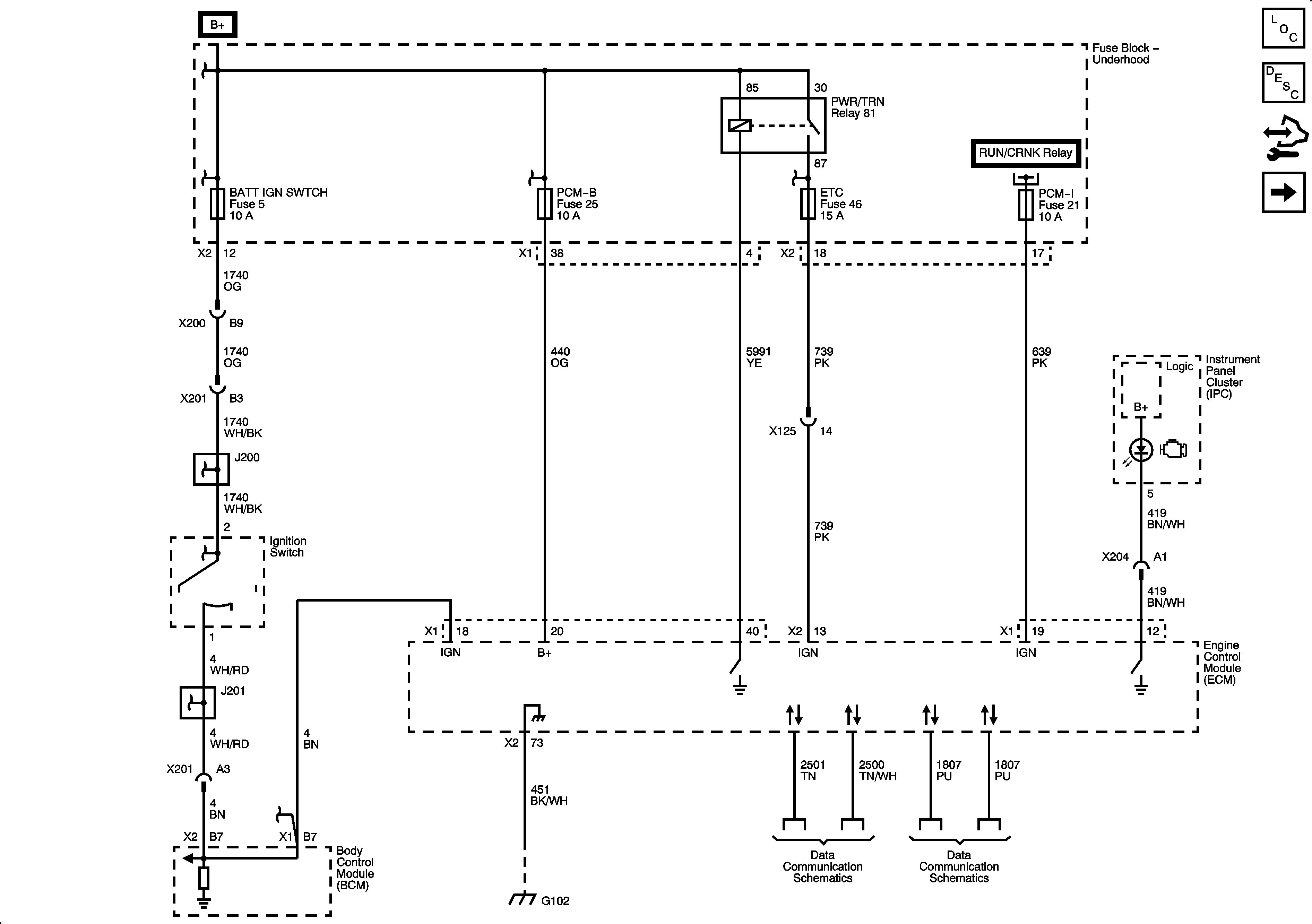
Figure 1:

Module Power, Ground, Serial Data and MIL


Object Number: 1911905  Size: FS
Master Electrical Component List
Engine Control Module Description
Control Module References
Engine Data Sensors - 5 Volt and Low Reference
Figure 2:

Engine Data Sensors - 5-Volt and Low Reference


Object Number: 1911907  Size: FS
Master Electrical Component List
Engine Control Module Description
Control Module References
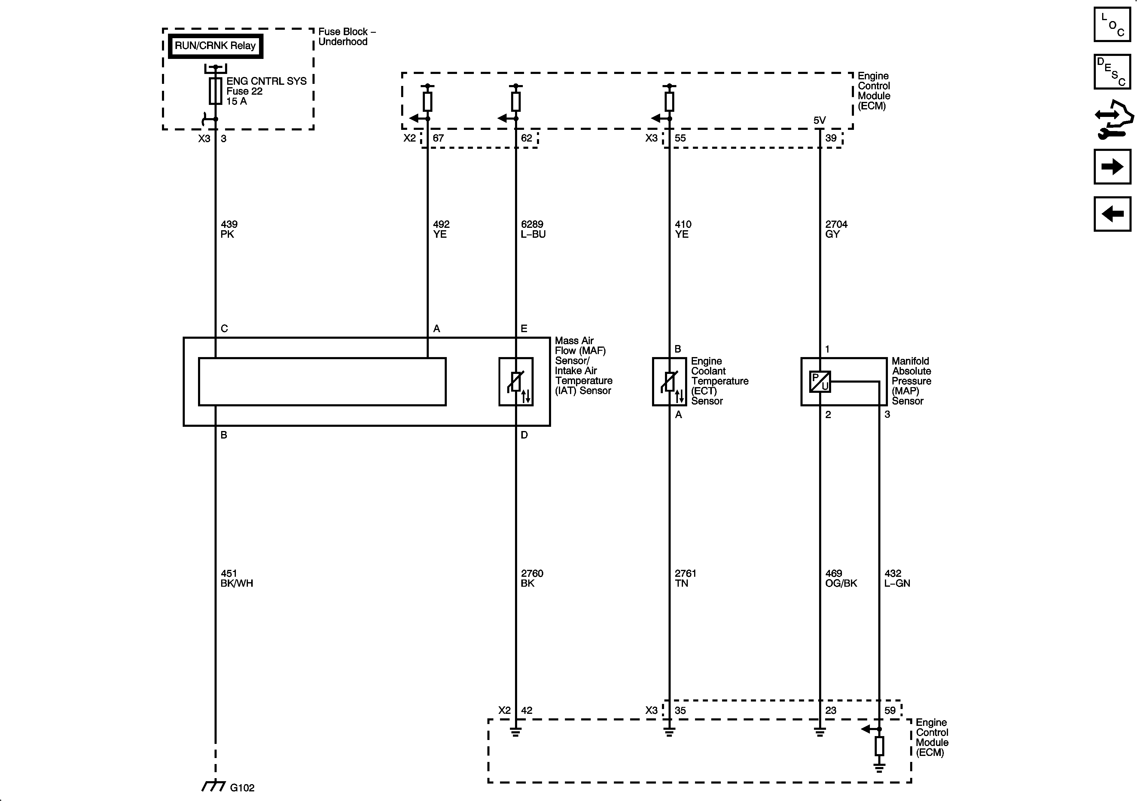
Engine Data Sensors - Pressure and Temperature
Module Power, Ground, Serial Data and MIL
Figure 3:

Engine Data Sensors - Pressure, and Temperature


Object Number: 1911909  Size: FS
Master Electrical Component List
Engine Control Module Description
Control Module References
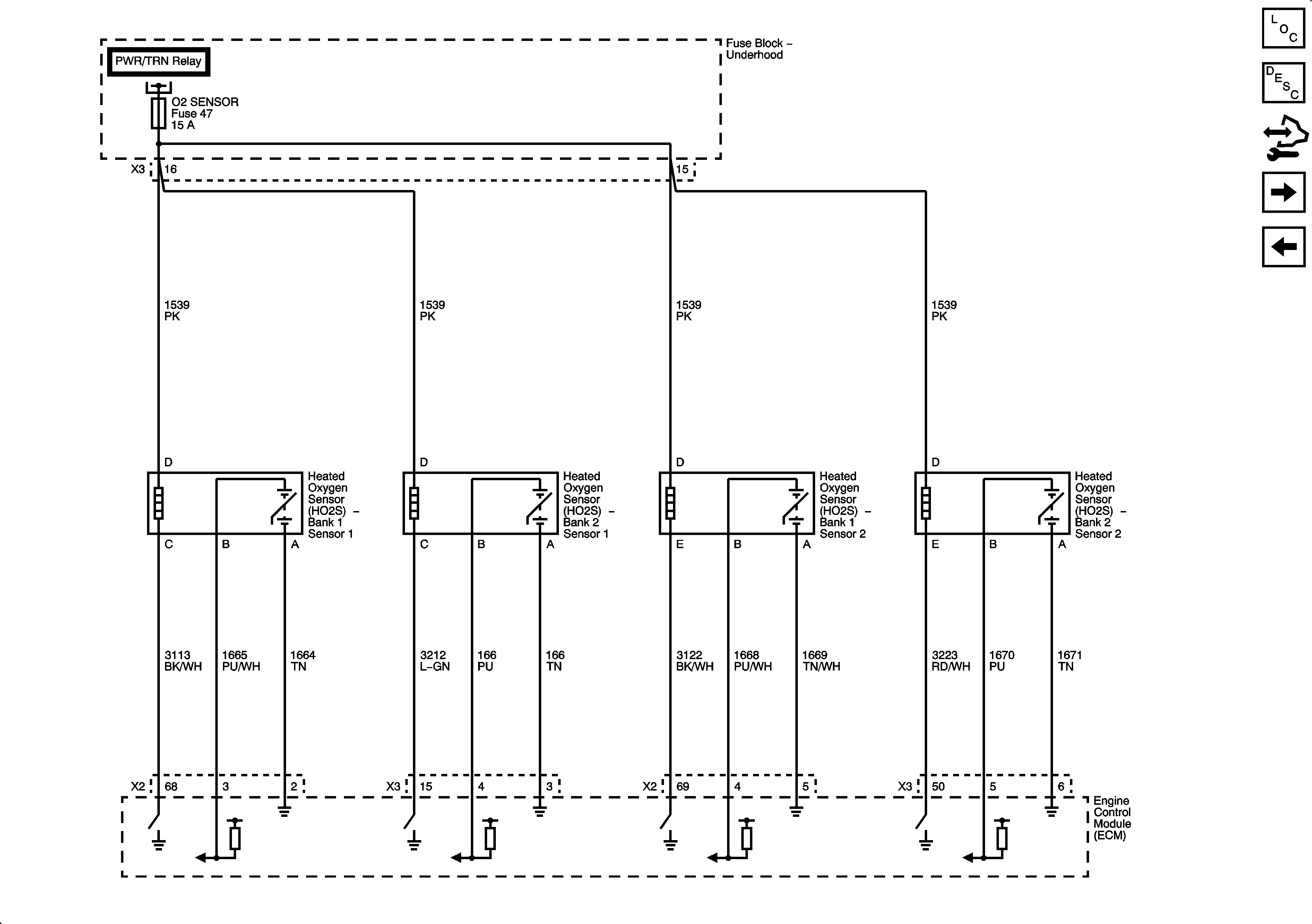
Engine Data Sensors - HO2S
Engine Data Sensors - 5 Volt and Low Reference
Figure 4:

Engine Data Sensors - HO2S


Object Number: 1911910  Size: FS
Master Electrical Component List
Engine Control Module Description
Control Module References
Engine Data Sensors - Electronic Throttle Control
Engine Data Sensors - Pressure and Temperature
Figure 5:

Engine Data Sensors - Electronic Throttle Control


Object Number: 1911911  Size: FS
Master Electrical Component List
Engine Control Module Description
Control Module References
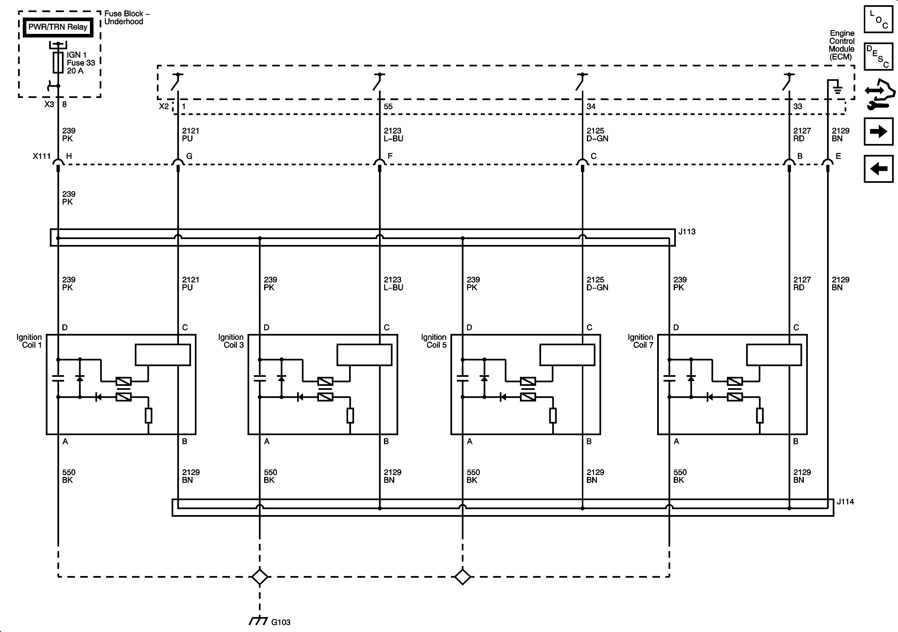
Ignition Controls - Ignition Coils 1, 3, 5, and 7
Engine Data Sensors - HO2S
Figure 6:

Ignition Controls - Ignition Coils 1, 3, 5, and 7


Object Number: 1911912  Size: FS
Master Electrical Component List
Engine Control Module Description
Control Module References
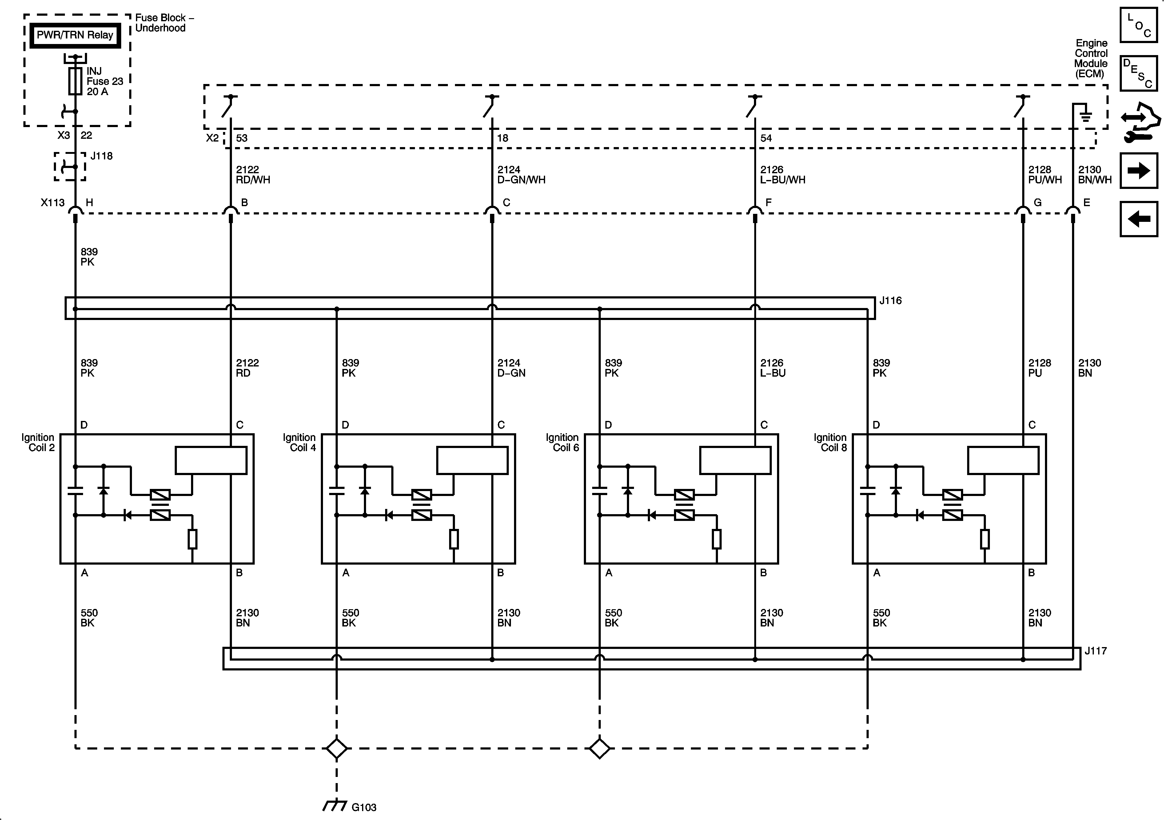
Ignition Controls - Ignition Coils 2, 4, 6, and 8
Engine Data Sensors - Electronic Throttle Control
Figure 7:

Ignition Controls - Ignition Coils 2, 4, 6, and 8


Object Number: 1911913  Size: FS
Master Electrical Component List
Engine Control Module Description
Control Module References
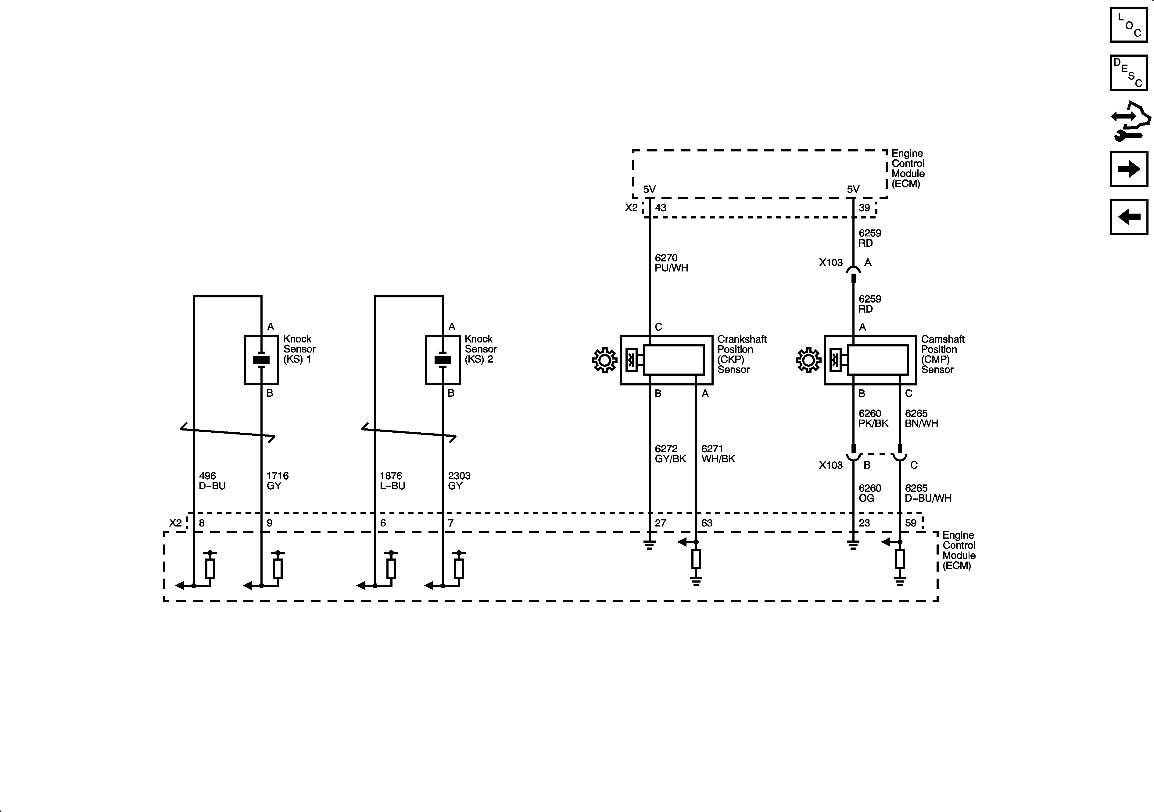
Ignition Controls - Sensors
Ignition Controls - Ignition Coils 1, 3, 5, and 7
Figure 8:

Ignition Controls - Sensors


Object Number: 1911914  Size: FS
Master Electrical Component List
Engine Control Module Description
Control Module References
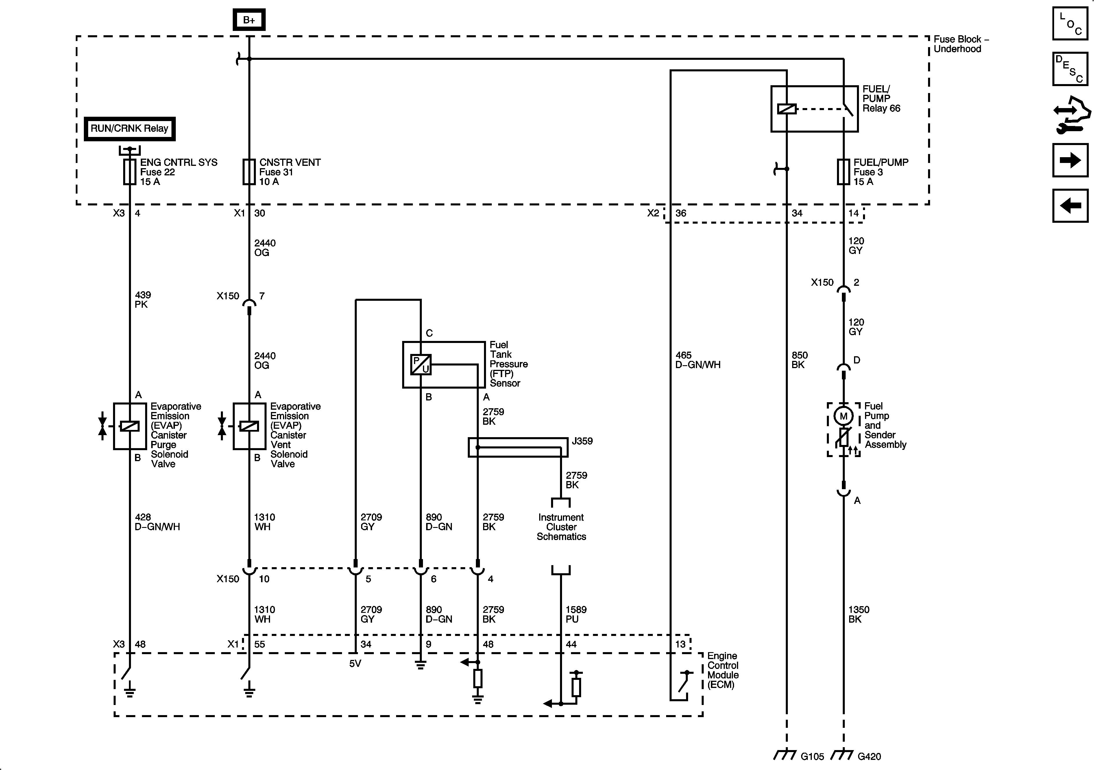
Fuel Controls - Fuel Pump and EVAP Controls
Ignition Controls - Ignition Coils 2, 4, 6, and 8
Figure 9:

Fuel Controls - Fuel Pump and EVAP Controls


Object Number: 1911915  Size: FS
Master Electrical Component List
Engine Control Module Description
Control Module References
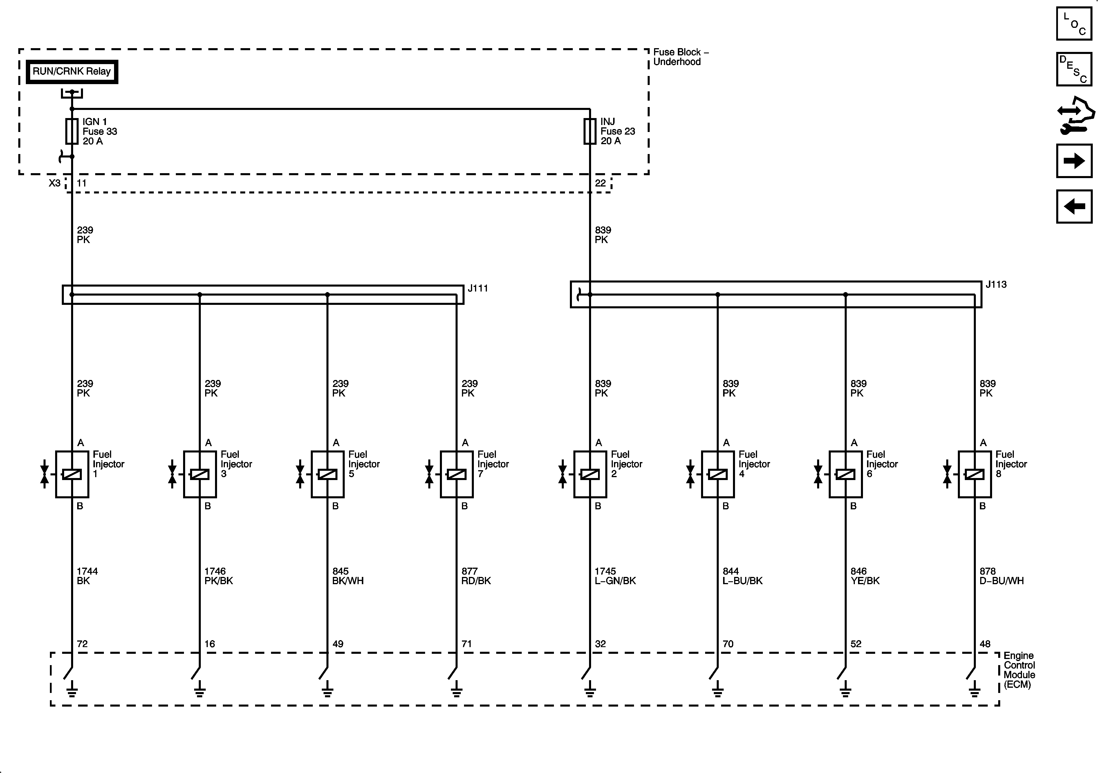
Fuel Controls - Fuel Injectors
Ignition Controls - Sensors
Figure 10:

Fuel Controls - Fuel Injectors


Object Number: 1911916  Size: FS
Master Electrical Component List
Engine Control Module Description
Control Module References
Controlled/Monitored Subsystem References
Fuel Controls - Fuel Pump and EVAP Controls
Figure 11:

Controlled/Monitored Subsystem References


Object Number: 1911917  Size: FS
Master Electrical Component List
Engine Control Module Description
Control Module References
Fuel Controls - Fuel Injectors